最好看的2018免费观看在线-最好看的2019中文电影-最好免费观看高清视频免费-最近免费中文字幕大全免费版视频

您好!歡迎光臨烜芯微科技品牌官網!

深圳市烜芯微科技有限公司

ShenZhen XuanXinWei Technoligy Co.,Ltd
二極管、三極管、MOS管、橋堆

全國服務熱線:18923864027

  • 熱門關鍵詞:
  • 橋堆
  • 場效應管
  • 三極管
  • 二極管
  • dcdc變換器工作原理,雙向dcdc電路介紹
    • 發布時間:2025-07-21 18:52:01
    • 來源:
    • 閱讀次數:
    dcdc變換器工作原理,雙向dcdc電路介紹
    一、基本原理
    DC-DC 變換器是一種運用開關電源技術,將輸入直流電壓轉換為不同數值直流輸出電壓的電子裝置。其核心在于通過開關器件的周期性通斷操作,精準控制能量的存儲與釋放過程,實現直流電壓的轉換功能。
    二、工作原理
    (一)儲能階段
    當開關器件(如 MOSFET 或 IGBT)處于導通狀態時,輸入電源向電感或電容輸送能量。電感通過電流建立磁場儲存磁能,這一過程遵循電磁感應定律,能量以磁場形式暫存在電感中;而電容則利用其特性存儲電荷,將能量以電場形式進行暫存。
    (二)釋能階段
    開關器件關斷后,電感通過續流二極管向負載釋放能量,電容則開始放電,以此維持輸出電壓的穩定。此時,電感產生的反電動勢可能會出現兩種情況:一是與輸入電壓疊加,從而實現升壓功能;二是獨立供電,以達到降壓效果。
    三、雙向 DC-DC 拓撲
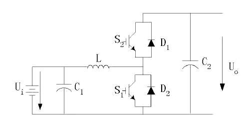
    (一)半橋結構的雙向 DC/DC 拓撲及工作模式
    半橋結構的雙向 DC/DC 拓撲通常具有特定的結構形式,在一般應用中,低壓側可連接儲能電池或超級電容等,高壓側則可與 DC/AC 換流器或直流負載(如電機)相連。
    雙向dcdc電路
    當電池放電時,從輸入端 Ui 往輸出端 Uo 方向看,變換器工作在 boost(升壓)模式;反之,當給電池充電時,從輸出端 Uo 往輸入端 Ui 看,變換器則處于 buck(降壓)模式。
    (二)雙向 DC-DC 電路
    雙向 DC-DC 電路的本質是在保持輸入、輸出電壓極性不變的前提下,依據實際需求改變電流的方向,從而實現雙象限運行的雙向直流變換器功能。
    通過調節 MOS 管的開斷動作,可以改變輸出電流的方向。巧妙運用輸入輸出端口,該電路既能實現降壓功能,也能實現升壓功能。其基本電路結構由兩個 MOS 管和兩個二極管組成,具體的電路結構圖如下圖所示
    雙向dcdc電路
    〈烜芯微/XXW〉專業制造二極管,三極管,MOS管,橋堆等,20年,工廠直銷省20%,上萬家電路電器生產企業選用,專業的工程師幫您穩定好每一批產品,如果您有遇到什么需要幫助解決的,可以直接聯系下方的聯系號碼或加QQ/微信,由我們的銷售經理給您精準的報價以及產品介紹
    聯系號碼:18923864027(同微信)
     
    QQ:709211280
    相關閱讀