最好看的2018免费观看在线-最好看的2019中文电影-最好免费观看高清视频免费-最近免费中文字幕大全免费版视频

您好!歡迎光臨烜芯微科技品牌官網!

深圳市烜芯微科技有限公司

ShenZhen XuanXinWei Technoligy Co.,Ltd
二極管、三極管、MOS管、橋堆

全國服務熱線:18923864027

  • 熱門關鍵詞:
  • 橋堆
  • 場效應管
  • 三極管
  • 二極管
  • dcdc轉換器電路,dcdc電路原理圖介紹
    • 發布時間:2025-07-16 19:37:14
    • 來源:
    • 閱讀次數:
    dcdc轉換器電路,dcdc電路原理圖介紹
    一、DC-DC 轉換器工作原理
    DC-DC 轉換器是一種基于開關電源技術的電路,其主要功能是實現直流電壓的升降轉換。該轉換器巧妙地利用了電容和電感的儲能特性,在高頻開關器件(例如 MOSFET)的配合下完成電能的轉換與傳輸過程。
    當開關導通時,輸入電壓會對電容或電感進行充電,從而將電能儲存起來,這一過程被稱為儲能階段。隨后,在開關斷開時,之前儲存于電容或電感中的能量便會釋放給負載,為負載提供所需的電壓和電流,此為能量釋放階段。而通過精確地調整開關的導通和斷開時間比例,也就是占空比,可以有效地控制輸出電壓的高低。具體而言,占空比越大,輸出電壓越高;反之,占空比越小,輸出電壓則越低。
    二、DC-DC 轉換器應用實例
    (一)DC5V 轉 DC5V(隔離)
    dcdc轉換器電路
    B0505LD 是一款內部高度集成的隔離電源模塊,其輸入電壓范圍較窄,限定在 DC4.5V-DC5.5V 之間,能夠穩定地輸出 DC5V 電壓,并且實現了輸入與輸出之間的隔離,這在許多需要電氣隔離的應用場景中具有重要意義。
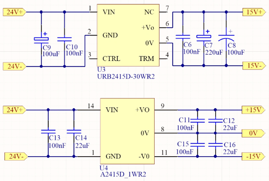
    (二)DC24V 轉 DC15V
    dcdc轉換器電路
    URB2415D 和 A2415D 均為高度集成的電源模塊,適用于 DC 電源轉換場景。在這些電源模塊中,輸入與輸出兩端的電容發揮著至關重要的作用,一方面用于儲能,以保證電能的穩定供應;另一方面用于濾波,以提高輸出電壓的純凈度和穩定性,從而為負載提供高質量的直流電源。
    (三)DC24V 轉 DC8V
    dcdc轉換器電路
    BD9673EFJ 是一種 DC-DC 電源轉換芯片或 IC 穩壓器,具有較寬的輸入電壓 VCC 范圍,從 DC7V 至 DC42V 均能正常工作,其輸出電壓 VOUT 的范圍則為 DC1V 至 0.7×VCC。輸出電壓的計算公式為 VOUT=(R4+R7)÷R7×1.0V。
    該芯片的引腳功能如下:
    Lx :外接電感輸入引腳,用于連接外部電感元件,構成 LC 濾波電路,對輸出電壓進行平滑處理,降低紋波系數,提高輸出電壓的穩定性。
    GND :接地引腳,為芯片提供參考地,確保芯片內部電路的正常工作和電平的準確性。
    VC :誤差放大器輸出引腳,主要用于反饋控制環路中,輸出誤差放大信號,以便精確調節輸出電壓,使其保持在設定值附近。
    FB :輸出反饋引腳,用于采樣輸出電壓,并將其反饋至芯片內部的控制電路,與內部基準電壓進行比較,從而實現對輸出電壓的閉環控制。
    SYNC :信號同步引腳,可與外部時鐘信號同步,確保多個 DC-DC 轉換器在同一頻率下工作,避免相互干擾,提高系統的電磁兼容性。
    EN :備用通 / 斷引腳,通過控制該引腳的電平狀態,可以實現芯片的開啟或關閉,為系統提供靈活的電源管理方案。
    BST :高壓側 FET 驅動器的電源引腳,為內部高壓側功率 MOSFET 的驅動電路提供電源,確保其能夠正常工作,實現高效的電能轉換。
    VCC :電源輸入引腳,用于接入輸入電壓,為芯片內部電路和驅動電路提供工作電源,是整個 DC-DC 轉換器正常運行的基礎。
    〈烜芯微/XXW〉專業制造二極管,三極管,MOS管,橋堆等,20年,工廠直銷省20%,上萬家電路電器生產企業選用,專業的工程師幫您穩定好每一批產品,如果您有遇到什么需要幫助解決的,可以直接聯系下方的聯系號碼或加QQ/微信,由我們的銷售經理給您精準的報價以及產品介紹
    聯系號碼:18923864027(同微信)
     
    QQ:709211280

    相關閱讀