最好看的2018免费观看在线-最好看的2019中文电影-最好免费观看高清视频免费-最近免费中文字幕大全免费版视频

您好!歡迎光臨烜芯微科技品牌官網!

深圳市烜芯微科技有限公司

ShenZhen XuanXinWei Technoligy Co.,Ltd
二極管、三極管、MOS管、橋堆

全國服務熱線:18923864027

  • 熱門關鍵詞:
  • 橋堆
  • 場效應管
  • 三極管
  • 二極管
  • 自激式開關電源電路,單管自激電路圖介紹
    • 發布時間:2025-07-19 18:45:22
    • 來源:
    • 閱讀次數:
    自激式開關電源電路,單管自激電路圖介紹
    一、電路基本構成與工作原理
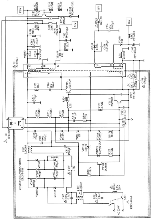
    單管自激電路的核心是開關管,可選用三極管或場效應管。在此設計中,采用三極管 VT513 作為開關管,其同時承擔開關和振蕩功能,省去了獨立的控制電路。
    接通市電后,220V 交流電經 VD503~VD506 整流和 C507 濾波,在 C507 兩端產生約 300V 的直流電壓。該電壓通過開關變壓器 T511 的 3-7 繞組施加到 VT513 的集電極。同時,該直流電壓經啟動電阻 R520~R522、R524 為 VT513 的基極提供啟動電流,確保 VT513 導通。T511 繞組 3-7 中的電流產生感應電壓,反饋繞組 1-2 也感應出正反饋電壓,經 R519、C514、R524 加至 VT513 的基極,促使 VT513 快速飽和導通。
    隨著 C514 充電,VT513 基極電位逐漸降低,VT513 退出飽和區,電流增益 β 減小。T511 的 1-2 繞組感應出相反相位的電壓,使 VT513 快速截止。VT513 截止后,T511 的 1-2 繞組無感應電壓,300V 直流電壓經 R520~R522 對 C514 反向充電,VT513 基極電位逐漸升高,VT513 重新導通,再次進入飽和狀態,電路持續振蕩。
    單管自激電路圖
    從開關變壓器 T511 的同名端標識可見,這是一個反激型開關電源。VT513 導通時,T511 的 3-7 次繞組感應電壓為 3 正、7 負,二次繞組 11-12 感應電壓為 11 正、12 負,VD552 截止,能量存儲于一次繞組 3-7。VT513 截止時,存儲的能量經二次繞組、VD552 整流和 C561 濾波后向負載供電。
    二、穩壓控制機制
    自激式單管開關電源的穩壓控制原理與他激式開關電源一致,通過調節開關管的導通時間實現穩壓。其穩壓電路形式多樣,包括直接取樣和間接取樣穩壓電路。
    本例中,穩壓電路主要由 VT553、VD561、R552、RP551、R553、VT511.IC、VT512 及周邊元件構成,采用直接取樣方式。當負載變輕導致輸出電壓 120V 上升時,取樣電路 R552、RP551、R553 的分壓升高,誤差放大管 VT553 的基極電位上升。由于發射極被 VD561 鉗位,VT553 的集電極電位下降,光電耦合器 IC 內發光二極管電流增大,發光強度增強。光敏三極管集電極 - 發射極間電阻減小,VT511 的基極 - 集電極間電阻降低,VT511 基極電位下降,集電極電壓上升,VT512 導通程度增加,VT513 基極電流被分流,導通時間縮短,提前截止,脈寬減小,輸出電壓下降。反之,若輸出電壓下降,過程相反。
    三、保護電路設計
    自激式開關電源的保護電路通常由分立元件構成。本例中包含以下保護功能:
    (一)市電輸入電壓過高保護
    該保護電路由 VD518、VD519、R523 及 VT512 組成。市電正常時,VD518、VD519 對 VT512 無影響。市電過高時,300V 電壓升高,T511 的 3~7 繞組電流增大,反饋繞組 1 端感應正電壓升高。當 1 端電壓達到一定值時,VD518 使 VD519 擊穿,T511 的 1 端正反饋電壓經 VD518、VD519、R523 和 VT512 發射極短路到地,正反饋停止,VD513 停振,實現市電過壓保護。
    (二)電源電路輸出電壓過壓保護
    當 120V 主輸出電壓過高時,負載電壓使光電耦合器 IC 發光二極管發光強度大幅增加,光敏三極管集電極 - 發射極間電阻顯著降低,VT512 飽和導通,VT513 基極接地停振,電源無輸出。
    〈烜芯微/XXW〉專業制造二極管,三極管,MOS管,橋堆等,20年,工廠直銷省20%,上萬家電路電器生產企業選用,專業的工程師幫您穩定好每一批產品,如果您有遇到什么需要幫助解決的,可以直接聯系下方的聯系號碼或加QQ/微信,由我們的銷售經理給您精準的報價以及產品介紹
    聯系號碼:18923864027(同微信)
     
    QQ:709211280

    相關閱讀