最好看的2018免费观看在线-最好看的2019中文电影-最好免费观看高清视频免费-最近免费中文字幕大全免费版视频

您好!歡迎光臨烜芯微科技品牌官網!

深圳市烜芯微科技有限公司

ShenZhen XuanXinWei Technoligy Co.,Ltd
二極管、三極管、MOS管、橋堆

全國服務熱線:18923864027

  • 熱門關鍵詞:
  • 橋堆
  • 場效應管
  • 三極管
  • 二極管
  • 15N10場效應管,15N10參數15A 100V SOP-8,15N10中文資料
    • 發布時間:2025-08-30 20:00:35
    • 來源:
    • 閱讀次數:
    15N10場效應管,15N10參數15A 100V SOP-8,15N10中文資料
    15N10場效應管參數,15N10規格書,15N10引腳圖,15N10中文資料pdf代替
    15N10
    15N10 SOP-8封裝參數:點擊查看15N10
    15N10場效應管參數具體如下:
    15N10
    封裝類型:SOP-8
    極性:NPN
    漏極電流:15A
    功率耗散:46W
    反向傳輸電容Crss:1.9pF
    柵極源極擊穿電壓:±20V
    擊穿電壓:100V
    存儲溫度:-55℃~+150℃
    引腳數:8Pin
    導通電阻ID=5A,VGS=10V:Typ 61mΩ Max 75mΩ
    導通電阻ID=4A,VGS=4.5V:Typ 77mΩ Max 100mΩ
    工作溫度:-55℃~+150℃
    安裝類型:SMT
    二、作用與應用
    15N10場效應管的核心作用是作為電子開關使用。在電路中,它通過控制柵極電壓來調節漏源路徑上的電流流動,實現對負載的精確控制。由于其出色的電氣性能,15N10廣泛應用于以下領域:
    1.電源系統:在開關電源、充電器、逆變器等應用中,可以作為主開關管,提高電源轉換效率,降低功耗。
    2.電機驅動:在工業電機、家用電器等應用中,可以作為電機驅動電路的功率器件,提高電機驅動效率,降低電機運行噪音。
    3.LED照明:在高功率LED照明系統中,可以作為LED驅動電路的功率器件,提高照明效率,降低能耗。
    4.其他應用:還可以應用于太陽能系統、風力發電系統、無線充電等領域。
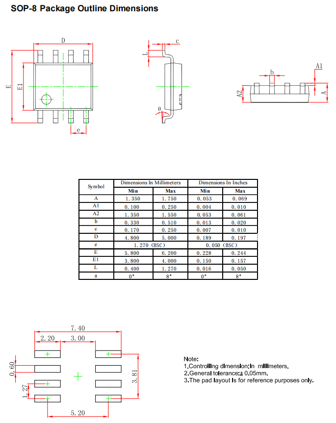
    三、SOP-8封裝特點
    15N10采用SOP-8封裝,這是一種小外形封裝,具有以下特點:
    1.緊湊型設計:占地面積小,便于PCB設計和安裝。
    2.高可靠性:采用塑料封裝,具有良好的抗震性能和耐濕性。
    3.低成本:比其他封裝方式成本更低,適用于大批量生產。
    4.性能優良,可靠性高:SOP減少了各功能部件之間的連接,使得由于連接之間的各種損耗、干擾降低到最小。
    15N10場效應管 SOP-8封裝尺寸:
    15N10
    〈烜芯微/XXW〉專業制造二極管,三極管,MOS管,橋堆等,20年,工廠直銷省20%,上萬家電路電器生產企業選用,專業的工程師幫您穩定好每一批產品,如果您有遇到什么需要幫助解決的,可以直接聯系下方的聯系號碼或加QQ/微信,由我們的銷售經理給您精準的報價以及產品介紹
     
    聯系號碼:18923864027(同微信)
     
    QQ:709211280
    相關閱讀