最好看的2018免费观看在线-最好看的2019中文电影-最好免费观看高清视频免费-最近免费中文字幕大全免费版视频

您好!歡迎光臨烜芯微科技品牌官網!

深圳市烜芯微科技有限公司

ShenZhen XuanXinWei Technoligy Co.,Ltd
二極管、三極管、MOS管、橋堆

全國服務熱線:18923864027

  • 熱門關鍵詞:
  • 橋堆
  • 場效應管
  • 三極管
  • 二極管
  • 120N04場效應管,120N04參數120A 40V PDFN5*6,120N04資料
    • 發布時間:2025-08-29 20:25:02
    • 來源:
    • 閱讀次數:
    120N04場效應管,120N04參數120A 40V PDFN5*6,120N04資料
    120N04場效應管參數,120N04規格書,120N04引腳圖,120N04中文資料pdf代替
    120N04
    120N04 PDFN5*6-8L封裝參數:點擊查看120N04
    120N04場效應管參數具體如下:
    120N04
    封裝類型:PDFN5*6-8L
    極性:NPN
    漏極電流:120A
    柵極源極擊穿電壓:±20V
    擊穿電壓:40V
    存儲溫度:-55℃~+150℃
    引腳數:8Pin
    導通電阻ID=20A,VGS=10V:Typ 2mΩ Max 2.7mΩ
    導通電阻ID=10A,VGS=4.5V:Typ 2.7mΩ Max 3.7mΩ
    工作溫度:-55℃~+150℃
    安裝類型:SMT
    二、作用與應用
    120N04場效應管的核心作用是作為電子開關使用。在電路中,它通過控制柵極電壓來調節漏源路徑上的電流流動,實現對負載的精確控制。由于其出色的電氣性能,120N04廣泛應用于以下領域:
    電源管理:120N04可用作低壓降開關,用于電源管理電路中的電池充放電控制、DC-DC變換器等。
    信號放大:在音頻放大器和低頻放大器中,120N04可以作為信號放大的關鍵部件。
    開關控制:在各種開關電路中,如LED燈控制、電機控制等,120N04能提供高效的開關控制功能。
    模擬開關:在模擬電路中,120N04可以作為開關管,用于模擬信號的控制和處理。
    充電管理:在移動設備和電動車等充電管理系統中,120N04用于充電過程中的電池保護和充電控制。
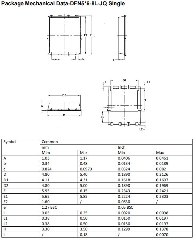
    三、PDFN5*6-8L封裝特點
    120N04采用PDFN5*6-8L封裝,這是一種表面貼裝技術(SMT)封裝,具有以下特點:
    1.低電感、低電阻:由于去除了傳統引腳結構,DFN封裝具有更低的電感和電阻,有助于提高信號傳輸的效率和速度。
    2.良好的電氣性能:DFN封裝在高頻和高速應用中表現出色,有利于提升器件的電氣性能和信號完整性。
    3.優異的機械強度:基于其結構設計,DFN封裝能夠提供較高的機械強度和抗沖擊性。
    4.緊湊的設計:DFN封裝占用更小的PCB面積,考慮到成本、體積各方面的因素,DFN封裝將會是未來幾年的一個增長點,發展前景較為樂觀。
    120N04場效應管PDFN5×6-8L封裝尺寸:
    120N04
    〈烜芯微/XXW〉專業制造二極管,三極管,MOS管,橋堆等,20年,工廠直銷省20%,上萬家電路電器生產企業選用,專業的工程師幫您穩定好每一批產品,如果您有遇到什么需要幫助解決的,可以直接聯系下方的聯系號碼或加QQ/微信,由我們的銷售經理給您精準的報價以及產品介紹
     
    聯系號碼:18923864027(同微信)
     
    QQ:709211280
    相關閱讀