最好看的2018免费观看在线-最好看的2019中文电影-最好免费观看高清视频免费-最近免费中文字幕大全免费版视频

您好!歡迎光臨烜芯微科技品牌官網!

深圳市烜芯微科技有限公司

ShenZhen XuanXinWei Technoligy Co.,Ltd
二極管、三極管、MOS管、橋堆

全國服務熱線:18923864027

  • 熱門關鍵詞:
  • 橋堆
  • 場效應管
  • 三極管
  • 二極管
  • 晶閘管觸發電路與電路圖原理介紹
    • 發布時間:2025-06-25 16:38:07
    • 來源:
    • 閱讀次數:
    晶閘管觸發電路與電路圖原理介紹
    晶閘管觸發電路:原理與作用精解
    一、晶閘管觸發電路的核心作用
    晶閘管觸發電路在電力電子領域扮演著關鍵角色,其主要功能是通過精準調控晶閘管電極間的電壓、電流以及脈沖信號等參數,實現對晶閘管導通與截止狀態的精確控制。這使得晶閘管能在特定時間點觸發并導通或截止,進而控制電路中的電流強度,達成對整個電路的有效調控。
    二、晶閘管觸發電路的工作原理
    正向電壓施加:當晶閘管的陽極與陰極之間被施加正向電壓時,晶閘管并不會即刻進入導通狀態。
    觸發信號注入:此時,需要在門極和陰極之間注入一個正向觸發脈沖信號。
    晶閘管導通:觸發信號促使晶閘管內部導形成通通道,使得主電路電流能夠順利流通。
    門極控制失效:一旦晶閘管成功導通,即使門極觸發信號被撤銷,晶閘管依然保持導通狀態,門極不再對晶閘管的狀態產生影響。
    晶閘管關斷方式:若要想關斷晶閘管,通常有兩種方法:一是將主電路電流降低至維持電流以下;二是在陽極和陰極之間施加反向電壓。由此可知,晶閘管的觸發電路本質上是一個控制信號發生器,其核心職責是生成滿足特定條件的觸發脈沖,以此實現對晶閘管通斷狀態的精準操控。
    三、單結晶體管觸發電路詳解
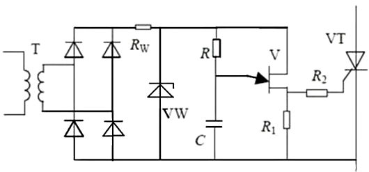
    晶閘管觸發電路
    電路組成
    同步降壓變壓器T:關鍵作用是將220V交流電進行降壓處理,同時確保輸出電壓相位與市電相位保持一致。
    橋式整流電路:負責將交流電轉換為脈動直流電。
    穩壓二極管Vw及Rw:協同工作實現削波功能,將脈動直流電轉化為梯形波。
    限流電阻R:其阻值大小對電容器C的充電速度有著直接影響,進而關聯到晶閘管的控制角與導通角的大小。
    單結晶體管及相關元件:與電阻R、電容器C以及電阻R1共同構成弛張振蕩器,為晶閘管提供必須的觸發脈沖。
    電路工作原理
    降壓與整流:220V交流電經同步降壓變壓器降壓后,得到幅值較小的正弦波交流電。
    晶閘管觸發電路
    次級電壓經全波橋式整流得到脈動交流電如下圖。
    晶閘管觸發電路
    全波整流后,轉變為脈動直流電。經整流后的脈動直流電壓波形呈現出方向不變但幅值隨時間變化的特性。
    削波處理:當脈動電壓值低于穩壓管Vw的穩定電壓時,穩壓管不導通,其兩端電壓與脈動直流電壓值相等;而當脈動電壓超過Vw的穩壓值時,穩壓管Vw發生反向擊穿導通,此時Vw兩端電壓維持穩定,超出穩壓值的電壓部分在電阻Rw上形成電壓降,從而將脈動直流電壓削波為梯形波。
    晶閘管觸發電路
    振蕩與觸發:經整流削波后的直流電壓施加于弛張振蕩電路,作為其電源,實現同步作用。在主電路電壓處于每半周起始或結束階段時,由于電壓較低,振蕩電路不工作,電容器放電完畢,兩端電壓歸零。當主電路電壓接近梯形波頂部時,振蕩電路啟動工作,電流經電阻R對電容器C充電。當電容器兩端電壓攀升至單結晶體管的峰點電壓時,單結晶體管導通,電容器放電。放電電流分兩路行進,一路經單結晶體管發射極、基極b1、電阻R1回到電容器另一極板;另一路經發射極、基極b1、電阻R2連接至晶閘管VT的門極,進而流向晶閘管陰極,最終回到電容器另一極板。晶閘管受觸發而導通。隨著電容器兩端電壓逐漸降低,當降至單結晶體管的谷點電壓時,單結晶體管截止,振蕩電路進入下一個周期。值得注意的是,晶閘管一旦導通,在半個周期內不再受觸發電路控制,因此在半個周期內,僅有第一個觸發脈沖有效。當主電路正半周即將結束時,振蕩電路電壓處于梯形波下降沿并迅速下降,致使振蕩電路停振,電容器電壓釋放歸零。如此一來,在每個半周起始時刻,電容器均從零電壓開始充電,充分保障了振蕩電路產生的脈沖與主電路電壓的嚴格同步,對確保整個電路穩定、精準運行起著不可或缺的作用。
    〈烜芯微/XXW〉專業制造二極管,三極管,MOS管,橋堆等,20年,工廠直銷省20%,上萬家電路電器生產企業選用,專業的工程師幫您穩定好每一批產品,如果您有遇到什么需要幫助解決的,可以直接聯系下方的聯系號碼或加QQ/微信,由我們的銷售經理給您精準的報價以及產品介紹
    聯系號碼:18923864027(同微信)
     
    QQ:709211280

    相關閱讀