最好看的2018免费观看在线-最好看的2019中文电影-最好免费观看高清视频免费-最近免费中文字幕大全免费版视频

您好!歡迎光臨烜芯微科技品牌官網!

深圳市烜芯微科技有限公司

ShenZhen XuanXinWei Technoligy Co.,Ltd
二極管、三極管、MOS管、橋堆

全國服務熱線:18923864027

  • 熱門關鍵詞:
  • 橋堆
  • 場效應管
  • 三極管
  • 二極管
  • 單結晶體管符號,原理,單結晶體管觸發電路介紹
    • 發布時間:2024-05-09 18:32:31
    • 來源:
    • 閱讀次數:
    單結晶體管符號,原理,單結晶體管觸發電路介紹
    單結晶體管介紹
    單結晶體管(UJT)又稱基極二極管,是一種只有一個PN結和兩個電阻接觸電極的半導體器件,它的基片為條狀的高阻N型硅片,兩端分別用歐姆接觸引出兩個基極b1和b2。在硅片中間略偏b2一側用合金法制作一個P區作為發射極e。
    單結晶體管 符號 原理 觸發電路
    單結晶體管是一種利用PN結特性的半導體器件,它的工作原理基于PN結的電子輸運和控制。單結晶體管主要由三個區域組成:發射區(Emitter)、基區(Base)和集電區(Collector),這些區域分別對應不同的半導體類型:P型、N型和N型。
    放大作用:當輸入信號作用于基區時,會改變基區中的電子云密度,進而影響基區的導電性。如果信號為正向偏置,基區中的電子密度增加,導致基區的導電性增強,從而增加從發射區流向基區和集電區的電流,實現信號的放大。
    開關作用:當輸入信號為反向偏置時,基區中的電子密度減少,導電性減弱,電流從發射區流向基區的流動降低,使單結晶體管進入關閉狀態,輸出電流減小。
    單結晶體管的其他重要特性參數包括飽和電流(Is)和截止頻率(fT)。飽和電流是指在特定條件下,如發射區與基區之間的電壓達到一定程度時,電流能夠達到的最大值,它決定著單結晶體管的放大能力。截止頻率則是單結晶體管能夠放大的最高頻率,超過這一頻率后,放大效果會明顯下降。
    單結晶體管觸發電路
    UT可用于用于產生脈沖以教發TRIAC的張地振蕩器,電路如下:
    單結晶體管 符號 原理 觸發電路
    電路中,施加的交流電壓使用橋式整流器進行整流,并使用齊納二極管進行調節。該穩壓直流電壓被施加到電容器上,電容器開始通過可變電阻器充電。
    一旦電容器電壓達到峰值或閾值電壓,UJT開始導通,電容器開始通過UJT和變壓器初級放電,并在變壓器次級產生脈沖電壓,該脈沖電壓被提供給柵極SCR來觸發它。一旦觸發SCR,它將開始導通,而與任何柵極電壓無關。
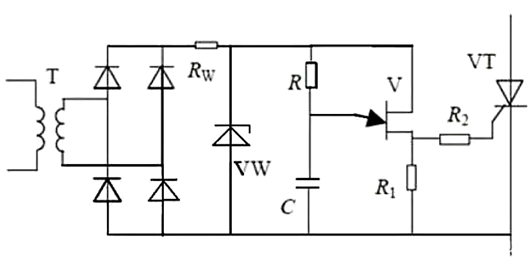
    單結晶體管觸發電路二
    單結晶體管 符號 原理 觸發電路
    電路組成
    ①,同步降壓變壓器T,作用是把220v交流電降壓,且相位和市電一致。
    ②,橋式整流電路,把交流電變為脈動直流電。
    ③,穩壓二極管Vw和Rw作用是削波,把脈動直流變為梯形波。
    ④,R是限流電阻,它的大小直接影響電容器c的充電速度,進一步影響晶閘管的控制角和導通角。
    ⑤,單結晶體管,和電阻R,電容器c,電阻R1組成弛張振蕩器,為晶閘管提供觸發脈沖。
    〈烜芯微/XXW〉專業制造二極管,三極管,MOS管,橋堆等,20年,工廠直銷省20%,上萬家電路電器生產企業選用,專業的工程師幫您穩定好每一批產品,如果您有遇到什么需要幫助解決的,可以直接聯系下方的聯系號碼或加QQ/微信,由我們的銷售經理給您精準的報價以及產品介紹
     
    聯系號碼:18923864027(同微信)
    QQ:709211280

    相關閱讀