最好看的2018免费观看在线-最好看的2019中文电影-最好免费观看高清视频免费-最近免费中文字幕大全免费版视频

您好!歡迎光臨烜芯微科技品牌官網!

深圳市烜芯微科技有限公司

ShenZhen XuanXinWei Technoligy Co.,Ltd
二極管、三極管、MOS管、橋堆

全國服務熱線:18923864027

  • 熱門關鍵詞:
  • 橋堆
  • 場效應管
  • 三極管
  • 二極管
  • 48v電動車充電器電路圖介紹
    • 發布時間:2025-06-19 15:34:39
    • 來源:
    • 閱讀次數:
    48v電動車充電器電路圖介紹
    48V電動車充電器電路解析
    在電動車應用廣泛的當下,48V電動車充電器電路設計成為關鍵技術點。以下是兩種常見48V電動車充電器電路的詳細剖析。
    一、48V電動車充電器電路一
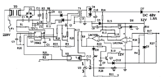
    48v電動車充電器電路圖
    工作原理:220V交流電輸入后,首先通過T0雙向濾波器,有效抑制外界干擾信號,保證后續電路穩定運行。濾波后的電能經D1橋式整流堆處理,將交流轉變為脈動直流電,再經C11濾波,輸出穩定在約300V左右的直流電。U1采用TL3842脈寬調制集成電路,其5腳接電源負極,7腳接電源正極,6腳輸出脈沖信號直接驅動場效應管Q1(K1358)。3腳具備最大電流限制功能,通過調節R25(2.5歐姆)阻值可精準調整充電器最大電流。2腳用于電壓反饋,以此調節充電器輸出電壓。4腳外接振蕩電阻R1與振蕩電容C1,協同確定電路振蕩頻率。
    T1為高頻脈沖變壓器,承擔三項重要功能:一是將高壓脈沖降壓為低壓脈沖,匹配后續電路及電池組電壓需求;二是實現高壓隔離,確保使用者操作安全,防范觸電風險;三是為UC3842集成電路提供穩定工作電源。D4作為高頻整流管(16A60V),與低壓濾波電容C10配合,對低壓脈沖進行整流濾波。D5為12V穩壓二極管,U3(TL431)是精密基準電壓源,二者與U2(光耦合器4N35)協同作用,可自動調節充電器輸出電壓,保障充電過程電壓穩定。W2可調電阻器用于微調充電器輸出電壓,實現精準適配。D10作電源指示燈,直觀顯示充電器通電狀態;D6作充電指示燈,便于觀察充電進程。R27為電流取樣電阻(0.1歐姆,5W),通過改變W1阻值,可調節充電器轉浮充的拐點電流,一般設定在200-300mA區間。通電瞬間,C11上建立約300V電壓,該電壓一方面經T1加載至Q1,驅動場效應管工作;另一方面經R5、C8、C3路徑,傳輸至U1的7腳,觸發U1啟動。隨后U1的6腳輸出方波脈沖,Q1開始工作,電流經R25流向接地端。與此同時,T1副線圈感應產生電壓,經D3、R12向U1供電,維持U1正常運行。
    電路優勢:該電路設計成熟,基于經典的TL3842脈寬調制芯片,搭配高頻脈沖變壓器等元件,可有效實現交流-直流轉換、電壓調節、電流控制及安全隔離等功能,為48V電動車電池提供穩定可靠的充電電源,且成本相對較低,易于大規模生產和應用。
    二、48V電動車充電器電路二
    48v電動車充電器電路圖
    工作原理:220V交流電接入后,經LF1雙向濾波器初步濾除干擾信號,提升電能質量。VD1-VD4構成整流橋,將交流電整流為脈動直流電壓,再經C3濾波處理,輸出平穩的約300V直流電壓。300V直流電壓經啟動電阻R4,為脈寬調制集成電路IC1的7腳提供啟動電壓,當7腳電壓高于14V時,集成電路IC1開始工作,其6腳輸出PWM脈沖信號,驅動電源開關管(場效應管)VT1進入開關狀態,電流依次流過VT1的S極-D極-R7-接地端。此時,開關變壓器T1的8-9繞組產生感應電壓,經VD6、R2整流濾波后,為IC1的7腳提供穩定的工作電壓,確保IC1持續穩定運行。IC1的4腳外接振蕩電阻R10和振蕩電容C7,共同決定IC1的振蕩頻率,進而影響PWM脈沖輸出頻率。IC2(TL431)作為精密基準電壓源,與IC4(光耦合器4N35)協同作用,穩定充電器輸出電壓,保障充電過程電壓穩定。RP1(510歐半可調電位器)用于精細調節充電器輸出電壓,滿足不同電池組的充電需求。LED1作電源指示燈,接通電源后即亮起,發出紅色光,直觀顯示充電器通電狀態。VT1開始工作后,變壓器T1次級的6-5繞組輸出電壓,經快速恢復二極管VD60整流,C18濾波后,得到穩定的約53V電壓。該電壓一方面經二極管VD70(防止電池電流倒灌)給電池充電;另一方面經限流電阻R38、穩壓二極管VZD1、濾波電容C60,為比較器IC3(LM358)提供12V工作電源,VD12為IC3提供基準電壓,經R25、R26、R27分壓后輸入至IC3的2腳和5腳。
    在正常充電階段,R33上端產生0.18-0.2V電壓,經R10加至IC3的3腳,促使IC3的1腳輸出高電平。該高電平信號分為三路輸出:第一路驅動VT2導通,散熱風扇隨之開始工作,為充電器散熱;第二路經電阻R34點亮雙色二極管LED2中的紅色發光二極管,直觀顯示充電狀態;第三路輸入至IC3的6腳,使IC3的7腳輸出低電平,雙色發光二極管LED2中的綠色發光二極管熄滅,標志著充電器進入恒流充電階段。當電池電壓逐步上升至約44.2V時,充電器自動切換至恒壓充電階段,充電電流逐漸減小。當充電電流降至200MA-300MA時,R33上端電壓隨之下降,IC3的3腳電壓低于2腳電壓,IC3的1腳輸出低電平。此時,雙色發光二極管LED2中的紅色發光二極管熄滅,三極管VT2截止,散熱風扇停止運轉。同時,IC3的7腳輸出高電平,一路經電阻R35點亮雙色發光二極管LED2中的綠色發光二極管,指示充電接近完成(但實際充滿還需一兩小時);另一路經R52、VD18、R40、RP2傳輸至IC2的1腳,使輸出電壓降低,充電器進入200MA-300MA的涓流充電階段,即浮充階段,以維持電池電量。通過改變RP2的電阻值,可靈活調整充電器從恒流充電狀態轉換至涓流充電狀態的轉折電流值(200-300MA)。
    電路優勢:此電路在第一種電路基礎上,增加了更多智能控制功能,通過引入比較器IC3(LM358)等元件,實現了充電過程的精準控制。在恒流充電、恒壓充電及涓流充電階段的轉換過程中,能夠依據電池電壓和充電電流的實時變化,自動調整充電模式,提升充電效率,延長電池使用壽命,且具備過熱保護(散熱風扇設計)等安全機制,提升充電器整體性能和可靠性。
    〈烜芯微/XXW〉專業制造二極管,三極管,MOS管,橋堆等,20年,工廠直銷省20%,上萬家電路電器生產企業選用,專業的工程師幫您穩定好每一批產品,如果您有遇到什么需要幫助解決的,可以直接聯系下方的聯系號碼或加QQ/微信,由我們的銷售經理給您精準的報價以及產品介紹
    聯系號碼:18923864027(同微信)
     
    QQ:709211280

    相關閱讀