最好看的2018免费观看在线-最好看的2019中文电影-最好免费观看高清视频免费-最近免费中文字幕大全免费版视频

您好!歡迎光臨烜芯微科技品牌官網!

深圳市烜芯微科技有限公司

ShenZhen XuanXinWei Technoligy Co.,Ltd
二極管、三極管、MOS管、橋堆

全國服務熱線:18923864027

  • 熱門關鍵詞:
  • 橋堆
  • 場效應管
  • 三極管
  • 二極管
  • 電動車控制器電路介紹
    • 發布時間:2021-04-10 19:16:43
    • 來源:
    • 閱讀次數:
    電動車控制器電路介紹
    簡略地講控制器是由周邊器件和主芯片(或單片機)組成。
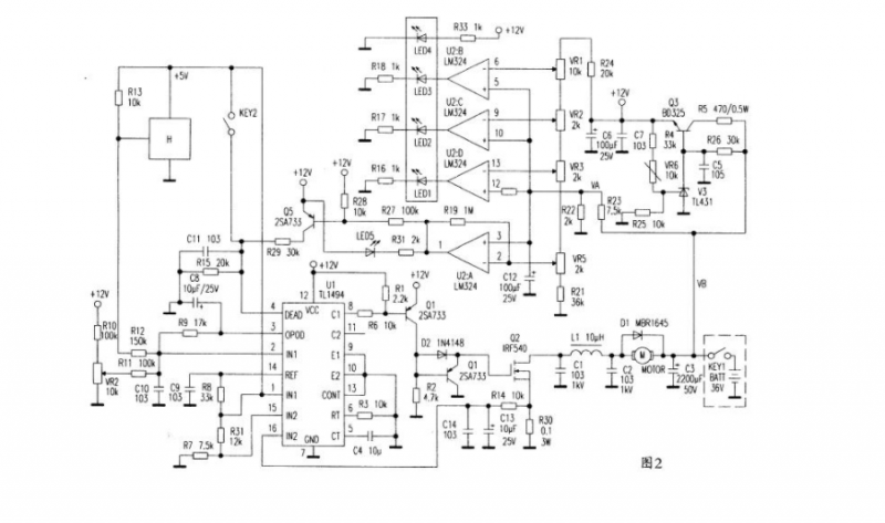
    電動車控制器電路圖
    1. 電動車控制器電路圖
    電動車控制器電路
    電動車控制器電路原理
    穩壓電源:由 V3(TL431),Q3 等元件組成,從 36V 蓄電池經過串聯穩壓后得到+12V 電壓,給控制電路供電,調節 VR6 可校準+12V 電源。
    PWM 電路:以脈寬調制 器 TL494 為核心組成。R3、C4 與內部電路產生振蕩,頻率大約為 12kHz。
    H 是高變低型霍爾速度控制轉把,由松開到旋緊時,其輸出端可得到 4V—1V 的電壓。該電壓加到 TL494 的②腳,與①腳電壓進行比較,在⑧腳得到調寬脈沖。②腳電壓越低,⑧腳輸出的調寬脈沖的低電平部分越寬,電機轉速越高,電位器 VR2 用于零速調節,調節 VR2 使轉把松開時電機停轉再過一點。
    電機驅動電路 由 Q1、Q2、Q4 等元件組成。電機 MOTOR 為永磁直流有刷電機。TL494 的⑧腳輸出的調寬脈沖,經 Q1 反相放大驅動 VDMOS 管 Q2。TL494 的⑧腳輸出的調寬脈沖低電平部分越寬,則 Q2 導通時間越長,電機轉速越高。D1 是電機續流二極管,防止 Q2 擊穿。TL494 的⑧腳輸出低電平時,Q1、D2 導通,Q4 截止,Q2 導通;TL494 的⑧腳輸出高電平時,Q1、D2 截止,Q4 導通,迅速將 Q2 柵極電荷泄放,加速 Q2 的截止過程,對降低 Q2 溫度有十分重要的作用。
    蓄電池放電指示電路 由 LM324 組成四個比較器,12V 由 R24、VR1、VR4、VR3、VR5、R21 分壓形成四個不同基準電壓分別加到四個比較器的反相端。蓄電池電壓經 R23 和 R22 分壓加到每個比較器的同相端,該電壓和蓄電池電壓成比例。VA=VB*R22/(R22+R23)。當蓄電池電壓不低于 38V 時,LED1、LED2、LED3 均點亮;當電池電壓低于 38V 時,LED3 熄滅;當電池電壓低于 35V 時,LED2 熄滅;當電池電壓低于 33V 時,LED1 熄滅,此時應給電池充電。調節 VR1、VR4、VR3 可分別設定 LED3、LED2、LED1 熄滅時的電壓。LED4 用作電源指示,LED5 用作欠壓切斷控制器輸出指示。
    電動車控制器電路作用
    電動車控制器是用來控制電動車電機的啟動、運行、進退、速度、停止以及電動車的其它電子器件的核心控制器件,它就像是電動車的大腦,是電動車上重要的部件。電動車就目前來看主要包括電動自行車、電動二輪摩托車、電動三輪車、電動三輪摩托車、電動四輪車、電瓶車等,電動車控制器也因為不同的車型而有不同的性能和特點。
    烜芯微專業制造二極管,三極管,MOS管,橋堆等20年,工廠直銷省20%,4000家電路電器生產企業選用,專業的工程師幫您穩定好每一批產品,如果您有遇到什么需要幫助解決的,可以點擊右邊的工程師,或者點擊銷售經理給您精準的報價以及產品介紹
    相關閱讀