最好看的2018免费观看在线-最好看的2019中文电影-最好免费观看高清视频免费-最近免费中文字幕大全免费版视频

您好!歡迎光臨烜芯微科技品牌官網!

深圳市烜芯微科技有限公司

ShenZhen XuanXinWei Technoligy Co.,Ltd
二極管、三極管、MOS管、橋堆

全國服務熱線:18923864027

  • 熱門關鍵詞:
  • 橋堆
  • 場效應管
  • 三極管
  • 二極管
  • 橋式整流電路,三相橋式整流電路圖介紹
    • 發布時間:2025-07-03 18:21:09
    • 來源:
    • 閱讀次數:
    橋式整流電路,三相橋式整流電路圖介紹
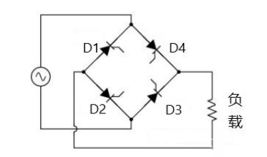
    橋式整流電路是一種利用四個二極管按特定電橋結構連接而成的整流拓撲,其核心功能在于將交流輸入轉換為直流輸出。相較于采用中心抽頭變壓器的整流方案,橋式電路的主要優勢在于無需變壓器中心抽頭,從而顯著降低了系統的體積與成本。
    分類體系
    橋式整流電路可依據電源類型、控制方式及拓撲結構進行分類。按電源相數可分為:
    單相橋式整流電路: 由四個二極管構成,適用于單相交流電源。
    三相橋式整流電路: 由六個二極管構成,適用于三相交流電源。
    根據功率控制能力,上述兩類電路可進一步細分為:
    非受控整流電路: 僅使用二極管作為整流元件,輸出直流非受調節。
    半控整流電路: 部分使用可控器件(如晶閘管/SCR)。
    全控整流電路: 全部使用可控功率半導體器件(如晶閘管/SCR、MOSFET、IGBT等)實現輸出功率的精確控制。
    電路特性詳解
    非受控橋式整流電路
    三相橋式整流電路
    此類電路完全依賴二極管進行整流。二極管固有的單向導電性決定了電流只能單向流動,但也意味著其輸出功率無法根據負載需求進行主動調節。因此,非受控整流電路通常應用于對輸出電壓穩定性要求不高或電源本身恒定的場合。
    可控橋式整流電路
    三相橋式整流電路
    可控整流電路的核心在于使用晶閘管(SCR)、功率MOSFET、IGBT等可控功率半導體器件替代或部分替代二極管。通過精確控制這些器件的導通角(觸發時刻),可以實現對輸出直流電壓和功率的連續調節,滿足不同負載的電壓需求。
    關鍵設計考量
    在設計橋式整流電路以提供直流輸出時,以下技術參數至關重要,直接影響電路性能、效率及可靠性:
    三相橋式整流電路
    導通壓降 (Forward Voltage Drop)
    電流流經橋式整流電路時,在任何工作半周期內均需通過兩個串聯的二極管。
    每個二極管在導通時會產生顯著的正向導通壓降(V<sub>F</sub>)。對于標準硅二極管,該壓降典型值約為0.7V至1.2V(具體值取決于二極管型號和電流大小),且隨電流增大而略有上升。
    結果: 實際可獲得的直流輸出電壓峰值將至少比交流輸入電壓峰值低 兩倍二極管壓降 (2 * V<sub>F</sub>)。例如,若使用硅二極管(V<sub>F</sub> ≈ 1.0V),輸出電壓峰值將比輸入交流峰值低至少2.0V。精確設計時必須參考所用二極管或整流橋模塊的數據手冊(Datasheet),根據預期工作電流確定實際的壓降值。
    功率耗散與散熱 (Power Dissipation & Thermal Management)
    上述二極管壓降與流過的電流共同產生功率損耗 (P<sub>loss</sub> ≈ 2 * V<sub>F</sub> * I<sub>out</sub>),并以熱量的形式散發。
    該功率損耗必須通過有效的散熱手段耗散,以防止器件過熱失效。散熱方式取決于損耗功率大小:
    小功率應用:通常依靠器件自身封裝和空氣自然對流散熱即可滿足。
    中、大功率應用:整流橋模塊通常設計有金屬安裝基板(如螺栓安裝型封裝),必須將其牢固安裝在足夠尺寸的散熱器上,利用強制風冷或更大散熱面積來保證工作溫度在安全限值內。散熱設計是確保整流器長期可靠運行的關鍵環節。
    峰值反向電壓 (Peak Inverse Voltage, PIV)
    施加在整流二極管兩端的最大反向電壓(PIV)是選型時的核心參數,絕對非受超過二極管或整流橋模塊的額定值,否則將導致反向擊穿損壞。
    橋式整流電路的一個重要優勢在于其所需的二極管PIV額定值低于中心抽頭整流電路方案。在忽略二極管壓降的理想情況下,對于相同的直流輸出電壓,橋式電路中二極管承受的PIV僅為中心抽頭電路中所需PIV的一半。
    原理分析: 在橋式整流電路的正半周(假設D1、D4導通),截止二極管D2、D3的陰極電位近似等于輸入電壓的正峰值,陽極電位近似等于輸入電壓的負峰值。因此,每個截止二極管兩端承受的反向電壓近似等于輸入交流電壓的峰值 (V<sub>peak</sub>)。在負半周(D2、D3導通)同理作用于D1、D4。精確計算需考慮實際壓降影響,但設計余量應以V<sub>peak</sub>為基礎。
    三相橋式整流器應用特點
    橋式拓撲因其固有的優勢(無需中心抽頭變壓器)而在三相整流應用中廣泛采用:
    輸出直流電壓 (V<sub>dc</sub>) 理論值約為三相輸入線電壓有效值 (V<sub>LL,rms</sub>) 的1.35倍(或相電壓有效值的2.34倍)。
    輸出直流電流 (I<sub>dc</sub>) 與流經每個二極管的平均電流關系為:I<sub>diode,avg</sub> = I<sub>dc</sub> / 3。
    三相橋式整流電路
    橋式結構使得變壓器次級繞組利用率高,電流波形更優。
    〈烜芯微/XXW〉專業制造二極管,三極管,MOS管,橋堆等,20年,工廠直銷省20%,上萬家電路電器生產企業選用,專業的工程師幫您穩定好每一批產品,如果您有遇到什么需要幫助解決的,可以直接聯系下方的聯系號碼或加QQ/微信,由我們的銷售經理給您精準的報價以及產品介紹
    聯系號碼:18923864027(同微信)
     
    QQ:709211280

    相關閱讀