最好看的2018免费观看在线-最好看的2019中文电影-最好免费观看高清视频免费-最近免费中文字幕大全免费版视频

您好!歡迎光臨烜芯微科技品牌官網!

深圳市烜芯微科技有限公司

ShenZhen XuanXinWei Technoligy Co.,Ltd
二極管、三極管、MOS管、橋堆

全國服務熱線:18923864027

  • 熱門關鍵詞:
  • 橋堆
  • 場效應管
  • 三極管
  • 二極管
  • 聲光控延時開關電路,聲光控延時開關原理介紹
    • 發布時間:2025-06-30 19:46:37
    • 來源:
    • 閱讀次數:
    聲光控延時開關電路,聲光控延時開關原理介紹
    一、聲光控技術概述
    聲光控技術是一種利用聲音和光線變化來控制電路的電子控制方法。該技術廣泛應用于節能照明控制領域,能夠實現自動控制照明設備的開關,達到節能減排的效果。
    二、聲光控延時節電電路組成
    聲光控延時節電電路主要包括聲控、光控傳感元件、放大器、由555定時器構成的單穩態延時電路以及降壓整流電路。它是一種無接觸點的智能電子開關,在特定環境光線下,通過聲響激發拾音器進行聲電轉換,控制用電器開啟,并在設定延時后自動切斷電源,實現節能控制。
    三、聲光控延時開關結構與原理
    聲光控延時開關電路
    聲光控延時開關主要由聲控開關、光控開關和延時電路三部分組成。
    (一)聲控部分
    聲控功能通過駐極體話筒實現。話筒采集環境聲音信號,將其轉換為電信號,產生脈沖信號。聲音信號的強弱直接影響輸出脈沖的幅度和頻率。
    (二)光控部分
    光控電路核心元件為光敏電阻。光敏電阻在不同光照強度下電阻值差異顯著:光照充足時呈低阻態,光照較弱或黑暗環境下呈高阻態。光敏電阻阻值變化產生高低電平信號,通過邏輯電路控制整個開關電路的通斷。
    (三)延時部分
    延時電路由電阻、電容等元件構成充放電回路。充電時,電容兩端電壓逐漸上升;放電時,電壓逐漸下降。通過對電容充放電過程的控制,實現設定的延時功能。
    四、聲光控延時開關工作過程
    (一)白天狀態
    白天光照較強,光敏電阻RG受到充足光照呈低阻態,三極管V2基極電位為低電平。由于V2是NPN型三極管,此時V2處于截止狀態。電源正極經電阻R8向三極管V3(PNP型)基極輸入高電平,使V3截止。三極管V4(NPN型)基極電位也為低電平,處于截止狀態。繼電器K不動作,常開觸點連接的LED1熄滅,電路不工作。
    (二)夜晚狀態
    無聲狀態:光線較暗,光敏電阻RG阻值增大。若有突發聲音,如拍手聲,駐極體話筒MIC接收聲音信號并轉換為電信號。該信號經電容C1輸入到由V1組成的放大器放大。放大后的信號依次通過電阻R4、電容C2、電阻R5、R6輸送至三極管V2基極。V2和V3相繼導通,V3集電極輸出電信號經二極管VD1向電容C3快速充電。電容C3兩端電壓迅速升高,使三極管V4基極電位快速上升至高電平,V4導通,繼電器K吸合。常開觸點閉合,LED1點亮。
    有聲狀態及延時過程:聲音消失后,三極管V2、V3截止。此時電容C3存儲的電荷通過電阻R9向三極管V4放電。在放電初期,電容C3電壓仍能使V4基極維持較高電位,V4持續導通,繼電器K保持吸合狀態,LED1繼續點亮。隨著電容C3電荷不斷釋放,其兩端電壓逐漸降低。當電壓降至一定程度,三極管V4基極電位不足以使其導通時,V4截止,繼電器K失電,常開觸點斷開,LED1熄滅,完成一次完整的延時控制過程。
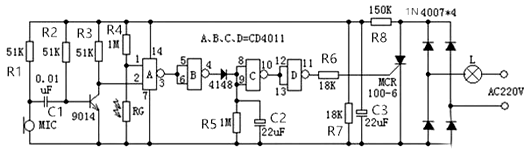
    五、聲光控延時開關電路實例
    聲光控延時開關電路
    以下為一個典型的聲光雙控延時燈電路。該電路在白天無論外界聲音如何,電燈L均保持熄滅狀態;夜晚有聲音時,電燈亮起,且在聲音消失后仍能持續亮一段時間,之后自動熄滅。整個電路涵蓋聲控、光控、邏輯、延時、執行和電源六部分。
    (一)黑夜無聲狀態
    三極管9014處于飽和導通狀態,輸出低電平。與非門A輸入高電平,輸出低電平;與非門B輸入低電平,輸出高電平;二極管4148截止。與非門C輸入低電平,輸出高電平;與非門D輸入高電平,輸出低電平,可控硅截止,電燈保持熄滅。
    (二)黑夜有聲狀態
    聲音信號觸發相關電路,使三極管9014由飽和導通轉為截止,輸出高電平。與非門A輸入低電平,輸出高電平;與非門B輸入高電平,輸出低電平;二極管4148導通,電容通過二極管4148快速充電,電容兩端電壓迅速上升。當電壓達到一定值,與非門C輸入高電平,輸出低電平;與非門D輸入低電平,輸出高電平,可控硅導通,電燈亮起。聲音消失后,電容開始放電,維持與非門輸入端高電平一段時間。隨著時間推移,電容電壓逐漸降低,當降至一定值,與非門C輸出反轉,可控硅截止,電燈熄滅,完成延時控制功能。
    〈烜芯微/XXW〉專業制造二極管,三極管,MOS管,橋堆等,20年,工廠直銷省20%,上萬家電路電器生產企業選用,專業的工程師幫您穩定好每一批產品,如果您有遇到什么需要幫助解決的,可以直接聯系下方的聯系號碼或加QQ/微信,由我們的銷售經理給您精準的報價以及產品介紹
    聯系號碼:18923864027(同微信)
     
    QQ:709211280

    相關閱讀