最好看的2018免费观看在线-最好看的2019中文电影-最好免费观看高清视频免费-最近免费中文字幕大全免费版视频

您好!歡迎光臨烜芯微科技品牌官網!

深圳市烜芯微科技有限公司

ShenZhen XuanXinWei Technoligy Co.,Ltd
二極管、三極管、MOS管、橋堆

全國服務熱線:18923864027

  • 熱門關鍵詞:
  • 橋堆
  • 場效應管
  • 三極管
  • 二極管
  • 電動機正反轉控制接線圖,接線方法詳解
    • 發布時間:2025-05-24 17:53:30
    • 來源:
    • 閱讀次數:
    電動機正反轉控制接線圖,接線方法詳解
    三相異步電動機接線詳解
    一、三相異步電動機概述
    三相異步電動機是一種將 380V 三相交流電(各相相位差 120 度)轉換為機械能的設備。其工作原理基于轉子與定子旋轉磁場同向但轉速不同的特性,由此產生的轉差率是其命名為三相異步電動機的關鍵因素。
    當三相定子繞組(電角度相差 120 度)通入三相對稱交流電時,會形成旋轉磁場。該磁場切割轉子繞組,在閉合的轉子繞組中產生感應電流。載流的轉子導體在定子旋轉磁場作用下形成電磁力,進而在電機轉軸上產生電磁轉矩,驅動電動機旋轉,且電機旋轉方向與旋轉磁場方向一致。
    二、三相異步電動機基本接線
    三相異步電動機繞組引出的六根線可組成兩種基本接法:三角形(△)接法和星形(Y)接法。這六根線對應三個電機繞組,每個繞組包含一個首端和一個尾端。使用萬用表測量同繞組首尾端時,應呈現導通狀態,即 U1—U2,V1—V2,W1—W2。
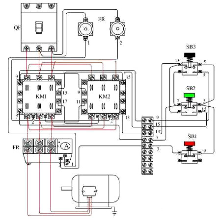
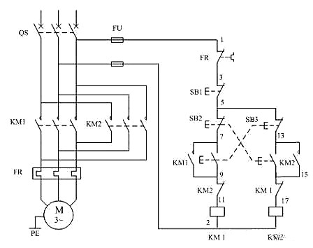
    電動機正反轉控制接線圖
    三、電動機正反轉控制接線
    實現三相異步電動機正反轉的常用方法是在正轉線路基礎上改變電動機定子繞組的任意兩相電源相序。
    具體實施中,通常采用兩個接觸器(KM1、KM2)換接電動機三相電源的相序來達成正反轉功能。然而,必須防止兩個接觸器同時吸合,否則會導致電源短路事故。為此,需在電路中設置可靠的互鎖環節。
    電動機正反轉控制接線圖
    (一)正向啟動過程
    合上空氣開關 QF,接通三相電源。
    按下正向啟動按鈕 SB3,KM1 通電吸合并實現自鎖,其主觸頭閉合,接通電動機。此時電動機的相序為 L1、L2、L3,處于正向運行狀態。
    (二)反向啟動過程
    合上空氣開關 QF,接通三相電源。
    按下反向啟動按鈕 SB2,KM2 通電吸合并借助輔助觸點自鎖,常開主觸頭閉合,同時換接電動機三相的電源相序,電動機的相序變為 L3、L2、L1,進入反向運行狀態。
    (三)互鎖環節
    接觸器互鎖 :在 KM1 線圈回路中串入 KM2 的常閉輔助觸點,在 KM2 線圈回路中串入 KM1 的常閉觸點。當正轉接觸器 KM1 線圈通電動作后,KM1 的輔助常閉觸點會斷開 KM2 線圈回路。若要使 KM1 得電吸合,必須先讓 KM2 斷電釋放,待其輔助常閉觸頭復位,從而有效避免 KM1、KM2 同時吸合引發的相間短路,此即為互鎖環節的關鍵作用。
    按鈕互鎖 :該控制電路采用控制按鈕操作的正反轉控制方式。按鈕 SB2、SB3 均具備兩個常開觸點和兩個常閉觸點,分別與 KM1、KM2 線圈的回路相連。例如,SB2 的常開觸點與接觸器 KM2 線圈串聯,常閉觸點與接觸器 KM1 線圈回路串聯;SB3 的常開觸點與接觸器 KM1 線圈串聯,常閉觸點與接觸器 KM2 線圈回路串聯。如此一來,按下 SB2 時,僅 KM2 線圈通電,KM1 斷電;按下 SB3 時,僅 KM1 線圈通電,KM2 斷電。即便同時按下 SB2 和 SB3,兩個接觸器線圈也無法通電,從而保障了電路的互鎖功能。
    需注意,KM1 和 KM2 線圈嚴禁同時通電,否則極易造成主回路電源短路,引發嚴重危險。
    (四)其他運行說明
    當電機處于正向(或反向)啟動運行狀態時,無需先按下停止按鍵,可直接按下反向(或正向)啟動按鍵,使電動機切換至反方向運行。
    電動機的過載保護通常由熱繼電器(FR)完成。
    電動機正反轉控制接線圖
    四、電動機可逆運行控制電路調試
    首先檢查主回路接線是否正確。為確保兩個接觸器動作時能可靠調換電動機相序,接線時應保證接觸器上口接線一致,在接觸器下口進行調相操作。
    經確認接線無誤后,進行通電試驗。為防止意外發生,通電試驗時應先斷開電動機的接線。
    〈烜芯微/XXW〉專業制造二極管,三極管,MOS管,橋堆等,20年,工廠直銷省20%,上萬家電路電器生產企業選用,專業的工程師幫您穩定好每一批產品,如果您有遇到什么需要幫助解決的,可以直接聯系下方的聯系號碼或加QQ/微信,由我們的銷售經理給您精準的報價以及產品介紹
     
    聯系號碼:18923864027(同微信)
     
    QQ:709211280

    相關閱讀