
傳真:
18923864027
QQ:
709211280
地址:
深圳市福田區振中路84號愛華科研樓7層
二極管限幅電路圖介紹二極管限幅電路是一種用于限制信號幅度的電路。它主要由二極管、電阻等元件構成,通過利用二極管的非線性特性來實現對
MOSFET管并聯應用時電流分配不均問題解析1 引言MOSFET管的導通電阻具有正的溫度特性,可自動調節電流,因而易于并聯應用。但由于器件自身
輸出整流二極管的常數計算介紹本文將介紹將二次側(輸出)開關電壓整流為DC的二極管的常數計算。輸出整流二極管:ND1首先來看電路圖。輸出
串聯晶體管穩壓器電路介紹晶體管的電流電阻根據輸出負載自動調整,使得輸出電壓保持在所需水平。在串聯穩壓電路中,輸入電流必須略大于輸出
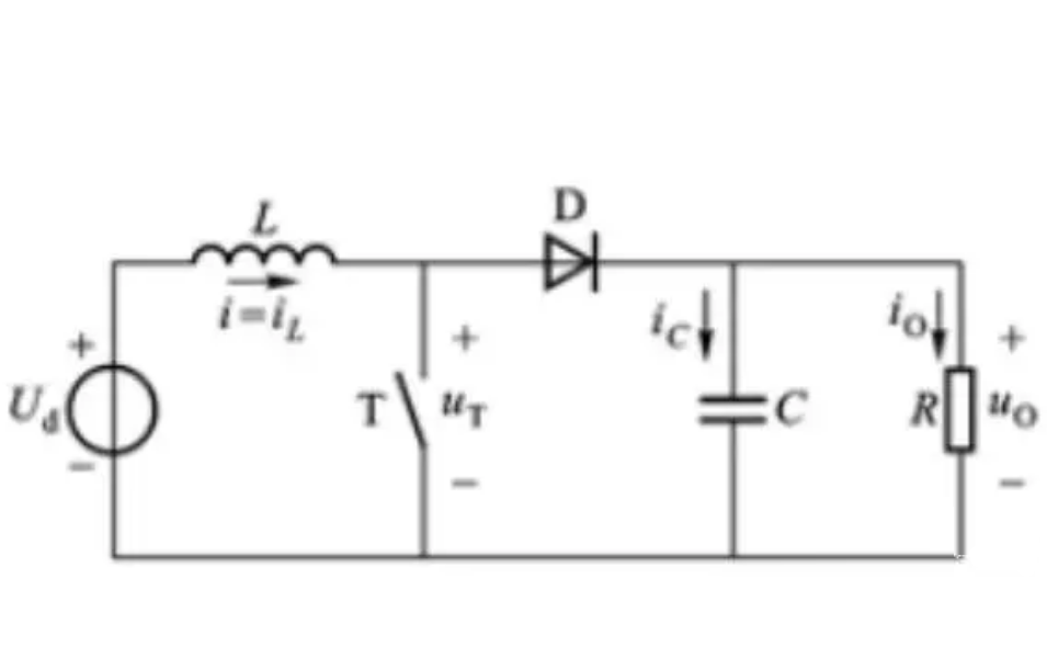
Boost升壓型DC-DC轉換電路工作原理介紹DC-DC轉換器分為三類:Boost升壓型DC-DC轉換器、BUCK降壓型DC-DC轉換器以及 Boost-BUCK升降壓型DC-D
二極管選型要看哪些參數二極管是電路板中很常見的半導體器件,具有單向導電性和整流特性。在電路中,二極管通常用于保護電路、調節電壓和電
簡述各類二極管的基本特性介紹1 穩壓二極管Zener如圖2-1所示,穩壓二極管Zener利用了PN結的反向特性,當提高PN結二極管的反向電壓時,大電
整流二極管的特征比較介紹本篇所例舉的是用于高耐壓、高電流的二極管,但按照其特性、特征、制造工藝可進行以下分類。此時,對二極管基本的
怎么理解二極管的反向恢復過程二極管的反向恢復過程二極管從正向導通到截止有一個反向恢復過程在上圖所示的硅二極管電路中加入一個如下圖所
開關管的電壓尖峰抑制方法介紹演示的電路還是上次的那副800uH電感的電路,電壓尖峰演示電路通過上次的實驗我們知道,在90V電源下,800uH電
NPN管的集電極電流的伏安特性與主要參數介紹1、晶閘管(SCR)晶體閘流管簡稱晶閘管,也稱為可控硅整流元件(SCR),是由三個PN結構成的一種
介紹為什么要用肖特基二極管續流我們來看一個問題:為什么開關電源中,一般用肖特基二極管續流,不用快恢復二極管呢?答案主要有兩點:一是