最好看的2018免费观看在线-最好看的2019中文电影-最好免费观看高清视频免费-最近免费中文字幕大全免费版视频

您好!歡迎光臨烜芯微科技品牌官網!

深圳市烜芯微科技有限公司

ShenZhen XuanXinWei Technoligy Co.,Ltd
二極管、三極管、MOS管、橋堆

全國服務熱線:18923864027

  • 熱門關鍵詞:
  • 橋堆
  • 場效應管
  • 三極管
  • 二極管
  • buck電路上電燒mos管,怎么修改與mos管并聯的驅動電阻如何配置
    • 發布時間:2025-01-02 19:18:43
    • 來源:
    • 閱讀次數:
    buck電路上電燒mos管,怎么修改與mos管并聯的驅動電阻如何配置
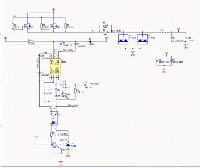
    問題一、雙N溝道mos buck電路上電燒mos管該如何修改?
    buck電路 燒mos管 mos管并聯驅動電阻
    48V轉13V非隔離buck直流電路。現在設定好25A負載后上電測試會出現板子上其中一個mos燒壞的現象,把壞的mos換了再測就不會再出現問題。
    我用示波器測良品mos DS電壓最高是64V,低于手冊標注的最高80V,柵極開啟電壓15V,低于手冊標注的最高25V,mos開關的時間(上升沿和下降沿)夠短,產品有限流保護,30A時電壓會被拉很低9-10V。
    請問該怎么去測量和分析
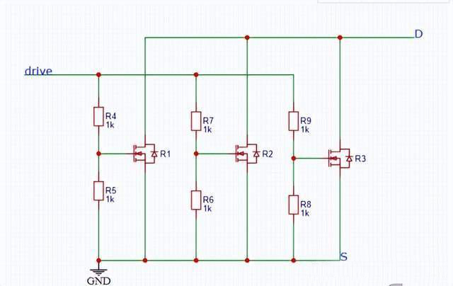
    問題二、mos管并聯的驅動電阻如何配置,開啟電壓如何確定?
    buck電路 燒mos管 mos管并聯驅動電阻
    mos管并聯可以增大電流能力,并聯MOS管需要注意mos管的哪些特性,比如開通關斷延遲時間,開啟電壓?
    上面的連接正確嗎?
    上期解答:
    上期解答一、只有開關器件截止的時候會,因為存在這個漏感,一旦截止就會產生反電動勢,MOS這樣的尤其容易被擊穿。如圖的漏感,簡單理解就是,在導通時的感應電壓是上正下負,而且此時的MOS管導通,所以這個上正下負的漏感電壓就不會對MOS造成損壞。
    上期解答二、MOS管導通后,反向時主要是流過溝道,因為體二極管本身有比較大的二極管壓降,約為0.7V,溝道相當于把體二極管給短路了。
    〈烜芯微/XXW〉專業制造二極管,三極管,MOS管,橋堆等,20年,工廠直銷省20%,上萬家電路電器生產企業選用,專業的工程師幫您穩定好每一批產品,如果您有遇到什么需要幫助解決的,可以直接聯系下方的聯系號碼或加QQ/微信,由我們的銷售經理給您精準的報價以及產品介紹
     
    聯系號碼:18923864027(同微信)
     
    QQ:709211280

    相關閱讀