最好看的2018免费观看在线-最好看的2019中文电影-最好免费观看高清视频免费-最近免费中文字幕大全免费版视频

您好!歡迎光臨烜芯微科技品牌官網!

深圳市烜芯微科技有限公司

ShenZhen XuanXinWei Technoligy Co.,Ltd
二極管、三極管、MOS管、橋堆

全國服務熱線:18923864027

  • 熱門關鍵詞:
  • 橋堆
  • 場效應管
  • 三極管
  • 二極管
  • 基于LM567和CMOS器件組成的校時電路解析
    • 發布時間:2024-09-26 13:38:16
    • 來源:
    • 閱讀次數:
    基于LM567和CMOS器件組成的校時電路解析
    石英數字鐘由于石英晶體的老化、溫度的變化以及其它因素的影響,若長時間不去校正走時,累加起來的計時誤差是可觀的。對用戶來講,希望電子鐘通電后,經過一次性調時,能準確地完成時間顯示和對其它外圍設備進行一系列的時間控制功能。
    1.校時電路
    就目前公開的校時電路而言,電路設計的指導思想是采用帶通濾波技術,取出對時信號。本文介紹的校時電路,采用頻率解碼技術,使校時電路性能更加可靠,電路調試更為簡單。由鎖相環LM567和CMOS器件組成的校時電路如圖1所示,下面作一介紹。
    LM567 CMOS組成校時電路
    圖1校時電路
    2.頻率解碼電路
    要完成自動校時功能;需要一個準確的對時信號源,本文采用的是中央人民廣播電臺播放出的五聲頻率為800HZ和一聲頻率為1600HZ的對時信號。在每天晚上23點59分40秒時(由數字鐘事先預置),收音機自動接上電源于V1,頻率解碼電路接收收音機功放輸出的對時信號,分別對800HZ和1600HZ頻率的對時信號進行頻率解碼。
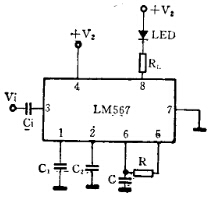
    集成鎖相環路解碼器LM567是美國國家半導體公司生產的56系列集成鎖相環路中的一種,其同類產品還有SE567/INE567等。LM567是一個高穩定性的低頻集成鎖相環路解碼器。LM567的引腳功能見圖2。
    LM567 CMOS組成校時電路
    圖2LM567框圖
    LM567的第6端與地之間外接電容C和第5、6端之間外接的電阻R決定了環路中心頻率人,腳1、2通常是分別對地接一電容,形成輸出濾波網絡和環路單極低通濾波網絡,第2腳所接電容決定鎖相環的捕捉帶寬,電容數值越大,環路帶寬越窄,腳1所接電容的選擇通常是腳2電容數值的兩倍。第3腳是信號輸入端,腳8是邏輯輸出端,允許最大灌電流為100mA。LM567的工作電壓為4.75—9V,工作頻率范圍0.IHZ~500kHZ,靜態工作電流為8mA。
    為了更好地說明頻率解碼電路的參數選擇,將其電路單獨畫出見圖3。其工作原理是從收音機輸出的一定幅度的音頻信號I”。,其頻率在器件帶寬內時,第8腳由高電平變為低電平,同時發光M極管LED由暗到亮,表示器件環路鎖定。
    LM567 CMOS組成校時電路
    圖3頻率解碼電路
    頻率解碼器帶寬BW通常用帶寬與中心頻率f0。比的百分值表示為%f0,這帶寬與環路濾波器外接電容O2有關,也隨輸人信號的幅度而變化。在輸人信號幅度V4小于200mV時,可用下式計算,而當輸入信號幅度V4超過200mV之后,帶寬不會再加大。
    LM567 CMOS組成校時電路
    中心頻率由B和C決定,可用下式計算
    LM567 CMOS組成校時電路
    調節收音機音量開關,使Vt一25mV,取O2=O1/2=1uF,C=0.1uF,這樣由上述公式可以計算失于800HZ頻率解碼電路和1600HZ頻率解碼電路的BW/f0和R的設計值,見表1。
    LM567 CMOS組成校時電路
    設計值R可由固定電阻和電位器組成,調整電位器的阻值,可在LM567腳5觀察到所需中心頻率f0的脈沖波形,其高電平為十V2一VBE,低電平為VBE。
    眾所周之,鎖定時間與帶寬成反比關系,由LM567的技術手冊可知,在最壞情況下(Vt>200mV),兩個頻率解碼電路的鎖定時間均小于100ms,完全可以把中央電臺播出的800HZ和1600HZ頻率信號解碼輸出。
    3.整機工作原理
    數字電子鐘開機時,同時接通校時電路電源+V2,+V2經電阻Rr1和電容Cr1構成的微分電路在A端形成一正脈沖,使由兩個或非門(ll)、(lll)構成的基本RS觸發器的輸出端/Q=0,三極管T截止,繼電器J處于常開狀態,收音機電源十V1未接通。同時R-S觸發器的輸出端Q=1,這個正跳變經電阻Rr2和電容Cr2構成的微分電路,在B點形成一正脈沖分兩路傳送;一路到電子鐘復位,顯示為零點,此時根據實際時間進行走時調整,一路送至CC4022復位端CR,使Q。=1;或非門(l)輸出為0,R-S觸發器維持原態。
    當電子鐘走時為23點59分40秒時,給校時電路輸入一正跳變脈沖,經電阻Rr2和電容Cr2構成的微分電路,使R-S觸發器/Q=1,三極管T飽和導通,繼電器J閉合,收音機電源十V1接通。兩個頻率解碼電路等待電臺對時信號的到來,順便提一下,從第一聲800Hz對時信號播出到最后一聲1600HZ對時信號結束,時間間隔為10秒。CC4022為八進制計數/分配器,當收音機輸出800HZ對時信號時,LM567(800HZ)頻率解碼電路捕捉并鎖定;腳8輸出低電平,這一負跳變送至CC4022的EN端計數。
    當收音機播完五聲800HZ的對時信號時,CC4022的Qco=0,特別說明一下,用CC4022對五聲800HZ對時信號的解碼次數進行計數,不使用輸出端yn,而采用進位輸出端Qco,其主要目的是提高800HZ頻率解碼電路的容錯能力。當收音機播完最后一聲1600HZ的對時信號時,LM567(1600HZ)頻率解碼電路捕捉并鎖定,腳8輸出為0、由于CC4022的Qco=0,這樣或非門(l)輸出為1,使R-S觸發器的/Q=0,Q=1。/Q=0使三極管T截止,斷開收音機電源十V1,Q=1經微分電路在B形成一正脈沖,一路送至CC4022的Cr端清零,另一路送至電子鐘復位,校正走時誤差,顯示零點,與北京時間同步。
    如果設置數字電子鐘在每天23點50分40秒給核時電路輸入一正跳變脈沖,那么電子鐘一天走時誤差允許范圍為:走快不限制,慢走為10秒。當然這可根據實際情況設定輸入時刻。每天校時誤差小于0.1秒,且每天的誤差不累計。
    〈烜芯微/XXW〉專業制造二極管,三極管,MOS管,橋堆等,20年,工廠直銷省20%,上萬家電路電器生產企業選用,專業的工程師幫您穩定好每一批產品,如果您有遇到什么需要幫助解決的,可以直接聯系下方的聯系號碼或加QQ/微信,由我們的銷售經理給您精準的報價以及產品介紹
     
    聯系號碼:18923864027(同微信)
     
    QQ:709211280

    相關閱讀