最好看的2018免费观看在线-最好看的2019中文电影-最好免费观看高清视频免费-最近免费中文字幕大全免费版视频

您好!歡迎光臨烜芯微科技品牌官網!

深圳市烜芯微科技有限公司

ShenZhen XuanXinWei Technoligy Co.,Ltd
二極管、三極管、MOS管、橋堆

全國服務熱線:18923864027

  • 熱門關鍵詞:
  • 橋堆
  • 場效應管
  • 三極管
  • 二極管
  • 三電平全橋LLC電路原理解析
    • 發布時間:2024-08-09 17:59:53
    • 來源:
    • 閱讀次數:
    三電平全橋LLC電路原理解析
    三相模塊的母線電壓可以達到800V,如果DCDC仍然采用傳統的兩電平拓撲,那么DC MOS管必須采用1200V耐壓的MOS管。而目前市場上這樣的MOS管型號非常少,而且很貴。如果采用三電平拓撲,就可以繼續采用600V的MOS管了,型號豐富,成本也低。
    三電平PWM控制已經得到了成熟應用,但是傳統的PWM拓撲整體效率低,所以在三電平的基礎上,又采用了LLC拓撲,該拓撲從成本、效率等方面都得到了很好的兼顧。
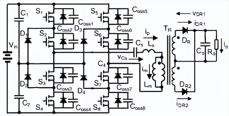
    三電平全橋LLC電路
    三電平全橋LLC主電路拓撲
    電路說明:
    1、諧振電感和諧振電容做成兩邊平衡的方式,是因為項目組在實驗過程中發現如果是單Lr, Cr模式,MOS驅動信號容易受干擾,拆成兩邊對稱放置以后,驅動可靠性提高;
    三電平全橋LLC電路拓撲示意圖如圖(圖 五?3)所示,有8個開關管S1~S8,需要8路驅動信號來完成PFM(調頻)、PWM(調寬)控制,S1~S8對應的高精度驅動信號編號為PWM1~PWM8。
    注:PWM并不單指控制策略采用PWM方式時的開關信號,也包括PFM方式時的開關信號。
    三電平全橋LLC電路
    三電平LLC電路拓撲框圖
    在此三電平LLC電路控制中,設計8路驅動信號PWM1~PWM8,從(圖 五?4)的發波時序圖來看,這8路驅動有下面的關系:
    1) PWM1和PWM4,PWM2和PWM3,PWM5和PWM8,PWM6和PWM7相位互補(不考慮死區時間Td2和提前關斷時間Td1);
    2) PWM1比PWM2提前Td1關斷,PWM4比PWM3提前Td1關斷,PWM5比PWM6提前Td1關斷,PWM8比PWM7提前Td1關斷;
    根據控制策略需要,PWM1~PWM8可以實現高精度PFM/PWM/PSM(或者同時實現其中兩個狀態,如PFM+PWM),在三種控制狀態(PFM/PSM/PWM)下PWM1~PWM8在一個開關周期內的輸出波形如圖(圖 五?4)所示,以高電平(或者為低電平)為有效電平,當PWMx(x=1~8)為高時通過相應的驅動電路使得Sx導通,當PWMx為低時通過相應的驅動電路使得Sx斷開。
    三電平全橋LLC電路
    圖 五 4 高精度驅動信號時序圖
    PFM/PSM/PWM三種工作態下的特性分別為:
    1) 在PFM狀態時,通過環路控制改變開關頻率f(或者說Ts),開關頻率f在100kHz~250kHz之間調節,占空比固定為50%(不考慮死區時間Td2和提前關斷時間Td1),相移Tps為0;
    三電平全橋LLC電路
    2) 在PSM狀態時,通過環路控制改變相移Tps,移相功率角在0~100%之間調節, f固定為最高開關頻率250kHz,占空比固定為50%(不考慮死區時間Td2和提前關斷時間Td1);
    3) 在PWM狀態時,通過環路控制改變占空比,占空比在0~50%之間調節, f固定為最高開關頻率250kHz,相移Tps為0。
    圖 五 5 PFM模態下主要工作原理和波形
    以常用的PFM為例,來說明電路的主要工作原理和波形,如下圖 五?5:
    模態 1[t0, t1]:在 t0 時刻,S1、S2、S7、S8同時開通。諧振網絡中的原邊電流 ip 流經上述開關管,并以正弦形式上升。同時因為變壓器副邊被輸出電壓鉗位,故而勵磁電流 im線性增加。副邊整流二極管中流過的電流取決于原邊電流 ip 和勵磁電流 im之差;
    模態 2[t1, t2]:當原邊電流 ip 諧振過峰值并下降到和勵磁電流 im相等時,副邊二極管電流就減小為零,整流二極管 DR1 零電流關斷;
    模態 3[t2, t3]:在 t2 時刻,S1 和 S8 先于 S2和 S7關斷。原邊諧振電流 ip開始對 S1和 S8的寄生電容 COSS1 和 COSS8 進行充電,同時對 S3/S4/ S5/S6 的寄生電容 COSS3 /COSS4/COSS5 /COSS6 放電,因此上述開關管的寄生電容也參與了諧振過程;
    模態 4[t3, t4]:在 t3 時刻,COSS1 和 COSS8上的電壓上升到了 Vin/2,鉗位二極管 D1 和 D4導通,從而限制了電壓進一步上升。同時 COSS3+COSS4和 COSS5+ COSS6 上的電壓也被鉗位在Vin/2。此時原邊諧振電流流經 S2、S7 和 D1、D4 。
    模態 5[t4, t5]:在 t4 時刻,開關管 S2 和 S7關斷。 與模態 3 相似, 諧振電流 ip 開始對 COSS2和COSS7進行充電和對COSS3+COSS4和 COSS5+ COSS6進行放電。所以此階段上述6個寄生電容也參與了諧振過程。與此同時 S3/S4 /S5/S6 的寄生體二極管導通,不但提供了電流回路使能量回饋至輸入端,也在變壓器上產生了反向的電壓偏置,使副邊整流二極管 DR2 導通,勵磁電感 Lm 被輸出電壓鉗位從而脫離諧振網絡。
    在這一階段結束的 t5 時刻,COSS2 和 COSS7上的電壓為 Vin/2, COSS3~ COSS6 上的電壓保持在零,諧振電流 ip 流經 S3~S6 的寄生二極管,從而滿足了 S3~S6 零電壓開啟的條件。此時如果 S3~S6 的開通信號來臨,變流器將進入后半個工作周期。
    PSM/PWM工作原理均與PFM類似,只是傳能階段的時間縮小了,即有效占空比減小,這樣便于在最高頻率受限的情況下,迅速的降低輸出電壓。
    〈烜芯微/XXW〉專業制造二極管,三極管,MOS管,橋堆等,20年,工廠直銷省20%,上萬家電路電器生產企業選用,專業的工程師幫您穩定好每一批產品,如果您有遇到什么需要幫助解決的,可以直接聯系下方的聯系號碼或加QQ/微信,由我們的銷售經理給您精準的報價以及產品介紹
     
    聯系號碼:18923864027(同微信)
    QQ:709211280

    相關閱讀