最好看的2018免费观看在线-最好看的2019中文电影-最好免费观看高清视频免费-最近免费中文字幕大全免费版视频

您好!歡迎光臨烜芯微科技品牌官網!

深圳市烜芯微科技有限公司

ShenZhen XuanXinWei Technoligy Co.,Ltd
二極管、三極管、MOS管、橋堆

全國服務熱線:18923864027

  • 熱門關鍵詞:
  • 橋堆
  • 場效應管
  • 三極管
  • 二極管
  • 穩壓管工作原理,應用電路,作用詳解
    • 發布時間:2024-07-08 19:13:52
    • 來源:
    • 閱讀次數:
    穩壓管工作原理,應用電路,作用詳解
    穩壓管工作原理分析
    穩壓二極管(齊納二極管)是一種硅材料制成的面接觸型晶體二極管,簡稱穩壓管;是一種直到臨界反向擊穿電壓前都具有很高電阻的半導體器件。
    穩壓管在反向擊穿時,在一定的電流范圍內(或者說在一定功率損耗范圍內),端電壓幾乎不變,表現出穩壓特性,因而廣泛應用于穩壓電源與限幅電路之中。
    穩壓管工作原理
    穩壓管電路由限流電阻R1和穩壓管D1組成。Ui是輸入電壓;Uo是輸出電壓,即穩壓管兩端的電壓Vz(電路是并聯)。本例電路既可以作為基準電壓源,也可以單獨作為輸出電壓固定、負載電流較小的穩壓電路中使用,實用性較強。
    穩壓管工作原理
    穩壓管工作原理分析:
    當負載電阻不變,輸入電壓Ui增大(或者輸入電壓不變,負載電阻RL增加)時,輸出電壓Uo將上升,使穩壓管D1的反向電壓會略有增加,隨之流過穩壓管D1的電流增加,于是流過電阻R1的電流將增加,限流電阻R1上的壓降將變大,使得Ui增量的大部分壓降在R1上被消耗,從而使輸出電壓Uo基本維持不變。
    反之,當負載電阻不變,輸入電壓Ui下降(或者輸入電壓不變,負載電阻RL減小)時,輸出電壓Uo將下降,使穩壓管D1的反向電壓也隨之下降,流過穩壓管D1的反向電流也略微下降,于是,流過電阻R1的電流將減少,限流電阻R1上的壓降將變小,這樣Uo的電壓又會上升,這樣穩定后,電壓Uo還是基本維持不變。
    穩壓二極管伏安特性
    穩壓管工作原理
    當電壓達到穩壓值Uz時,曲線很陡,說明流過穩壓二極管的電流在大小變化時,穩壓二極管兩端的電壓大小基本不變,也就是說在一定電壓范圍內,隨著流過穩壓二極管的電流變化,穩壓二極管兩端電壓大小基本保持不變,這就是穩壓二極管的工作原理,它利用的是它的反向工作特性。
    穩壓管在電路中的作用:
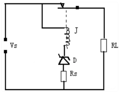
    1、浪涌保護電路:穩壓管在準確的電壓下擊穿,這就使得它可作為限制或保護之元件來使用,因為各種電壓的穩壓二極管都可以得到,故對于這種應用特別適宜。穩壓二極管D是作為過壓保護器件。只要電源電壓VS超過二極管的穩壓值D就導通,使繼電器J吸合負載RL就與電源分開。
    2、電視機里的過壓保護電路:EC是電視機主供電壓。當EC電壓過高時,D導通,三極管BG導通,其集電極電位將由原來的高電平(5V)變為低電平,通過待機控制線的控制使電視機進入待機保護狀態。
    3、電弧抑制電路:在電感線圈上并聯接入一只合適的穩壓二極管(也可接入一只普通二極管原理一樣)的話,當線圈在導通狀態切斷時,由于其電磁能釋放所產生的高壓就被二極管所吸收,所以當開關斷開時,開關的電弧也就被消除了。這個應用電路在工業上用得比較多,如一些較大功率的電磁吸控制電路就用到它。
    穩壓管的應用電路
    典型的串聯型穩壓電路
    穩壓管工作原理
    浪涌保護電路
    穩壓管工作原理
    〈烜芯微/XXW〉專業制造二極管,三極管,MOS管,橋堆等,20年,工廠直銷省20%,上萬家電路電器生產企業選用,專業的工程師幫您穩定好每一批產品,如果您有遇到什么需要幫助解決的,可以直接聯系下方的聯系號碼或加QQ/微信,由我們的銷售經理給您精準的報價以及產品介紹
     
    聯系號碼:18923864027(同微信)
    QQ:709211280
    相關閱讀