最好看的2018免费观看在线-最好看的2019中文电影-最好免费观看高清视频免费-最近免费中文字幕大全免费版视频

您好!歡迎光臨烜芯微科技品牌官網!

深圳市烜芯微科技有限公司

ShenZhen XuanXinWei Technoligy Co.,Ltd
二極管、三極管、MOS管、橋堆

全國服務熱線:18923864027

  • 熱門關鍵詞:
  • 橋堆
  • 場效應管
  • 三極管
  • 二極管
  • 與非門電路和原理圖介紹
    • 發布時間:2024-07-02 18:19:04
    • 來源:
    • 閱讀次數:
    與非門電路和原理圖介紹
    與非門電路
    與非門是與門和非門的結合,先進行與運算,再進行非運算。與非門是當輸入端中有1個或1個以上是低電平時,輸出為高電平;只有所有輸入是高電平時,輸出才是低電平。
    與非運算輸入要求有兩個,如果輸入都用0和1表示的話,那么與運算的結果就是這兩個數的乘積。如1和1(兩端都有信號),則輸出為0;1和0,則輸出為1;0和0,則輸出為1。與非門的結果就是對兩個輸入信號先進行與運算,再對此與運算結果進行非運算的結果。簡單說,與非與非,就是先與后非。
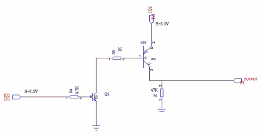
    與非門電路原理分析
    當輸入IO1為高電平+3.3V,輸入IO2也為高電平+3.3V時,Q9基極通過R4接到+3.3V,發射極接地,形成回路,Q9導通。
    與非門電路
    Q10發射極接+3.3V,基極通過R5以及導通的Q9接地,形成回路,從而Q10導通,導通后Q10的發射極和集電極壓降為0.3V,則輸出點電壓為+3V,即為輸出高電平1。
    與非門電路
    當輸入I01為低時,Q9集電極和發射極未導通,Q9的發射極和基極無法形成回路,則Q10的集電極和發射極不能導通,輸出被R9拉到地端,即輸出低電平0;
    與非門電路
    輸入2為低時,則Q10的Ueb不可能大于0.7V,即Q10的發射極與集電極不能導通,輸出點電平被鉗位到地端,即低電平0。
    與非門電路
    對應真值表如下:
    與非門電路
    非門可以簡單理解為將“1”轉化為“0”或將“0”轉化為“1”的一個步驟,即
    與非門電路
    對應真值表如下:
    與非門電路
    我們從其結果來看,異或門(XOR)就是建立在以上兩種門之上。
    〈烜芯微/XXW〉專業制造二極管,三極管,MOS管,橋堆等,20年,工廠直銷省20%,上萬家電路電器生產企業選用,專業的工程師幫您穩定好每一批產品,如果您有遇到什么需要幫助解決的,可以直接聯系下方的聯系號碼或加QQ/微信,由我們的銷售經理給您精準的報價以及產品介紹
     
    聯系號碼:18923864027(同微信)
    QQ:709211280

    相關閱讀