簡單直流降壓電路圖
DC-DC變換器的基本電路有升壓變換器、降壓變換器、升降壓變換器三種。
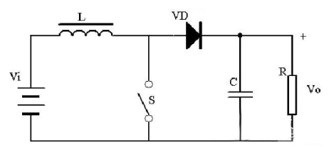
降壓變換器原理圖如圖1所示,當開關閉合時,加在電感兩端的電壓為(Vi-Vo),此時電感由電壓(Vi-Vo)勵磁,電感增加的磁通為:(Vi-Vo)*Ton。
當開關斷開時,由于輸出電流的連續,二極管VD變為導通,電感削磁,電感減少的磁通為:(Vo)*Toff。
當開關閉合與開關斷開的狀態達到平衡時,(Vi-Vo)*Ton=(Vo)*Toff,由于占空比D《1,所以Vi》Vo,實現降壓功能。


圖1; 降壓變換器原理圖
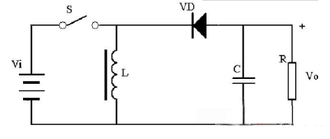
升壓變換器原理圖如圖2所示,當開關閉合時,輸入電壓加在電感上,此時電感由電壓(Vi)勵磁,電感增加的磁通為:(Vi)*Ton。
當開關斷開時,由于輸出電流的連續,二極管VD變為導通,電感削磁,電感減少的磁通為:(Vo-Vi)*Toff。
當開關閉合與開關斷開的狀態達到平衡時,(Vi)*Ton=(Vo-Vi)*Toff,由于占空比D《1,所以Vi。


圖2;升壓變換器原理圖
升降壓變換器、入出極性相反原理如圖3,當開關閉合時,此時電感由電壓(Vi)勵磁,電感增加的磁通為:(Vi)*Ton;當開關斷開時,電感削磁,電感減少的磁通為:(Vo)*Toff。
當開關閉合與開關斷開的狀態達到平衡時,增加的磁通等于減少的磁通,(Vi)*Ton=(Vo)*Toff,根據Ton比Toff值不同,可能Vi《Vo,也可能Vi》Vo。


圖3;升降壓變換器原理圖
〈烜芯微/XXW〉專業制造二極管,三極管,MOS管,橋堆等,20年,工廠直銷省20%,上萬家電路電器生產企業選用,專業的工程師幫您穩定好每一批產品,如果您有遇到什么需要幫助解決的,可以直接聯系下方的聯系號碼或加QQ/微信,由我們的銷售經理給您精準的報價以及產品介紹
聯系號碼:18923864027(同微信)
QQ:709211280

