最好看的2018免费观看在线-最好看的2019中文电影-最好免费观看高清视频免费-最近免费中文字幕大全免费版视频

您好!歡迎光臨烜芯微科技品牌官網!

深圳市烜芯微科技有限公司

ShenZhen XuanXinWei Technoligy Co.,Ltd
二極管、三極管、MOS管、橋堆

全國服務熱線:18923864027

  • 熱門關鍵詞:
  • 橋堆
  • 場效應管
  • 三極管
  • 二極管
  • 數模轉換電路圖,數模轉換電路原理介紹
    • 發布時間:2024-05-25 17:30:29
    • 來源:
    • 閱讀次數:
    數模轉換電路圖,數模轉換電路原理介紹
    數模轉換器,即D/A轉換器,簡稱DAC,是將數字數據轉換為模擬信號的設備。數模轉換就是將離散的數字量轉換為連接變化的模擬量,實現該功能的電路或器件稱為數模轉換電路,通常稱為D/A轉換器或DAC。
    數模轉換的內部電路構成無太大差異,一般按輸出是電流還是電壓、能否作乘法運算等進行分類。
    D/A轉換器基本上由4個部分組成,即權電阻網絡、運算放大器、基準電源和模擬開關。
    解碼原理
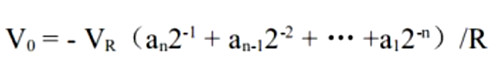
    D/A轉換的解碼原理涉及到代數的基本定律,如下所示:
    數模轉換電路
    說白了就是任意一個非負整數A,都可以用一個t進制數表示。其中,t表示進制數,比如常用的t=2就表示二進制的進制數,n表示位數,ai即對應位數上的數值。
    那么,如果將上式中的A換成要轉換的模擬量,就可以看成是對多個較小模擬量tn加權求和得到,權值即為ai(i=0,1,2,...,n)。
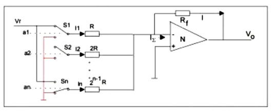
    權電阻網絡D/A轉換器
    這里給出一種工作原理簡明的權電阻網絡D/A轉換電路如下圖所示:
    數模轉換電路
    數模轉換電路
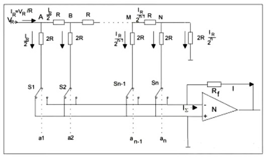
    T型R-2R電阻網絡D/A轉換器
    如下圖所示是一種實用的T型電阻網絡D/A轉換電路:
    數模轉換電路
    在該電路中,由于運算放大器的虛短特性,不論開關處于何種狀態,S1~Sn的各點電位均可認為0(虛地或實地)。
    那么,從右到左觀察圖中N、M、...、B、A各點,從各點向右看對地電阻都是R;從左到右分析,可得各路的電流分配,其規律是IR/2、IR/4、...、IR/2n-1、IR/2n。
    滿足按權分布的要求,可得:
    數模轉換電路
    從而實現D/A轉換。
    〈烜芯微/XXW〉專業制造二極管,三極管,MOS管,橋堆等,20年,工廠直銷省20%,上萬家電路電器生產企業選用,專業的工程師幫您穩定好每一批產品,如果您有遇到什么需要幫助解決的,可以直接聯系下方的聯系號碼或加QQ/微信,由我們的銷售經理給您精準的報價以及產品介紹
     
    聯系號碼:18923864027(同微信)
    QQ:709211280

    相關閱讀