最好看的2018免费观看在线-最好看的2019中文电影-最好免费观看高清视频免费-最近免费中文字幕大全免费版视频

您好!歡迎光臨烜芯微科技品牌官網!

深圳市烜芯微科技有限公司

ShenZhen XuanXinWei Technoligy Co.,Ltd
二極管、三極管、MOS管、橋堆

全國服務熱線:18923864027

  • 熱門關鍵詞:
  • 橋堆
  • 場效應管
  • 三極管
  • 二極管
  • 濾波器電路,濾波器電路設計,濾波電路圖介紹
    • 發布時間:2024-05-11 17:29:57
    • 來源:
    • 閱讀次數:
    濾波器電路,濾波器電路設計,濾波電路圖介紹
    濾波電路作用
    濾波電路的基本作用是讓某種頻率的電流通過或阻止某種頻率的電流通過。另外是盡可能減小脈動的直流電壓中的交流成分,保留其直流成分,使輸出電壓紋波系數降低,波形變得比較平滑。
    根據幅頻特性所表示的通過或阻止信號頻率范圍的不同,濾波器可分為低通濾波器(LPF)、高通濾波器(HPF)、帶通濾波器(BPF)、和帶阻濾波器(BEF)四種。
    理想低通濾波器
    圖是理想低通濾波器,它允許低頻信號無損耗地通過濾波器,當信號頻率超過截止頻率后,信號的衰減為無窮大。
    濾波器電路
    理想高通濾波器
    圖是理想高通濾波器,它與理想低通濾波器正好相反,允許高頻信號無損耗地通過濾波器,當信號頻率低于截止頻率后,信號的衰減為無窮大。
    濾波器電路
    濾波器電路設計
    許多音響裝置的頻譜分析器均使用此電路作為帶通濾波器,以選出各個不同頻段的信號,在顯示上利用發光二極管點亮的多少來指示出信號幅度的大小。這種有源帶通濾波器的中心頻率 ,在中心頻率fo處的電壓增益Ao=B3/2B1,品質因數 ,3dB帶寬B=1/(п*R3*C)也可根據設計確定的Q、fo、Ao值,去求出帶通濾波器的各元件參數值。R1=Q/(2пfoAoC),R2=Q/((2Q2-Ao)*2пfoC),R3=2Q/(2пfoC)。式中,當fo=1KHz時,C取0.01Uf。此電路亦可用于一般的選頻放大。 有源帶通濾波器電路
    此電路亦可使用單電源,只需將運放正輸入端偏置在1/2V+并將電阻R2下端接到運放正輸入端既可。
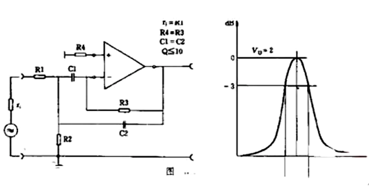
    帶通濾波器原理圖
    濾波器電路
    帶通濾波器原理圖該電路中事先確定R1的值,其大小與信號源內阻r1相近/參數選取原理是R4=R3,C1約等于C2,Q小于等于R1,500K》R》1K,0.5uF》C》200pF.
    〈烜芯微/XXW〉專業制造二極管,三極管,MOS管,橋堆等,20年,工廠直銷省20%,上萬家電路電器生產企業選用,專業的工程師幫您穩定好每一批產品,如果您有遇到什么需要幫助解決的,可以直接聯系下方的聯系號碼或加QQ/微信,由我們的銷售經理給您精準的報價以及產品介紹
     
    聯系號碼:18923864027(同微信)
    QQ:709211280

    相關閱讀