最好看的2018免费观看在线-最好看的2019中文电影-最好免费观看高清视频免费-最近免费中文字幕大全免费版视频

您好!歡迎光臨烜芯微科技品牌官網!

深圳市烜芯微科技有限公司

ShenZhen XuanXinWei Technoligy Co.,Ltd
二極管、三極管、MOS管、橋堆

全國服務熱線:18923864027

  • 熱門關鍵詞:
  • 橋堆
  • 場效應管
  • 三極管
  • 二極管
  • 三節鋰電池串聯充電電路,充放電電路方案圖解
    • 發布時間:2024-05-05 15:25:16
    • 來源:
    • 閱讀次數:
    三節鋰電池串聯充電電路,充放電電路方案圖解
    三節鋰電池串聯充電電路:
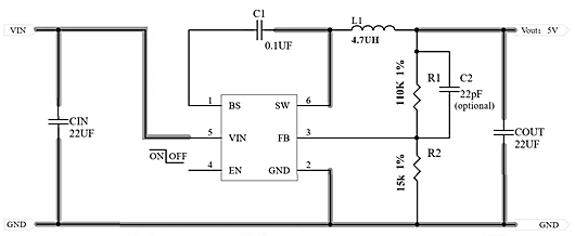
    1,PW4053,輸入5V,升壓輸出12.6V的三節鋰電池充電管理芯片,1A;
    2,PW4203,輸入15V-20V,降壓輸出12.6V的三節鋰電池充電電流芯片,2A。
    三節鋰電池串聯充電電路
    鋰電池如是可拆卸和拔插應用時,會產生浪涌瞬間尖峰高壓,CBAT需改成100uF電解電容。
    15V-20V輸入給三節鋰電池充電芯片電路圖
    三節鋰電池串聯充電電路
    三節鋰電池串聯輸出電路:
    對于三節鋰電池的輸出來說,如果是DC-DC的話,就由1A-5A的多種選擇了。
    如果是LDO的話,就有兩個,PW6218輸入電壓最大18V,PW6206輸入電壓最大40V,都是SOT23-3封裝。
    三節鋰電池串聯充電電路
    三節鋰電池串聯充電電路
    PW2162,輸入4V-16V,最大2A;PW2312,輸入4V-30V,最大1.2A
    PW2163,輸入4V-18V,最大3A;4A,5A的電路不一樣,SOP8封裝。
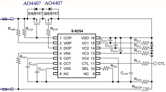
    三節鋰電池串聯保護電路:
    三節鋰電池保護電路一般都是精工的比較常見的多,三節,四節等等。
    三節鋰電池串聯充電電路
    S-8254三節鋰電池串聯保護板電路
    〈烜芯微/XXW〉專業制造二極管,三極管,MOS管,橋堆等,20年,工廠直銷省20%,上萬家電路電器生產企業選用,專業的工程師幫您穩定好每一批產品,如果您有遇到什么需要幫助解決的,可以直接聯系下方的聯系號碼或加QQ/微信,由我們的銷售經理給您精準的報價以及產品介紹
     
    聯系號碼:18923864027(同微信)
    QQ:709211280

    相關閱讀