最好看的2018免费观看在线-最好看的2019中文电影-最好免费观看高清视频免费-最近免费中文字幕大全免费版视频

您好!歡迎光臨烜芯微科技品牌官網!

深圳市烜芯微科技有限公司

ShenZhen XuanXinWei Technoligy Co.,Ltd
二極管、三極管、MOS管、橋堆

全國服務熱線:18923864027

  • 熱門關鍵詞:
  • 橋堆
  • 場效應管
  • 三極管
  • 二極管
  • 鋰電池保護板組成,鋰電池保護板工作原理圖解
    • 發布時間:2024-04-27 20:45:38
    • 來源:
    • 閱讀次數:
    鋰電池保護板組成,鋰電池保護板工作原理圖解
    鋰電池保護板
    保護電路通常是電池的一個組成部分,物理上位于同一外殼內,只留下兩個電源端子從外殼中出來。
    保護電路可分為兩部分:主動組件保護(保護 IC 和 MOSFET),又稱為一級保護,被動組件保護(MHP,PTC,Fuse),又稱為二級保護。
    一級保護電路主要是針對電池的過充、過放、過載及短路進行保護,采用IC檢測電池電壓及充放電電流去控制MOSFET導通或關斷從而保證鋰電池工作在安全狀態。
    鋰電池保護板的組成
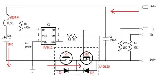
    一般的鋰電池保護板由控制IC、MOS管、電阻電容、保險絲FUSE等組成,如下圖所示。
    鋰電池保護板
    常見的鋰電池保護板電路圖
    TH為溫度檢測,內部是一個10K NTC接到電池負極;ID是電池在位檢測,一般是47K/10K電阻接到電阻負極,有的是0R電阻;TH和ID均是選配,并不是所有鋰電池都有的。
    鋰電池保護板工作原理
    過充保護
    電池充電時,電流(方向如箭頭所示)從電池包的正極流入,經過FUSE后從負極流出,最下方的兩個MOS管均是導通狀態。
    鋰電池保護板
    電池充電時電流方向如箭頭所示
    充電時,控制IC X1會時刻監測第5腳VDD和第6腳VSS之間的電壓,當這個電壓大于等于過充截止電壓且滿足過充電壓的延時時間時,X1會通過控制第3腳來關閉MOS管Q2,Q2被關閉之后,充電回路被切斷(Q2的體二極管D2也是反向截止的),這個時候,電池只能放電。
    過充保護解除條件(滿足其一即可):
    1,電芯兩端的電壓下降到保護IC的過充恢復電壓。
    2,在電池包得輸出端加負載放電,放電到電壓小于過充保護電壓。
    過放保護
    在電池包兩端加負載放電時,電流(方向如箭頭所示)與充電是相反的,如下圖所示。
    鋰電池保護板
    電池放電時電流方向如箭頭所示
    放電時,控制IC X1同樣會時刻監測第5腳VDD和第6腳VSS之間的電壓,當這個電壓小于等于過放截止電壓且達到過放電壓的延時時間,控制IC X1會通過第1腳關閉Q1,Q1被關閉之后,放電回路被切斷(Q1的體二極管D1是反向截止),這個時候,電池只能充電。
    過放保護解除條件:拿掉負載,給電池包充電,當VM-VDD之間的電壓達到過放恢復電壓值時,控制IC X1會重新打開MOS管Q1。
    〈烜芯微/XXW〉專業制造二極管,三極管,MOS管,橋堆等,20年,工廠直銷省20%,上萬家電路電器生產企業選用,專業的工程師幫您穩定好每一批產品,如果您有遇到什么需要幫助解決的,可以直接聯系下方的聯系號碼或加QQ/微信,由我們的銷售經理給您精準的報價以及產品介紹
     
    聯系號碼:18923864027(同微信)
    QQ:709211280

    相關閱讀