最好看的2018免费观看在线-最好看的2019中文电影-最好免费观看高清视频免费-最近免费中文字幕大全免费版视频

您好!歡迎光臨烜芯微科技品牌官網!

深圳市烜芯微科技有限公司

ShenZhen XuanXinWei Technoligy Co.,Ltd
二極管、三極管、MOS管、橋堆

全國服務熱線:18923864027

  • 熱門關鍵詞:
  • 橋堆
  • 場效應管
  • 三極管
  • 二極管
  • mos管開啟條件,n溝道p溝道mos管開啟條件詳解
    • 發布時間:2024-04-23 20:47:36
    • 來源:
    • 閱讀次數:
    mos管開啟條件,n溝道p溝道mos管開啟條件詳解
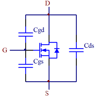
    MOS屬于電壓控制型器件,但是實際上MOS管在從關斷到導通的過程中也是需要電流的,因為MOS管各極之間存在寄生電容Cgd,Cgs以及Cds。
    mos管開啟條件
    MOS管的導通條件,是Vgs電壓至少需要達到閾值電壓Vgs(th),它通過柵極電荷對Cgs電容進行充電。當MOS管完全導通后就不需要提供電流了。
    mos管開啟條件
    mos管開啟條件
    MOS管的開啟條件取決于其溝道類型(N溝道或P溝道)以及是增強型還是耗盡型。
    對于N溝道增強型MOSFET,開啟條件是漏源電壓(Vds)大于開啟電壓(Vgs(th)),同時柵源電壓(Vgs)也大于開啟電壓(Vgs(th))。
    對于N溝道耗盡型MOSFET,開啟條件是漏源電壓(Vds)大于開啟電壓(Vgs(th)),而柵源電壓(Vgs)需要小于開啟電壓(Vgs(th))。
    對于P溝道增強型MOSFET,開啟條件是漏源電壓(Vds)小于開啟電壓(Vgs(th)),同時柵源電壓(Vgs)也小于開啟電壓(Vgs(th))。
    對于P溝道耗盡型MOSFET,開啟條件是漏源電壓(Vds)小于開啟電壓(Vgs(th)),而柵源電壓(Vgs)需要大于開啟電壓(Vgs(th))。
    在開啟過程中,MOS管會經歷不同的階段,包括驅動開通脈沖通過MOS管的柵-源極對輸入電容(Cgs)充電,當Vgs電壓達到閾值電壓(Vth)時,電流ID開始流過漏極,并且Vds電壓保持不變。
    隨著Vgs電壓的進一步上升,電流ID也逐漸增加,直到達到負載電流的最大值ID。在這個過程中,會出現一個稱為米勒平臺(Miller plateau)的階段,在這個階段,電流ID保持負載ID不變,而Vds電壓開始下降。當米勒平臺結束時,可以認為MOS管基本已經導通。
    n溝道mos管開啟條件
    閥值電壓:當柵極和源極之間的電壓(Vgs)大于或等于閾值電壓(Vth)時,N溝道MOS管會導通。
    高電平有效:在數字電路中,當Vgs大于或等于Vth時,MOS管導通,這通常意味著高電平有效。
    正向偏置電壓:在增強型N溝道MOS管中,只有當Vgs大于2.5V時,即Vg(柵極電壓)—Vs(源極電壓)大于2.5V時,D極和S極之間才會導通。
    以上條件可能會根據MOS管規格書(datasheet)有所變化,實際應用中應參考具體規格來確定其開啟條件。
    p溝道mos管開啟條件
    柵極電壓:需要柵極電壓為正且足夠大,通常需要大于閾值電壓(Vth),以形成導電溝道。
    漏極電壓:需要漏極電壓為正,當漏極電壓為正時,有利于導電溝道的形成。
    源極電壓:需要源極電壓為負或接地,當源極電壓為負或接地時,電子可以從源極流向漏極,形成電流。
    負載電阻:還需要考慮負載電阻的影響,當負載電阻較大時,可能需要更高的柵極電壓來維持導電溝道的形成。
    〈烜芯微/XXW〉專業制造二極管,三極管,MOS管,橋堆等,20年,工廠直銷省20%,上萬家電路電器生產企業選用,專業的工程師幫您穩定好每一批產品,如果您有遇到什么需要幫助解決的,可以直接聯系下方的聯系號碼或加QQ/微信,由我們的銷售經理給您精準的報價以及產品介紹
     
    聯系號碼:18923864027(同微信)
    QQ:709211280

    相關閱讀