最好看的2018免费观看在线-最好看的2019中文电影-最好免费观看高清视频免费-最近免费中文字幕大全免费版视频

您好!歡迎光臨烜芯微科技品牌官網!

深圳市烜芯微科技有限公司

ShenZhen XuanXinWei Technoligy Co.,Ltd
二極管、三極管、MOS管、橋堆

全國服務熱線:18923864027

  • 熱門關鍵詞:
  • 橋堆
  • 場效應管
  • 三極管
  • 二極管
  • BZX84C5V1,BZX84C5V1穩壓二極管,BZX84C5V1參數
    • 發布時間:2023-06-12 16:54:00
    • 來源:
    • 閱讀次數:
    BZX84C5V1,BZX84C5V1穩壓二極管,BZX84C5V1參數
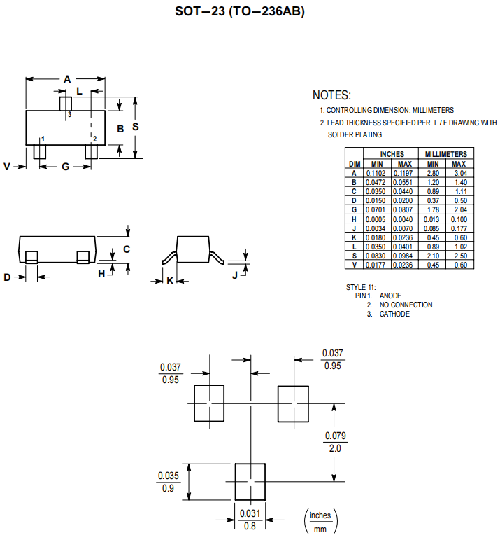
    BZX84C5V1穩壓二極管,BZX84C5V1絲印Z2,5.1V型號BZX84C5V1參數,BZX84C5V1封裝SOT-23規格書
    BZX84C5V1
    BZX84C5V1 SOT-23參數封裝:點擊查看BZX84C5V1
    BZX84C5V1封裝為SOT-23
    BZX84C5V1穩壓二極管參數如下:
    BZX84C5V1
    Power Dissipation 功率 PD:300mW
    Zener Voltage Range  齊納電壓 Nom:5.1V
    Zener Voltage Reverse Current  齊納電壓反向電流 IZT:5mA
    Zener Impedance Maximum Zener Impedance  齊納阻抗最大齊納阻抗:ZZT(at IZT) :60Ω
    Forward Voltage  正向電壓 VF:0.95V
    Leakage Current Reverse Leakage Current  反向漏電流 IR:2μA
    Operating and Storage Temperature Range  操作和儲存溫度范圍 Tj, TSTG:-55to+150℃
    BZX84C5V1穩壓二極管SOT-23封裝尺寸:

    BZX84C5V1
     
    〈烜芯微/XXW〉專業制造二極管,三極管,MOS管,橋堆等,20年,工廠直銷省20%,上萬家電路電器生產企業選用,專業的工程師幫您穩定好每一批產品,如果您有遇到什么需要幫助解決的,可以直接聯系下方的聯系號碼或加QQ/微信,由我們的銷售經理給您精準的報價以及產品介紹
     
    聯系號碼:18923864027(同微信)
    QQ:709211280
    相關閱讀