最好看的2018免费观看在线-最好看的2019中文电影-最好免费观看高清视频免费-最近免费中文字幕大全免费版视频

您好!歡迎光臨烜芯微科技品牌官網!

深圳市烜芯微科技有限公司

ShenZhen XuanXinWei Technoligy Co.,Ltd
二極管、三極管、MOS管、橋堆

全國服務熱線:18923864027

  • 熱門關鍵詞:
  • 橋堆
  • 場效應管
  • 三極管
  • 二極管
  • 積分電路電容并聯一個電阻作用介紹
    • 發布時間:2023-07-10 21:00:36
    • 來源:
    • 閱讀次數:
    積分電路電容并聯一個電阻作用介紹
    積分電路并聯一個電阻的影響
    一、消除三角波形的底部失真
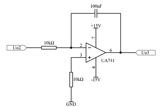
    比例積分電路可以講輸入的方波轉化為三角波,但輸出的三角波往往會出現底部失真的現象,如圖所示。
    積分 電容 并聯 電阻
    圖中的失真現象尚且不是特別明顯。導致三角波失真的原因是運放往往會存在很小的失調電壓和偏置電流,然后持續作用在反饋電容上。
    但是電容對于低頻的直流電壓的阻礙作用特別明顯。根據虛短和虛短的公式(電容C充當Rf)很小的失調電壓都會在輸出端累計一個很大的直流偏置電壓,導致三角波失真。
    當并聯一個電阻值很大的電阻時(一般都會并聯100k的電阻,如果過大就再并聯一個100k的電阻,并聯兩個100k的就相當于并聯了一個50k的電阻),可以為失調電壓提供一個小的直流負反饋,進而消除直流電壓對輸出信號的影響。故可以解決三角波底部失真的問題。
    二、對輸出電壓沒有影響
    在不改變方波頻率等條件的前提下,比例積分電路電容并聯一個電阻值很大的電阻對輸出電壓沒有影響。
    3.比例積分電路
    積分 電容 并聯 電阻
    在按照電路圖搭建電路時,輸出的三角波存在底部失真問題。于是在100nF的電容旁并聯了一個100k的電阻。再次用示波器的測量是結果如下。
    積分 電容 并聯 電阻
    方波的峰峰值為29.6V ,輻值為正負14.8V。通過不考慮電阻值計算的理論值為7.7552V與實際測量值7.28V。在一定的誤差范圍內,實驗結果比較符合預期。
    〈烜芯微/XXW〉專業制造二極管,三極管,MOS管,橋堆等,20年,工廠直銷省20%,上萬家電路電器生產企業選用,專業的工程師幫您穩定好每一批產品,如果您有遇到什么需要幫助解決的,可以直接聯系下方的聯系號碼或加QQ/微信,由我們的銷售經理給您精準的報價以及產品介紹
     
    聯系號碼:18923864027(同微信)
    QQ:709211280

    相關閱讀