最好看的2018免费观看在线-最好看的2019中文电影-最好免费观看高清视频免费-最近免费中文字幕大全免费版视频

您好!歡迎光臨烜芯微科技品牌官網!

深圳市烜芯微科技有限公司

ShenZhen XuanXinWei Technoligy Co.,Ltd
二極管、三極管、MOS管、橋堆

全國服務熱線:18923864027

  • 熱門關鍵詞:
  • 橋堆
  • 場效應管
  • 三極管
  • 二極管
  • 電路知識,非門多諧振蕩器電路介紹
    • 發布時間:2023-06-05 21:08:51
    • 來源:
    • 閱讀次數:
    電路知識,非門多諧振蕩器電路介紹
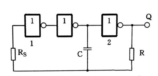
    兩個非門組成的振蕩器
    非門 多諧 振蕩器
    振蕩原理:
    假設Q為低電平,則非門2的輸入端為高電平,經過R對C充電,C的電壓上升,直到非門1輸入端的電壓達到反轉電壓,此時非門1的輸出變為低電平,Q變為高電平。
    此時,Q點、C、R、非門2的輸入端,極性反轉,相對于之前變為放電回路,然后轉為反向充電,C的電壓下降,直到非門1輸入的電壓達到反轉電壓,此時非門1的輸出變為高電平,Q變為低電平。
    如此循環,形成振蕩,在Q端輸出方波。
    如果非門的反轉電壓為電源電壓的1/2。
    則振蕩周期:T≈2.2·R·C
    Rs用于穩定振蕩頻率,驅使為6~10倍的R。
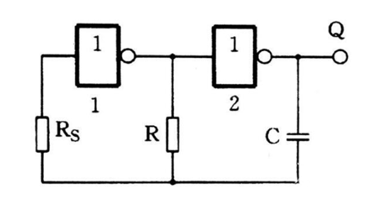
    三個非門組成的振蕩器
    非門 多諧 振蕩器
    原理和兩個非門的差不多,但是相比起兩個非門的振動器更容易起振,工作更穩定,還能獲得更高的振蕩頻率。
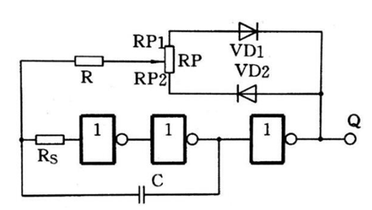
    三個非門組成的可變占空比振蕩器
    非門 多諧 振蕩器
    通過滑動電位器RP使占空比可調。
    充電回路(RP2+R)·C
    放電回路(RP1+R)·C
    另外,用施密特觸發器組成的多諧振蕩器比用一般門電路組成的,更簡單,頻率更寬,受到電源電源和溫度的影響更小。
    〈烜芯微/XXW〉專業制造二極管,三極管,MOS管,橋堆等,20年,工廠直銷省20%,上萬家電路電器生產企業選用,專業的工程師幫您穩定好每一批產品,如果您有遇到什么需要幫助解決的,可以直接聯系下方的聯系號碼或加QQ/微信,由我們的銷售經理給您精準的報價以及產品介紹
     
    聯系號碼:18923864027(同微信)
    QQ:709211280

    相關閱讀