最好看的2018免费观看在线-最好看的2019中文电影-最好免费观看高清视频免费-最近免费中文字幕大全免费版视频

您好!歡迎光臨烜芯微科技品牌官網!

深圳市烜芯微科技有限公司

ShenZhen XuanXinWei Technoligy Co.,Ltd
二極管、三極管、MOS管、橋堆

全國服務熱線:18923864027

  • 熱門關鍵詞:
  • 橋堆
  • 場效應管
  • 三極管
  • 二極管
  • MOSFET電動汽車充電樁應用介紹
    • 發布時間:2023-05-05 18:07:08
    • 來源:
    • 閱讀次數:
    MOSFET電動汽車充電樁應用介紹
    采用恒流/恒壓和脈沖充電相結合的充電樁系統
    MOSFET 充電樁 電路
    模塊設計框架圖
    該雙模式充電樁主要技術參數:
    輸入電壓:AC 220V/50Hz
    輸出最大電壓:500V
    輸出最大電流:10A
    整機效率:≥90%
    穩壓精度:≤0.5%
    充電系統直流模塊
    目前市場需要的直流充電樁都是大電流充電,所以應用于市場時,可以將多個樣機并聯,實現輸出大電流的效果。
    主電路設計參數:
    電源系統最大輸出功率5000W
    整流橋最大輸出電流18.9A
    整流輸出電壓311V
    整流橋型號KBU3510
    濾波電容:5個1000uf/450V的鋁電解電容并聯
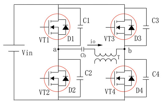
    采用全橋式電路
    高頻變壓器采用PC40材料的PO50/50磁芯,初級繞組10匝,次級繞組20匝
    隔直電容2.2uF 的CBB電容
    采用零電壓PWM變換器(ZVS)
    全橋逆變電路輸出最大電壓:500V
    全橋逆變電路輸出最大電流:10A
    微控制器 STM32
    MOSFET 充電樁 電路
    系統主電路圖
    由于主電路與微控制器STM32功率相差過大,MOS管和控制器之間必須隔離,因此每個MOS管都采用獨立的驅動電路。
    全橋逆變電路中MOS管的選擇
    能夠承受全橋逆變電路的最大輸出電壓500V
    承受最大電流>18.9A
    MOSFET 充電樁 電路
    全橋變換器的基本電路圖
    〈烜芯微/XXW〉專業制造二極管,三極管,MOS管,橋堆等,20年,工廠直銷省20%,上萬家電路電器生產企業選用,專業的工程師幫您穩定好每一批產品,如果您有遇到什么需要幫助解決的,可以直接聯系下方的聯系號碼或加QQ/微信,由我們的銷售經理給您精準的報價以及產品介紹
     
    聯系號碼:18923864027(同微信)
    QQ:709211280

    相關閱讀