最好看的2018免费观看在线-最好看的2019中文电影-最好免费观看高清视频免费-最近免费中文字幕大全免费版视频

您好!歡迎光臨烜芯微科技品牌官網!

深圳市烜芯微科技有限公司

ShenZhen XuanXinWei Technoligy Co.,Ltd
二極管、三極管、MOS管、橋堆

全國服務熱線:18923864027

  • 熱門關鍵詞:
  • 橋堆
  • 場效應管
  • 三極管
  • 二極管
  • 推挽變換器漏感電壓尖峰詳解
    • 發布時間:2023-03-28 15:26:10
    • 來源:
    • 閱讀次數:
    推挽變換器漏感電壓尖峰詳解
    推挽,在國內逆變行業無處沒有它的身影,最多的還是車載逆變器。由于其電路簡單,功率管數量少,占用PCB空間也少。但其推挽所選功率管需要2倍輸入電壓特性,在低壓大電流點路中再合適不過,也成為逆變電源工程師設計之首選。
    正是因為看似簡單的一個拓撲,確讓很多設計師望而卻步,因為推挽有一個最頭疼的問題,電壓尖峰。
    通常推挽拓撲中功率管選用都是MOSFET,而MOSFET失效最多原因往往不是電流而是電壓,這正是由于推挽變換器漏感所致。這就迫使設計師不得不降低變壓器漏感,選用更高耐壓功率管,甚至加入各種吸收電路來滿足設計要求,但是卻發現都不能從根本上解決問題。
    下面研究一下電壓尖峰的產生機制
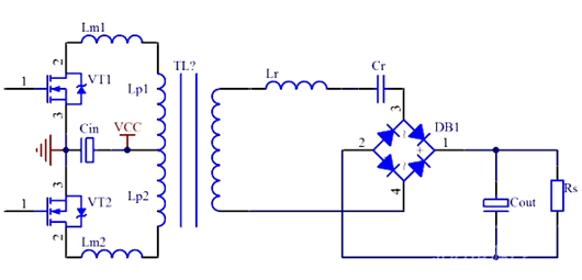
    高頻變器設計時,總會或多或少存在一定漏感,當其中一只功率管VT1導通時,變壓器要向副邊傳送能量,就會有電流流過變壓器繞組Lp1,而變壓器漏感可以看作一個獨立電感Lm1串聯在電路中,在電流流過Lp1時儲存能量,并在功率管關斷后釋放能量,如果Lm1儲存的能量在死區時間內沒有完全釋放,在另一只功率管VT2導通時,這就形成了很高電壓尖峰。
    推挽 漏感 尖峰
    大家都知道MOSFET制作工藝時體內有3個電容,輸入電容GS,輸出電容DS,和反向傳輸電容DG。這個輸出電容Coss對尖峰有一定吸收作用,如果漏感能量足夠小,可以得到有效的吸收。如果漏感能量很大,就會在Coss上形成很高電壓,損壞MOSFET管。
    要想控制推挽拓撲工作在2倍左右輸出電壓,就要讓功率管接近關斷時,電流下降接近為0,才能避免尖峰電壓的產生,這里就需要用到軟開關電路。
    但是要做到軟開關條件是很苛刻的,一般需要占空比和死區時間恒定時才能達到。那么只有占空比最大時,通過設置好合理的死區時間,可以達到軟開關條件。
    所以這里就有2大難題需要我們解決:
    1:閉環工作時的電壓尖峰。(占空比沒有達到最大時)
    2:開環工作時的電壓尖峰。(最大占空比時)
    既然我們可以用軟開關解決開環工作時MOSFET的電壓尖峰,那么我們可以讓機器在開機和空載時處于閉環狀態,減少待機功耗。帶載后工作在開環。因為空載時高頻變壓器向副邊傳遞的能量只有待機損耗,變壓器漏感儲存的能量并不大,漏感尖峰在很小范圍,這樣就能保證MOSFET工作在安全范圍。
    接下來首先要解決的是軟開關。我們先來看看軟開關電路結構。
    推挽 漏感 尖峰
    這是一個很常用的諧振電路,Lr為副邊諧振電感,Cr為副邊諧振電容,通過調節Lr和Cr來調節輸出阻抗,使諧振頻率等于工作頻率,也就是使變換器工作在容性和感性的臨界區域,此時副邊的工作電流呈正弦。(調節Lr和Cr可以控制副邊電流的上升弧度完全正弦,Cr可以起到隔直作用,防止變壓器偏磁。)
    下面這張波形為變換器工作在滿載開環下的波形圖。
    黃色為副邊Lr的電流波形,藍色為推挽其中一只功率管的VDS電壓波形
    推挽 漏感 尖峰
    上圖黃色為開關管驅動波形,藍色為VDS電壓波形
    不難看出,初級邊功率管工作在0電壓開關模式下,副邊整流二極管工作在0電流開關模式下,由于高頻變壓器初次級耦合存在漏感,副邊整流二極管在電流為0時,初級任然有一定電流流過,當然這個電流很小,這樣在功率管關斷后,變壓器漏感儲存的能量能夠加速功率管的Coss電容呈線性充電,同時也給另一只功率管創造了0電壓導通條件。調節合適死區時間來滿足漏感能量給Coss充電過程。就可以實現功率管工作電壓在2倍輸入電壓下。
    閉環工作時有2種模式:
    1:開機軟啟動時。
    2:空載或者負載很輕時。
    下面來看一張開機MOSFET的電壓波形
    推挽 漏感 尖峰
    這是輸入24V電壓下功率MOSFET的電壓尖峰,如果選用100VMOSFET,也是是相當危險。
    下圖為處理后的開機電壓尖峰波形,基本上已經控制在2倍輸入電壓下。
    推挽 漏感 尖峰
    接下來依次講解處理開機電壓尖峰的處理辦法。
    米勒效應在MOS驅動中臭名昭著,他是由MOS管的米勒電容引發的米勒效應,在MOS管開通過程中,GS電壓上升到某一電壓值后GS電壓有一段穩定值,過后GS電壓又開始上升直至完全導通。
    為什么會有穩定值這段呢?因為,在MOS開通前,D極電壓大于G極電壓,MOS寄生電容Cgd儲存的電量需要在其導通時注入G極的電荷與其中和,因MOS完全導通后G極電壓大于D極電壓。米勒效應會嚴重增加MOS的開通損耗。
    所以就出現了所謂的圖騰驅動!選擇MOS時,Cgd越小開通損耗就越小。米勒效應不可能完全消失。
    MOS上的電壓尖峰,這個尖峰電壓是不是等于輸入電壓+反射電壓+漏感電壓
    1.開關損耗大。開通時,開關器件的電流上升和電壓下降同時進行;關斷時,電壓上升和電流下降同時進行。電壓、電流波形的交疊產生了開關損耗,該損耗隨開關頻率的提高而急速增加。
    2.感性關斷電尖峰大。當器件關斷時,電路的感性元件感應出尖峰電壓,開關頻率愈高,關斷愈快,該感應電壓愈高。此電壓加在開關器件兩端,易造成器件擊穿。
    3.容性開通電流尖峰大。當開關器件在很高的電壓下開通時,儲存在開關器件結電容中的能量將以電流形式全部耗散在該器件內。頻率愈高,開通電流尖峰愈大,從而引起器件過熱損壞。另外,二極管由導通變為截止時存在反向恢復期,開關管在此期間內的開通動作,易產生很大的沖擊電流。頻率愈高,該沖擊電流愈大,對器件的安全運行造成危害。
    4.電磁干擾嚴重。隨著頻率提高,電路中的di/dt和dv/dt增大,從而導致電磁干擾(EMI)增大,影響整流器和周圍電子設備的工作。
    軟開關是在硬開關電路的基礎上,加入電感、電容等諧振器件,在開關轉換過程中引入諧振過程,開關在其兩端的電壓為零時導通;或使流過開關器件的電流為零時關斷,使開關條件得以改善,降低硬開關的開關損耗和開關噪聲,從而提高了電路的效率
    QR, 有人叫“類共振”,也叫做“準諧振”。
    基本架構還是Flyback,只不過是利用變壓器漏感形成類似共振的效果。有共振當然電壓波形就會有出現弦波,再利用弦波的波谷段將MOSFET導通,此時在MOSFET D-S 兩端的VDS最小,以此達到減少切換損失達成高效率的要求。MOSFET導通時VDS最小,就是導通時的dv/dt最小,EMI特性會大大優化。
    〈烜芯微/XXW〉專業制造二極管,三極管,MOS管,橋堆等,20年,工廠直銷省20%,上萬家電路電器生產企業選用,專業的工程師幫您穩定好每一批產品,如果您有遇到什么需要幫助解決的,可以直接聯系下方的聯系號碼或加QQ/微信,由我們的銷售經理給您精準的報價以及產品介紹
     
    聯系號碼:18923864027(同微信)
    QQ:709211280

    相關閱讀