最好看的2018免费观看在线-最好看的2019中文电影-最好免费观看高清视频免费-最近免费中文字幕大全免费版视频

您好!歡迎光臨烜芯微科技品牌官網!

深圳市烜芯微科技有限公司

ShenZhen XuanXinWei Technoligy Co.,Ltd
二極管、三極管、MOS管、橋堆

全國服務熱線:18923864027

  • 熱門關鍵詞:
  • 橋堆
  • 場效應管
  • 三極管
  • 二極管
  • 單相橋式整流電路圖,工作原理解析
    • 發布時間:2023-03-21 16:23:47
    • 來源:
    • 閱讀次數:
    單相橋式整流電路圖,工作原理解析
    單相橋式整流電路
    單相半波整流電路的缺點是只利用了電源的半個周期,同時整流電壓的脈動較大。
    單相橋式整流電路
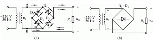
    圖1,單相橋式整流電路
    上圖全波整流電路可以克服這些缺點,其中最常用的是單相橋式整流電路(如上圖b所示),它是由四個二極管接成電橋的形式構成的。
    單相橋式整流電路
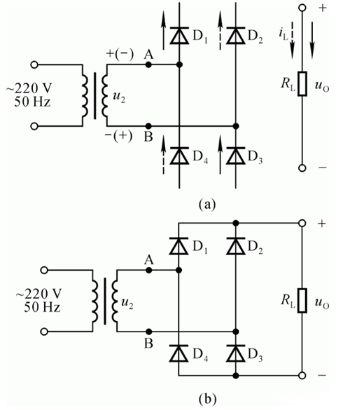
    圖2,單相橋式整流電路
    上圖(a)所示為單相橋式整流電路中的電流方向,其中實線箭頭表示交流電源處于正半周時的情況,虛線箭頭則為交流電源處于正半周時的情況。
    可見,四個二極管分為兩組,正負半周輪流導通,但負載上電流方向不變,此即為全波整流。
    上圖為單相橋式整流電路的習慣畫法。在實際應用中,單相橋式整流電路可以用四個獨立的整流二極管實現,也可以用集成器件“橋堆”來實現。
    下圖為單相橋式整流電路的波形圖,根據波形圖可知,單相橋式整流電壓的平均值為: Uo ≈ 0.9U2(U2為變壓器副邊輸出電壓的有效值)。
    單相橋式整流電路
    單相橋式整流電路
    〈烜芯微/XXW〉專業制造二極管,三極管,MOS管,橋堆等,20年,工廠直銷省20%,上萬家電路電器生產企業選用,專業的工程師幫您穩定好每一批產品,如果您有遇到什么需要幫助解決的,可以直接聯系下方的聯系號碼或加QQ/微信,由我們的銷售經理給您精準的報價以及產品介紹
     
    聯系號碼:18923864027(同微信)
    QQ:709211280
    相關閱讀