最好看的2018免费观看在线-最好看的2019中文电影-最好免费观看高清视频免费-最近免费中文字幕大全免费版视频

您好!歡迎光臨烜芯微科技品牌官網!

深圳市烜芯微科技有限公司

ShenZhen XuanXinWei Technoligy Co.,Ltd
二極管、三極管、MOS管、橋堆

全國服務熱線:18923864027

  • 熱門關鍵詞:
  • 橋堆
  • 場效應管
  • 三極管
  • 二極管
  • Buck電路,同步整流buck電路解析
    • 發布時間:2023-03-15 20:18:42
    • 來源:
    • 閱讀次數:
    Buck電路,同步整流buck電路解析
    同步整流是采用通態電阻極低的專用功率MOSFET,來取代整流二極管以降低整流損耗的一項新技術。它能大大提高DC/DC變換器的效率并且不存在由肖特基勢壘電壓而造成的死區電壓。
    Buck電路是由一個功率晶體管開關Q與負載串聯構成的,其電路如圖3.1。驅動信號ub周期地控制功率晶體管Q的導通與截止,當晶體管導通時,若忽略其飽和壓降,輸出電壓uo等于輸入電壓;當晶體管截止時,若忽略晶體管的漏電流,輸出電壓為0。電路的主要工作波形如圖3.2。
    Buck電路 同步整流
    同步整流buck電路原理
    同步整流buck電路圖如下:
    Buck電路 同步整流
    同步整流結構:用功率mosfet替代整流二極管,可以提高轉換器效率。
    buck變換器的輸出電壓平均值總是小于輸入電壓
    當流過電感的電流在每個周期不會降為0時,定義變換器工作于連續導通模式。
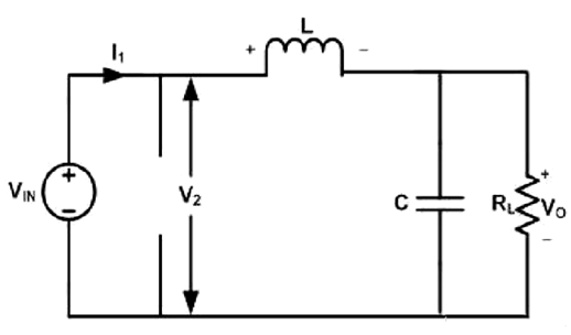
    Buck電路 同步整流
    變換器開關導通時等效電路圖
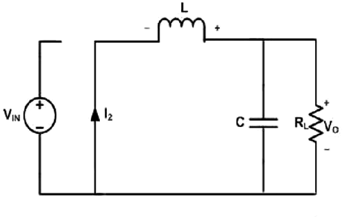
    Buck電路 同步整流
    變換器開關管關斷時等效電路圖如圖:
    Buck電路 同步整流
    Buck電路 同步整流
    在整個開關周期內,電感都傳遞能量給濾波電容和負載,而濾波電容每個周期的平均電流為0,其能量的變化量為0。故輸出負載電流等于電感電流平均值:
    Buck電路 同步整流
    〈烜芯微/XXW〉專業制造二極管,三極管,MOS管,橋堆等,20年,工廠直銷省20%,上萬家電路電器生產企業選用,專業的工程師幫您穩定好每一批產品,如果您有遇到什么需要幫助解決的,可以直接聯系下方的聯系號碼或加QQ/微信,由我們的銷售經理給您精準的報價以及產品介紹
     
    聯系號碼:18923864027(同微信)
    QQ:709211280
    相關閱讀