最好看的2018免费观看在线-最好看的2019中文电影-最好免费观看高清视频免费-最近免费中文字幕大全免费版视频

您好!歡迎光臨烜芯微科技品牌官網!

深圳市烜芯微科技有限公司

ShenZhen XuanXinWei Technoligy Co.,Ltd
二極管、三極管、MOS管、橋堆

全國服務熱線:18923864027

  • 熱門關鍵詞:
  • 橋堆
  • 場效應管
  • 三極管
  • 二極管
  • 常用的電源電路圖及原理介紹
    • 發布時間:2023-02-25 17:52:25
    • 來源:
    • 閱讀次數:
    常用的電源電路圖及原理介紹
    穩壓電源
    1、3~25V電壓可調穩壓電路圖
    此穩壓電源可調范圍在3.5V~25V之間任意調節,輸 出電流大,并采用可調穩壓管式電路,從而得到滿意平穩的輸出電壓。
    工作原理:經整流濾波后直流電壓由R1提供給調整 管的基極,使調整管導通,在V1導通時電壓經過RP、R2使V2導通,接著V3也導通,這時V1、V2 、 V3的發射極和集電極電壓不再變化(其作用完全與穩壓管一樣)。調節RP,可得到平穩的輸 出電壓,R1、RP、R2與R3比值決定本電路輸出的電壓值。
    元器件選擇:變壓器T選用80W~100W,輸入AC220V ,輸出雙繞組AC28V。FU1選用1A,FU2選用3A~5A。VD1、VD2選用 6A02。RP選用1W左右普通電 位器,阻值為250K~330K,C1選用3300μF/35V電解電容,C2、C3選用0.1μF獨石電容,C4選用 470μF/35V電解電容。R1選用180~220Ω/0.1W~1W,R2、R4、R5選用10KΩ、1/8W。V1選用 2N3055,V2選用 3DG180或2SC3953,V3選用3CG12或3CG80。
    電源電路圖
    2、10A3~15V穩壓可調電源電路圖
    無論檢修電腦還是電子制作都離不開穩壓電源,下 面介紹一款直流電壓從3V到15V連續可調的穩壓電源,最大電流可達10A,該電路用了具有溫度 補償特性的,高精度的標準電壓源集成電路TL431,使穩壓精度更高,如果沒有特殊要求,基本 能滿足正常維修使用,電路見下圖。
    電源電路圖
    其工作原理分兩部分,第一部分是一路固定的 5V1.5A穩壓電源電路,第二部分是另一路由3至15V連續可調的高精度大電流穩壓電路。
    第一路的電路非常簡單,由變壓器次級8V交流電壓 通過硅橋QL1整流后的直流電壓經C1電解電容濾波后,再由5V三端穩壓塊LM7805不用作任何調整 就可在輸出端產生固定的5V1A穩壓電源,這個電源在檢修電腦板時完全可以當作內部電源使用 。
    第二部分與普通串聯型穩壓電源基本相同,所不同 的是使用了具有溫度補償特性的,高精度的標準電壓源集成電路TL431,所以使電路簡化,成本 降低,而穩壓性能卻很高。
    圖中電阻R4,穩壓管TL431,電位器R3組成一個連續 可調得恒壓源,為BG2基極提供基準電壓,穩壓管TL431的穩壓值連續可調,這個穩壓值決定了 穩壓電源的最大輸出電壓,如果你想把可調電壓范圍擴大,可以改變R4 和R3的電阻值,當然變 壓器的次級電壓也要提高。
    變壓器的功率可根據輸出電流靈活掌握,次級電壓 15V左右。橋式整流用的整流管QL用15-20A硅橋,結構緊湊,中間有固定螺絲,可以直接固定 在機殼的鋁板上,有利散熱。
    調整管用的是大電流NPN型金屬殼硅管,由于它的發 熱量很大,如果機箱允許,盡量購買大的散熱片,擴大散熱面積,如果不需要大電流,也可以 換用功率小一點的硅管,這樣可以做的體積小一些。
    濾波用50V4700uF電解電容C5和C7分別用三只并聯, 使大電流輸出更穩定,另外這個電容要買體積相對大一點的,那些體積較小的同樣標注 50V4700uF盡量不用,當遇到電壓波動頻繁,或長時間不用,容易失效。
    最后再說一下電源變壓器,如果沒有能力自己繞制 ,有買不到現成的,可以買一塊現成的200W以上的開關電源代替變壓器,這樣穩壓性能還可進 一步提高,制作成本卻差不太多,其它電子元件無特殊要求,安裝完成后不用太大調整就可正常工作。
    開關電源
    1、PWM開關電源集成控制IC-UC3842工作原理
    下圖為UC3842 內部框圖和引腳圖,UC3842 采用固 定工作頻率脈沖寬度可控調制方式,共有8 個引腳,各腳功能如下:
    ①腳是誤差放大器的輸出端,外接阻容元件用于改 善誤差放大器的增益和頻率特性;
    ②腳是反饋電壓輸入端,此腳電壓與誤差放大器同 相端的2.5V 基準電壓進行比較,產生誤差電壓,從而控制脈沖寬度;
    ③腳為電流檢測輸入端, 當檢測電壓超過1V時縮小 脈沖寬度使電源處于間歇工作狀態;
    ④腳為定時端,內部振蕩器的工作頻率由外接的阻 容時間常數決定,f=1.8/(RT×CT);
    ⑤腳為公共地端;
    ⑥腳為推挽輸出端,內部為圖騰柱式,上升、下降 時間僅為50ns 驅動能力為±1A ;
    ⑦腳是直流電源供電端,具有欠、過壓鎖定功能, 芯片功耗為15mW;⑧腳為5V 基準電壓輸出端,有50mA 的負載能力。
    電源電路圖
    內部原理框圖
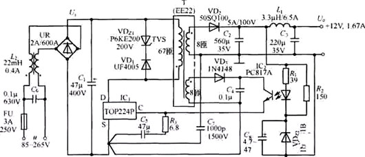
    2、TOP224P構成的12V、20W開關直流穩壓電源電路
    由TOP224P構成的 12V、20W開關直流穩壓電源電路 如圖所示。
    電路中使用兩片集成電路:TOP224P型三端單片開關 電源(IC1),PC817A型線性光耦合器 (IC2)。交流電源經過UR和Cl整流濾波后產生直流高壓 Ui,給高頻變壓器T的一次繞組供電。
    VDz1和VD1能將漏感產生的尖峰電壓鉗位到安全值, 并能衰減振鈴電壓。VDz1采用反向擊穿電壓為200V的P6KE200型瞬態電壓抑制器,VDl選用1A/ 600V的UF4005型超快恢復二極管。
    二次繞組電壓通過V砬、C2、Ll和C3整流濾波,獲得 12V輸出電壓Uo。Uo值是由VDz2穩定電壓Uz2、光耦中LED的正向壓降UF、R1上的壓降 這三者之和來設定的。
    改變高頻變壓器的匝數比和VDz2的穩壓值,還可獲 得其他輸出電壓值。R2和VDz2五還為12V輸出提供一個假負載,用以提高輕載 時的負載調整率 。反饋繞組電壓經VD3和C4整流濾波后,供給TOP224P所需偏壓。由R2和VDz2來調節控制端電流 ,通過改變輸出占空比達到穩壓目的。
    共模扼流圈L2能減小由一次繞組接D端的高壓開關波 形所產生的共模泄漏電流。C7為保護電容,用于濾掉由一次、二次繞組耦合電容引起的干擾。 C6可減 小由一次繞組電流的基波與諧波所產生的差模泄漏電流。C5不僅能濾除加在控制端上的 尖峰電流,而且決定自啟動頻率,它還與R1、R3一起對控制回路進行補償。
    電源電路圖
    本電源主要技術指標如下:
    交流輸入電壓范圍:u=85~265V;
    輸入電網頻率:fLl=47~440Hz;
    輸出電壓(Io=1.67A):Uo=12V;
    最大輸出電流:IOM=1.67A;
    連續輸出功率:Po=20W(TA=25℃,或15W(TA=50℃ );
    電壓調整率:η=78%;
    輸出紋波電壓的最大值:±60mV;
    工作溫度范圍:TA=0~50℃。
    DC-DC電源
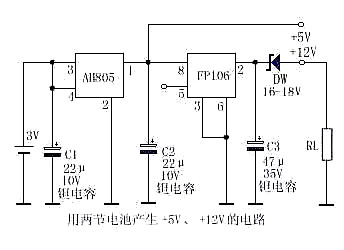
    1、3V轉+5V、+12V的電路圖
    由電池供電的便攜式電子產品一般都采用低電源電 壓,這樣可減少電池數量,達到減小產品尺寸及重量的目的,故一般常用3~5V作為工作電壓, 為保證電路工作的穩定性及精度,要求采用穩壓電源供電。
    若電路采用5V工作電壓,但另需一個較高的工作電 壓,這往往使設計者為難。本文介紹一種采用兩塊升壓模塊組成的電路可解決這一難題,并且 只要兩節電池供電。
    該電路的特點是外圍元件少、尺寸小、重量輕、輸 出+5V、+12V都是穩定的,滿足便攜式電子產品的要求。+5V電源可輸出60mA,+12V電源最大輸 出電流為5mA。
    電源電路圖
    該電路如上圖所示。它由AH805升壓模塊及FP106升 壓模塊組成。AH805是一種輸入1.2~3V,輸出5V的升壓模塊,在3V供電時可輸出 100mA電流。 FP106是貼片式升壓模塊,輸入4~6V,輸出固定電壓為29±1V,輸出電流可達40mA,AH805及 FP106都是一個電平控制的關閉電源控制端。
    兩節1.5V堿性電池輸出的3V電壓輸入AH805,AH805 輸出+5V電壓,其一路作5V輸出,另一路輸入FP106使其產生28~30V電壓,經穩壓管穩壓后輸出 +12V電壓。
    從圖中可以看出,只要改變穩壓管的穩壓值,即可 獲得不同的輸出電壓,使用十分靈活。FP106的第⑤腳為控制電源關閉端,在關閉電源時,耗電幾乎為零,當第⑤腳加高電平》2.5V時,電源導通;當第⑤腳加低電平<0.4V時,電源被關閉。可以用電路來控制或手動控制,若不需控制時,第⑤腳與第⑧腳連接。
    〈烜芯微/XXW〉專業制造二極管,三極管,MOS管,橋堆等,20年,工廠直銷省20%,上萬家電路電器生產企業選用,專業的工程師幫您穩定好每一批產品,如果您有遇到什么需要幫助解決的,可以直接聯系下方的聯系號碼或加QQ/微信,由我們的銷售經理給您精準的報價以及產品介紹
     
    聯系號碼:18923864027(同微信)
    QQ:709211280

    相關閱讀