最好看的2018免费观看在线-最好看的2019中文电影-最好免费观看高清视频免费-最近免费中文字幕大全免费版视频

您好!歡迎光臨烜芯微科技品牌官網!

深圳市烜芯微科技有限公司

ShenZhen XuanXinWei Technoligy Co.,Ltd
二極管、三極管、MOS管、橋堆

全國服務熱線:18923864027

  • 熱門關鍵詞:
  • 橋堆
  • 場效應管
  • 三極管
  • 二極管
  • 輸入阻抗和輸出阻抗,計算詳解
    • 發布時間:2023-01-30 15:51:46
    • 來源:
    • 閱讀次數:
    輸入阻抗和輸出阻抗,計算詳解
    計算方法
    輸入阻抗:通過在輸入端加上一個電壓源U,測試輸入端的電流I,則輸入阻抗Rin=U/I。輸入阻抗越大越好,電阻越大,可以得到的分壓越大,驅動能力越強。輸入阻抗越大,相對應的電源內阻就會顯得越小。
    輸出阻抗:又稱為內阻,不接負載的情況下測得輸出端的電壓U/I。因此Ro越小越好,因為內阻越小,自身損耗也就越小,帶負載能力就越強。
    計算舉例
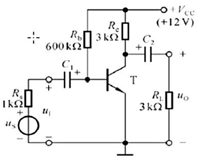
    如圖所示為阻容耦合共射放大電路,取β = 100,rbe = 1k
    輸入阻抗 輸出阻抗
    其交流等效模型:
    輸入阻抗 輸出阻抗
    則電路放大倍數:
    輸入阻抗 輸出阻抗
    信號源放大倍數:
    輸入阻抗 輸出阻抗
    輸入阻抗:Ri = Rb // rbe
    輸出阻抗:Ro = Rc
    〈烜芯微/XXW〉專業制造二極管,三極管,MOS管,橋堆等,20年,工廠直銷省20%,上萬家電路電器生產企業選用,專業的工程師幫您穩定好每一批產品,如果您有遇到什么需要幫助解決的,可以直接聯系下方的聯系號碼或加QQ/微信,由我們的銷售經理給您精準的報價以及產品介紹
     
    聯系號碼:18923864027(同微信)
    QQ:709211280

    相關閱讀