最好看的2018免费观看在线-最好看的2019中文电影-最好免费观看高清视频免费-最近免费中文字幕大全免费版视频

您好!歡迎光臨烜芯微科技品牌官網!

深圳市烜芯微科技有限公司

ShenZhen XuanXinWei Technoligy Co.,Ltd
二極管、三極管、MOS管、橋堆

全國服務熱線:18923864027

  • 熱門關鍵詞:
  • 橋堆
  • 場效應管
  • 三極管
  • 二極管
  • SMBJ250A瞬態抑制二極管,250VTVS管,250V單向雙向TVS二極管
    • 發布時間:2022-06-08 18:34:14
    • 來源:
    • 閱讀次數:
    SMBJ250A瞬態抑制二極管,250VTVS管,250V單向雙向TVS二極管
    SMBJ250A瞬態抑制二極管,600W絲印PZ二極管,250V TVS管規格書參數,SMBJ250A單向TVS管,250V瞬態抑制二極管
    SMBJ250A
    SMBJ250A SMA封裝參數:點擊查看SMBJ250A
    SMBJ250A封裝有SMA/SMB/SMC/SOD-123FL
    250V瞬態抑制二極管參數如下:
    SMBJ250A
    DEVICE MARKING CODE 絲印:PZ
    Peak Pulse Power Dissipation on 功率損耗Pppm:600W
    REVERSE STANDOFF VOLTAGE VRWM (V) 反向對峙電壓:279V
    BREAKDOWN VOLTAGE VBR (V) MIN. @ IT 崩潰電壓(最小):309V
    BREAKDOWN VOLTAGE VBR (V) MAX. @ IT 崩潰電壓(最大):272V
    TEST CURRENT (IT) mA 測試電流:1mA
    MAXIMUM CLAMPING VOLTAGE @IPP VC (V) 最大嵌位電壓:405V
    PEAK PULSE CURRENT IPP (A) 峰值脈沖電流:1.5A
    REVERSE LEAKAGE @ VRWM IR (μA) 反向漏電:1μA
    Operating Junction Temperature and Storage Temperature Range 工作結溫度和存儲溫度范圍 Tj, Tstg:-65~+150℃
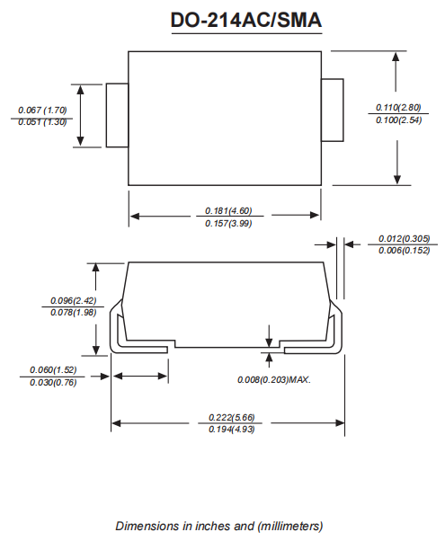
    SMBJ250A瞬態抑制二極管,DO-214AC/SMA封裝尺寸:
    SMBJ250A
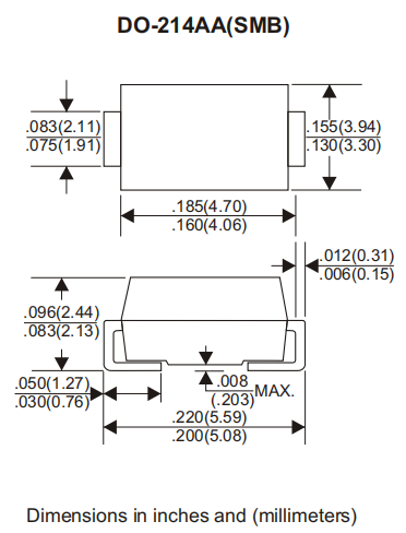
    SMBJ250A瞬態抑制二極管,DO-214AA/SMB封裝尺寸:
    SMBJ250A
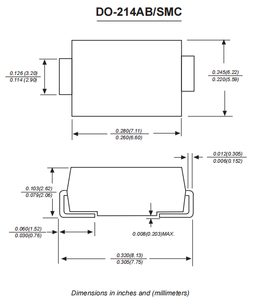
    SMBJ250A瞬態抑制二極管,DO-214AB/SMC封裝尺寸:
    SMBJ250A
    SMBJ250A瞬態抑制二極管,SOD-123FL封裝尺寸:
    SMBJ250A
    〈烜芯微/XXW〉專業制造二極管,三極管,MOS管,橋堆等,20年,工廠直銷省20%,上萬家電路電器生產企業選用,專業的工程師幫您穩定好每一批產品,如果您有遇到什么需要幫助解決的,可以直接聯系下方的聯系號碼或加QQ/微信,由我們的銷售經理給您精準的報價以及產品介紹
     
    聯系號碼:18923864027
    QQ:709211280
    相關閱讀