最好看的2018免费观看在线-最好看的2019中文电影-最好免费观看高清视频免费-最近免费中文字幕大全免费版视频

您好!歡迎光臨烜芯微科技品牌官網!

深圳市烜芯微科技有限公司

ShenZhen XuanXinWei Technoligy Co.,Ltd
二極管、三極管、MOS管、橋堆

全國服務熱線:18923864027

  • 熱門關鍵詞:
  • 橋堆
  • 場效應管
  • 三極管
  • 二極管
  • 模擬電路Gm-運放增益計算介紹
    • 發布時間:2022-11-25 21:28:45
    • 來源:
    • 閱讀次數:
    模擬電路Gm-運放增益計算介紹
    先來看一個golden rule:
    Gm 運放 增益
    “gate 和drain的變換方向相反”
    “source 和drain的變換方向相同”
    Gm 運放 增益
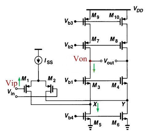
    如果M1的gate是Vip,也就是Vi+,那到底哪個output是Vop哪個是Von呢?
    根據上面的結論,M1的gate上,則drain下,X點下,左邊那個output node通過M3跟隨X的變換,也是下。所以,左邊那個output node是negative output node,也就是Von。
    如何快速的計算運放增益?
    其實掌握最基本的公式,也就是gain=gm*Rout,就能快速的推導出運放的增益。
    有的管子尺寸大,W/L大,自然gm大;有的W/L小,自然gm小。
    但是增益是個數字,是輸出的變換量除以輸入的變化量,不是gm。Gm的單位是西門子,是電阻的單位歐姆的倒數。
    所以增益得計算上這個mos管負載的電阻大小,才能把它變成純數字。
    Mos管本身有個output impedance,也就是所謂的intrinsic gain公式里面的那個東西。這個ro決定了這個mos管可以得到的最大增益。
    Gm 運放 增益
    最大的intrinsic gain只有當Rload為無窮大的時候才能得到。當然了,因為做不到,所以intrinsic gain也只是個參考值。
    因為只有輸入管input pair受到外界應力的直接作用,所以一般來說,運放的gm就是輸入管的gm。
    但是算Rout的時候,我們就得仔細看看這個運放的輸出端到底是個怎樣的結構。
    Gm 運放 增益
    Output上下各是一個cascode。Cascode的等效電阻是gm*ro*ro。稍微精確一些,X和Y點向下看的等效電阻是M1和M5的并聯,以及M2和M6的并聯,這個并聯會讓往下看的等效電阻稍微變小一些。一般來說,pmos那邊,就是上半部分的等效電阻會比較大。最終的輸出等效電阻其實是被下面的nmos那些給制約了。
    以上是簡單的單級運放的增益計算。
    〈烜芯微/XXW〉專業制造二極管,三極管,MOS管,橋堆等,20年,工廠直銷省20%,上萬家電路電器生產企業選用,專業的工程師幫您穩定好每一批產品,如果您有遇到什么需要幫助解決的,可以直接聯系下方的聯系號碼或加QQ/微信,由我們的銷售經理給您精準的報價以及產品介紹
     
    聯系號碼:18923864027(同微信)
    QQ:709211280

    相關閱讀