最好看的2018免费观看在线-最好看的2019中文电影-最好免费观看高清视频免费-最近免费中文字幕大全免费版视频

您好!歡迎光臨烜芯微科技品牌官網!

深圳市烜芯微科技有限公司

ShenZhen XuanXinWei Technoligy Co.,Ltd
二極管、三極管、MOS管、橋堆

全國服務熱線:18923864027

  • 熱門關鍵詞:
  • 橋堆
  • 場效應管
  • 三極管
  • 二極管
  • IGBT反并聯二極管,IGBT反并聯二極管反向恢復介紹
    • 發布時間:2022-10-13 18:17:31
    • 來源:
    • 閱讀次數:
    IGBT反并聯二極管,IGBT反并聯二極管反向恢復介紹
    IGBT反并聯二極管的功能
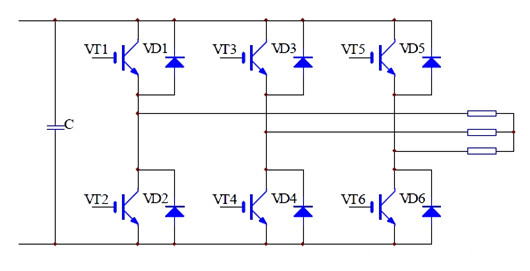
    下圖是三相雙向逆變電路,圖中我們可以看到反并聯二極管的用法。
    IGBT 反并聯二極管
    當輸入直流電壓高于負載反向電動勢時,它是一個逆變電路,將直流電變成峰值等于(或小于)直流電壓的交流電(波形由驅動信號決定,常用驅動信號是SPWM正弦脈寬調制,即正弦波交流電)。
    當輸入直流電壓低于負載反向電動勢時,它是一個三相整流橋,此時來自負載的反向充電電流經整流橋流回直流電源,實現電剎車。
    為什么要把兩者封裝在一塊。事實上大部分的IGBT應用都是上圖的電路(兩相、三相或更多相),封裝在一起可以降低成本、簡化電路、增加可靠性。而IGBT單獨使用時,反向二極管通常不起作用,也就不影響電路設計,只是要小心電線接反時可能導致電機誤動。
    IGBT反并聯二極管反向恢復
    二極管的反向恢復過程,實際上是其工作點從導通過度到截止。
    二極管從處于導通狀態到處于關斷的狀態,不是在一個時間點上完成的,而是在一段時間內完成的,這段時間伴隨著二極管兩端的電壓和流過它的電流的劇烈變化。
    IGBT 反并聯二極管
    上圖,二極管本來在續流,藍色箭頭,即二極管處于正向導通狀態,下管IGBT打開之后,二極管的電流開始減小(方向朝上),直到變成0,然后反向增加到一個峰值(方向朝下,紅色箭頭),接著反向減小(反向朝下,紅色箭頭)到0,此時二極管才完成了關斷過程。
    IGBT 反并聯二極管
    所以反向尖峰電流是朝下的,這一點對理解退保和檢測中的假故障報錯很有幫助。
    即二極管反向恢復尖峰電流是從下管的IGBT集電極C到發射極E,這個電流很大,上上圖中的紅色箭頭。
    〈烜芯微/XXW〉專業制造二極管,三極管,MOS管,橋堆等,20年,工廠直銷省20%,上萬家電路電器生產企業選用,專業的工程師幫您穩定好每一批產品,如果您有遇到什么需要幫助解決的,可以直接聯系下方的聯系號碼或加QQ/微信,由我們的銷售經理給您精準的報價以及產品介紹
     
    聯系號碼:18923864027(同微信)
    QQ:709211280

    相關閱讀