最好看的2018免费观看在线-最好看的2019中文电影-最好免费观看高清视频免费-最近免费中文字幕大全免费版视频

您好!歡迎光臨烜芯微科技品牌官網!

深圳市烜芯微科技有限公司

ShenZhen XuanXinWei Technoligy Co.,Ltd
二極管、三極管、MOS管、橋堆

全國服務熱線:18923864027

  • 熱門關鍵詞:
  • 橋堆
  • 場效應管
  • 三極管
  • 二極管
  • 鋰電池保護電路的工作原理介紹
    • 發布時間:2022-10-12 18:15:50
    • 來源:
    • 閱讀次數:
    鋰電池保護電路的工作原理介紹
    鋰電池都有一個使用的安全電壓區間,最高和最低電壓一般被稱為充放電終止電壓或截止電壓,當電池的實際工作電壓長時間低于放電終止電壓或者長時間高于充電終止電壓時,電池內部將發生不可逆轉的傷害,嚴重傷害電池,導致性能下降,俗稱電池衰減,電池衰減的表現就是電池的內阻增大,容量下降等。
    所以一般鋰離子電池內部會有一個小的PCB板,和電池封裝在一起,如下圖所示,主要作用就是用來保護電池。
    鋰電池保護板 電路
    紅色框選部分為電池保護板
    這個電路板根據組成電路不同,一般會有過放保護、過充保護、過流保護、短路保護以及控制IC失效之后的FUSE保護這幾種,下面會以一個常見的電路,講解這幾種保護的工作原理。
    鋰電池保護板組成
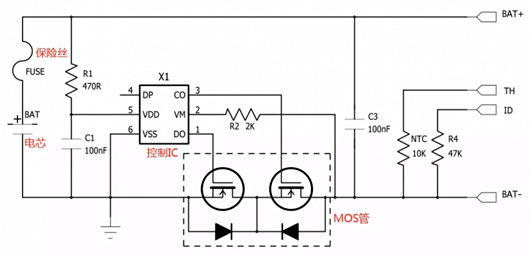
    一般的鋰電池保護板由控制IC、MOS管、電阻電容、保險絲FUSE等組成,如下圖所示。
    鋰電池保護板 電路
    常見的鋰電池保護板電路圖
    TH為溫度檢測,內部是一個10K NTC接到電池負極;ID是電池在位檢測,一般是47K/10K電阻接到電阻負極,有的是0R電阻;TH和ID均是選配,并不是所有鋰電池都有的。
    接著根據上面這么電路,來看一下如下幾種保護的工作原理吧!
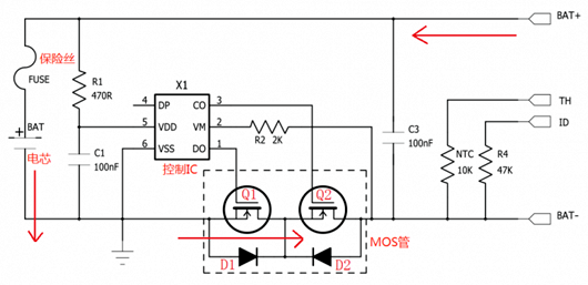
    過充保護
    電池充電時,電流(方向如箭頭所示)從電池包的正極流入,經過FUSE后從負極流出,最下方的兩個MOS管均是導通狀態。
    鋰電池保護板 電路
    電池充電時電流方向如箭頭所示
    充電時,控制IC X1會時刻監測第5腳VDD和第6腳VSS之間的電壓,當這個電壓大于等于過充截止電壓且滿足過充電壓的延時時間時,X1會通過控制第3腳來關閉MOS管Q2,Q2被關閉之后,充電回路被切斷(Q2的體二極管D2也是反向截止的),這個時候,電池只能放電。
    過充保護解除條件(滿足其一即可):
    1,電芯兩端的電壓下降到保護IC的過充恢復電壓。
    2,在電池包得輸出端加負載放電,放電到電壓小于過充保護電壓。
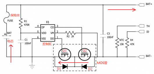
    過放保護
    在電池包兩端加負載放電時,電流(方向如箭頭所示)與充電是相反的,如下圖所示。
    鋰電池保護板 電路
    電池放電時電流方向如箭頭所示
    放電時,控制IC X1同樣會時刻監測第5腳VDD和第6腳VSS之間的電壓,當這個電壓小于等于過放截止電壓且達到過放電壓的延時時間,控制IC X1會通過第1腳關閉Q1,Q1被關閉之后,放電回路被切斷(Q1的體二極管D1是反向截止),這個時候,電池只能充電。
    過放保護解除條件:拿掉負載,給電池包充電,當VM-VDD之間的電壓達到過放恢復電壓值時,控制電池放電時電流方向如箭頭所示。
    過電流保護解除的條件是:將輸出端負載拿掉,控制IC會自動將Q1重新打開。
    過流保護的電壓值一般是0.1~0.2V,短路保護檢測的電壓值一般是0.9V~2V,這兩個值都與控制IC有關系,不同的IC,這兩個值不一樣。
    短路保護電壓值指的是電流流經Q1和Q2上的導通壓降,即可以得出,如果MOS管的導通內阻越大,保護電流值就越小。如:內阻為20mΩ的MOS管,選用的過電流值為0.15V的控制IC,那過流保護的電流應為:0.15V/(0.02*2)=3.75A。
    控制IC失效之后的FUSE保護
    有的保護板里面會加上保險絲,在控制IC失效之后,起到一個二級保護作用,避免更壞的結果,當然也會增加成本。IC X1會重新打開MOS管Q1。
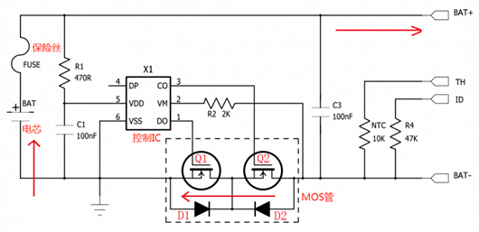
    過流保護/短路保護
    過流保護指的是過放電流的保護,一般的控制IC有過流保護和短路保護兩種,控制IC時刻監測VSS-VM之間的電壓值,當電壓值達到過流保護或者短路保護的閾值且滿足延時時間,控制IC會將MOS管Q1關閉,切斷放電回路。
    鋰電池保護板 電路
    〈烜芯微/XXW〉專業制造二極管,三極管,MOS管,橋堆等,20年,工廠直銷省20%,上萬家電路電器生產企業選用,專業的工程師幫您穩定好每一批產品,如果您有遇到什么需要幫助解決的,可以直接聯系下方的聯系號碼或加QQ/微信,由我們的銷售經理給您精準的報價以及產品介紹
     
    聯系號碼:18923864027(同微信)
    QQ:709211280
    相關閱讀