最好看的2018免费观看在线-最好看的2019中文电影-最好免费观看高清视频免费-最近免费中文字幕大全免费版视频

您好!歡迎光臨烜芯微科技品牌官網!

深圳市烜芯微科技有限公司

ShenZhen XuanXinWei Technoligy Co.,Ltd
二極管、三極管、MOS管、橋堆

全國服務熱線:18923864027

  • 熱門關鍵詞:
  • 橋堆
  • 場效應管
  • 三極管
  • 二極管
  • Boost升壓電路原理,作用解析
    • 發布時間:2022-10-10 16:49:04
    • 來源:
    • 閱讀次數:
    Boost升壓電路原理,作用解析
    boost升壓電路是六種基本斬波電路之一,是一種開關直流升壓電路,它可以使輸出電壓比輸入電壓高。主要應用于直流電動機傳動、單相功率因數校正(PFC)電路及其他交直流電源中。
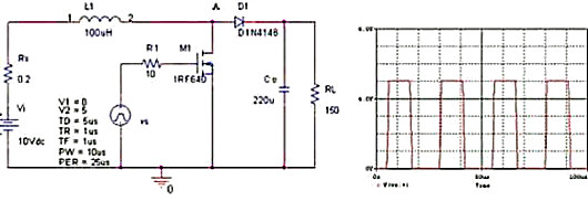
    通常,開關 Q1 導通電感儲能,電容 C 供電,在開關 M1 關閉后,產生左負右正電動勢使二極管導通并供電。
    Boost 變換一般也叫升壓變換,電感 L 儲能,通過 M1 的導通與關斷,實現升壓目的。
    Boost升壓電路
    開關管導通時,電源經由電感 - 開關管形成回路,電流在電感中轉化為磁能貯存;開關管關斷時,電感中的磁能轉化為電能在電感端左負右正,此電壓疊加在電源正端,經由二極管 - 負載形成回路,完成升壓功能。
    既然如此,提高轉換效率就要從三個方面著手:
    1. 盡可能降低開關管導通時回路的阻抗,使電能盡可能多的轉化為磁能;
    2. 盡可能降低負載回路的阻抗,使磁能盡可能多的轉化為電能,同時回路的損耗最低;
    3. 要盡可能降低能耗,因為對于電路的轉換是沒有意義的,不能供能。
    boost升壓電路原理
    當開關斷開時,L中存儲的能量會通過二極管,給負載放電;同時,Vi也會通過二極管給負載放電,二者疊加,實現升壓,放電時間dt=(1-占空比)*開關周期=(1-D)*T。
    在開關閉合和斷開的兩個時間內,電感充電和放電是一樣的,有人稱之為電感的幅秒特性,其實本質都一樣,無外乎是充放電的過程。
    Boost升壓電路
    boost升壓電路作用
    對于一個太陽能并網系統,時間和天氣都會導致陽光輻射的變化,其功率點的電壓就會不斷變化,為了提升發電量,保證在陽光弱和強時都能讓太陽能電池板都輸送出最高的功率,通常逆變器中都會加入boost升壓系統來拓寬其工作點的電壓。
    Boost升壓電路
    〈烜芯微/XXW〉專業制造二極管,三極管,MOS管,橋堆等,20年,工廠直銷省20%,上萬家電路電器生產企業選用,專業的工程師幫您穩定好每一批產品,如果您有遇到什么需要幫助解決的,可以直接聯系下方的聯系號碼或加QQ/微信,由我們的銷售經理給您精準的報價以及產品介紹
     
    聯系號碼:18923864027(同微信)
    QQ:709211280
    相關閱讀