最好看的2018免费观看在线-最好看的2019中文电影-最好免费观看高清视频免费-最近免费中文字幕大全免费版视频

您好!歡迎光臨烜芯微科技品牌官網!

深圳市烜芯微科技有限公司

ShenZhen XuanXinWei Technoligy Co.,Ltd
二極管、三極管、MOS管、橋堆

全國服務熱線:18923864027

  • 熱門關鍵詞:
  • 橋堆
  • 場效應管
  • 三極管
  • 二極管
  • CMOS邏輯電路圖文解析
    • 發布時間:2022-10-07 22:24:25
    • 來源:
    • 閱讀次數:
    CMOS邏輯電路圖文解析
    CMOS邏輯電路實現
    CMOS邏輯電路,分兩部分,上拉部分,下拉部分。上拉部分由PMOS管電路構成,下拉部分由NMOS管電路組成,如下。上下拉,形成互補。
    CMOS 邏輯電路
    由前面的基礎可知,CMOS只能實現基本邏輯的非,比如或邏輯,與邏輯,如果不加反相器,CMOS只能實現或非,與非邏輯。原因就是上拉邏輯只能用PMOS實現,下拉邏輯只能由NMOS實現,而PMOS的導通需要輸入信號為0,NMOS導通需要輸入信號為1。
    一般的設計過程
    既然如此,在用CMOS實現邏輯電路時,一般可以照如下順序去做:
    可以先將其整體先加上一個非,作相應的邏輯轉化。
    上拉邏輯中各個PMOS,與操作為并聯,或操作為串聯。
    下拉邏輯中各個NMOS,與操作為串聯,或操作為并聯。
    舉例說明
    比如我們想從CMOS層去實現邏輯 OUT = D+A*(B+C) (減號“-”表示取反(非)操作,“+”表示或,*表示與)。
    設計過程如下:
    OUT = - ( -(D+A*(B+C)) )
    OUT1 = -(D+A*(B+C))
    OUT = -OUT1
    對于OUT1 = -(D+A*(B+C)),正好是邏輯整體上帶了個非,設計(D+A*(B+C))部分之后再加上一個非即可。
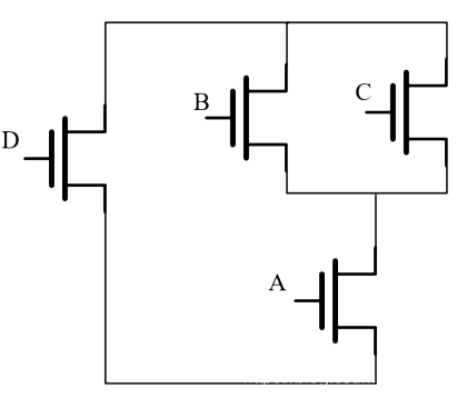
    故對于上拉邏輯:
    1.或操作為串聯,從而輸入B,C接到的PMOS之間為串聯。
    CMOS 邏輯電路
    2.與操作為并聯,故輸入A接到的PMOS跟B,C或邏輯之間為并聯。
    CMOS 邏輯電路
    3.或操作為串聯,故D與A*(B+C)的PMOS邏輯為串聯。
    CMOS 邏輯電路
    對于下拉邏輯與上拉邏輯正好相反:
    4.或操作為并聯,從而輸入B,C接到的NMOS之間為并聯。
    CMOS 邏輯電路
    5.與操作為串聯,故輸入A接到的NMOS跟B,C或邏輯之間為串聯。
    CMOS 邏輯電路
    6.或操作為并聯,故D與A*(B+C)的NMOS邏輯為并聯。
    CMOS 邏輯電路
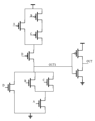
    7.從而得到 OUT1 = -(D+A*(B+C)) 的CMOS實現如下:
    過程中上下拉兩部分的邏輯式相同,組合起來后,自行補充一個非。
    則實際分析電路中,一般只需單獨分析一部分就行了。
    CMOS 邏輯電路
    8.OUT = -OUT1,故得最終答案如下:
    CMOS 邏輯電路
    當然,在MOS管級別還可以做一些優化,比如MOS管級別的邏輯優化,MOS管柵源共用,晶體管尺寸調整,重新安排各個輸入的上下順序等等,都可以在MOS管級別使得電路的時序與面積功耗等得到優化,但這不是我們的重點,一般對于全定制IC設計會從MOS管級開始考慮電路的實現。這里只是對其做一個了解。
    實際設計的重點還是會注重于門級以上的電路實現與優化,特別是到了Verilog描述,主要著重于數據流級,行為級描述。
    〈烜芯微/XXW〉專業制造二極管,三極管,MOS管,橋堆等,20年,工廠直銷省20%,上萬家電路電器生產企業選用,專業的工程師幫您穩定好每一批產品,如果您有遇到什么需要幫助解決的,可以直接聯系下方的聯系號碼或加QQ/微信,由我們的銷售經理給您精準的報價以及產品介紹
     
    聯系號碼:18923864027(同微信)
    QQ:709211280

    相關閱讀