最好看的2018免费观看在线-最好看的2019中文电影-最好免费观看高清视频免费-最近免费中文字幕大全免费版视频

您好!歡迎光臨烜芯微科技品牌官網!

深圳市烜芯微科技有限公司

ShenZhen XuanXinWei Technoligy Co.,Ltd
二極管、三極管、MOS管、橋堆

全國服務熱線:18923864027

  • 熱門關鍵詞:
  • 橋堆
  • 場效應管
  • 三極管
  • 二極管
  • 偏置電壓的差分放大器電路解析
    • 發布時間:2022-09-15 18:54:09
    • 來源:
    • 閱讀次數:
    偏置電壓的差分放大器電路解析
    偏置電壓的差分放大器電路
    運放電路在單電源供電,而又處理交變信號時,常采用預加偏置電壓的方法,(完成電平位移)取得完整的信號輸出。
    理論分析時,已不能簡單套用反饋電壓與輸入電阻的比例來得到確定值了。若嫌計算繁瑣或不想計算,此時據偏置電壓和偏置電路,用電阻串聯分壓的簡易方法,則不難實際推算出輸出電壓值。
    HSV-162A伺服驅動器,電流檢測的后級電路如圖1所示。
    偏置電壓 差分 放大器
    1 預加偏置電壓的差分衰減器電路
    電路的基本結構為差分放大器,再看R2、R1的取值,是為差分衰減器電路,其電壓衰減倍數是多少呢?
    1)靜態工作點
    IN1=IN2=2.5V,據R3、R4的串聯分壓電路,可知U24兩輸入端電壓皆為1.9V;再看R1、R2串聯分壓回路,與R3、R4的串聯分壓電路是同樣的取值,可知此時電路輸出電壓,也為1.5V。
    上電如果測U24的7腳輸出電壓為1.5V,上電報過電流故障,已經排除該電路了。
    2)動態輸出
    假定輸入電壓的差分值即IN1-IN2是±1V,輸出電壓是如何變化呢?看圖2。
    偏置電壓 差分 放大器
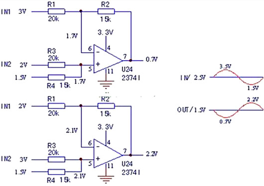
    圖2 動態輸出等效圖
    據輸入信號電壓變化,同樣,由R1/R2和R3/R4的串聯分壓電路,可大致估算出輸出電壓值,見圖2右側的波形圖。
    輸入±1V;輸出±0.5V。
    得到結論,該電路是將輸入信號之差衰減2倍輸出的差分衰減器。
    用串聯分壓算一下,個人感覺比套用公式要簡易得多,直捷得多,不用現翻書本。
    由簡單的估算確定電路的類型和好壞。如果相當熟了,一看電阻值,就知輸出電壓了。一搭表筆,就知電路的好壞了。
    遇有放大器電路問題,不要忙著換片,測量一下比焊片更快也更省事兒。因為確定其好壞,不是難事兒。
    〈烜芯微/XXW〉專業制造二極管,三極管,MOS管,橋堆等,20年,工廠直銷省20%,上萬家電路電器生產企業選用,專業的工程師幫您穩定好每一批產品,如果您有遇到什么需要幫助解決的,可以直接聯系下方的聯系號碼或加QQ/微信,由我們的銷售經理給您精準的報價以及產品介紹
     
    聯系號碼:18923864027(同微信)
    QQ:709211280

    相關閱讀