最好看的2018免费观看在线-最好看的2019中文电影-最好免费观看高清视频免费-最近免费中文字幕大全免费版视频

您好!歡迎光臨烜芯微科技品牌官網!

深圳市烜芯微科技有限公司

ShenZhen XuanXinWei Technoligy Co.,Ltd
二極管、三極管、MOS管、橋堆

全國服務熱線:18923864027

  • 熱門關鍵詞:
  • 橋堆
  • 場效應管
  • 三極管
  • 二極管
  • 簡易PWM調速電路圖分享詳解
    • 發布時間:2022-07-06 18:11:00
    • 來源:
    • 閱讀次數:
    簡易PWM調速電路圖分享詳解
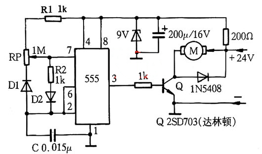
    PWM調速電路圖
    PWM調速電路,PWM脈寬控制調速電路應用廣泛。例如,我們常用的電動起子,就是用了PWM脈寬控制,把手指的按壓轉成不同的轉速。
    往往在電動起子上,用到的是很簡單、并且成本很低的電路來實現。
    PWM脈寬控制,除了可以用來調速,還可以用來控制電磁線圈的磁力大小、電阻加熱的功率大小等。
    PWM脈寬控制的實現方法很多。
    PWM調速電路
    這個PWM調速電路,用時基電路555產生振蕩脈沖。
    振蕩頻率為:f=1/0.69·(RP+R1)·C
    R1相對于RP僅為其千分之一,可以忽略不計。
    所以振蕩頻率可以簡化為:f=1/0.69·RP·C
    這個電路中振蕩頻率設定為200Hz左右,由于定時電容C的充放電路徑不同,所以調整RP可以改變脈沖的占空比(即:PWM)。按圖中原件參數,占空比可從1%~90%之間變化。
    555的第3引腳驅動功率管Q,可以達到驅動大功率負載的需要。
    下圖電路由LM324和MOS管組成,通過改變輸出方波的占空比,使得負載上的平均接通時間從0到100%變化,以達到調整速度的目的。
    PWM調速電路
    電路圖講解:
    電路中由LM324組成了四個不同的功能模塊:
    一是由U1C組成,產生一個6V的基準電壓,作為振蕩電路的基準電壓;
    二是由U1A組成的遲滯比較器,U1B積分電路組成的三角波發生器,兩個首尾相連,形成一個波形振蕩器;
    三是由U1D組成的一個電壓比較器,其中R6,R7,R9分壓網絡給比較器提供基準電壓。
    另外,比較器U1D的輸出接了一個柵極電阻R5至MOS管Q1。通過比較器輸出的方波,驅動Q1的導通和關斷。
    而且,由R6,R7,R9分壓網絡提供的基準電壓是與U1B輸出的三角波進行比較,當三角波的電壓高于基準電壓,比較器就輸出高電平,Q1導通,負載就會有電流回路;
    當三角波電壓低于基準電壓時,比較器就輸出低電平,Q1截止,負載的電流回路被切斷,負載斷電。
    其中,發光二極管D1為負載電源接通時的指示燈;二極管在負載為感性負載時,必須要接上,起到保護MOS管Q1的作用。
    這里負載可以是電機,那通過改變基準電壓的大小,就能改變比較器U1D輸出的高低電平時間,改變電機的轉速。除了電機外,負載還可以是燈泡,這樣改變的就是燈泡的亮度了。
    注意:
    本例電路所接電源是12V,可以接12V的電機或其他相同額定電壓的負載。但也可以改成24V的。另外,本例電路中,三角波的頻率固定了,所以可以自己修改電路,改成頻率可調。
    〈烜芯微/XXW〉專業制造二極管,三極管,MOS管,橋堆等,20年,工廠直銷省20%,上萬家電路電器生產企業選用,專業的工程師幫您穩定好每一批產品,如果您有遇到什么需要幫助解決的,可以直接聯系下方的聯系號碼或加QQ/微信,由我們的銷售經理給您精準的報價以及產品介紹
     
    電話:18923864027(同微信)
    QQ:709211280

    相關閱讀