最好看的2018免费观看在线-最好看的2019中文电影-最好免费观看高清视频免费-最近免费中文字幕大全免费版视频

您好!歡迎光臨烜芯微科技品牌官網!

深圳市烜芯微科技有限公司

ShenZhen XuanXinWei Technoligy Co.,Ltd
二極管、三極管、MOS管、橋堆

全國服務熱線:18923864027

  • 熱門關鍵詞:
  • 橋堆
  • 場效應管
  • 三極管
  • 二極管
  • 逆變電路,IGBT兩端并聯二極管的作用介紹
    • 發布時間:2022-06-27 20:12:36
    • 來源:
    • 閱讀次數:
    逆變電路,IGBT兩端并聯二極管的作用介紹
    IGBT兩端并聯二極管作用
    在逆變電路接感性負載的情況下,感性負載中的電流不能突變。在換相時,為了維持電感上的電流,IGBT中的電流會轉移到反并聯的二極管上,以維持電流的持續流動。
    如下圖,當下管IGBT T1開通時,負載電感上會產生一個電流,如紅色箭頭所示。當下管IGBT T1關閉后,電流不能再從T1上流過,于是電流就換流到上管的反并聯二極管D2上。這就是反并聯二極管,又叫續流二極管的作用。
    IGBT 并聯二極管
    對于mosfet來說不需要二極管,因為功率mosfet的工藝決定它做出來就帶一個二極管,這個二極管用于電流電流反向時能夠導通使得電流有通路不至于損壞器件。
    而igbt不一樣,它的工藝做出igbt本體晶圓是沒有寄生二極管的,換句話說就是如果只有igbt電流反向的時候是沒有通路的,這樣在感性回路就會引起過電壓損壞器件。
    并聯一個二極管就是為了提供電流續流通路的。當然igbt內部封裝的二極管如果有些參數不夠還可以在igbt外部再并聯二極管,比如igbt內部二極管導通壓降較高,外部可以并聯導通壓降低的二極管以降低損耗。
    IGBT反并聯二極管的功能
    IGBT 并聯二極管
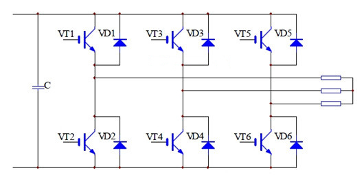
    此圖是三相雙向逆變電路,圖中我們可以看到反并聯二極管的用法。
    當輸入直流電壓高于負載反向電動勢時,它是一個逆變電路,將直流電變成峰值等于(或小于)直流電壓的交流電(波形由驅動信號決定,常用驅動信號是SPWM正弦脈寬調制,即正弦波交流電)。
    當輸入直流電壓低于負載反向電動勢時,它是一個三相整流橋,此時來自負載的反向充電電流經整流橋流回直流電源,實現電剎車。
    為什么要把兩者封裝在一塊。事實上大部分的IGBT應用都是上圖的電路(兩相、三相或更多相),封裝在一起可以降低成本、簡化電路、增加可靠性。
    而IGBT單獨使用時,反向二極管通常不起作用,也就不影響電路設計,只是要小心電線接反時可能導致電機誤動。
    〈烜芯微/XXW〉專業制造二極管,三極管,MOS管,橋堆等,20年,工廠直銷省20%,上萬家電路電器生產企業選用,專業的工程師幫您穩定好每一批產品,如果您有遇到什么需要幫助解決的,可以直接聯系下方的聯系號碼或加QQ/微信,由我們的銷售經理給您精準的報價以及產品介紹
     
    電話:18923864027(同微信)
    QQ:709211280

    相關閱讀