最好看的2018免费观看在线-最好看的2019中文电影-最好免费观看高清视频免费-最近免费中文字幕大全免费版视频

您好!歡迎光臨烜芯微科技品牌官網!

深圳市烜芯微科技有限公司

ShenZhen XuanXinWei Technoligy Co.,Ltd
二極管、三極管、MOS管、橋堆

全國服務熱線:18923864027

  • 熱門關鍵詞:
  • 橋堆
  • 場效應管
  • 三極管
  • 二極管
  • 開關電源中的尖峰吸收電路詳細解析
    • 發布時間:2022-06-21 17:41:50
    • 來源:
    • 閱讀次數:
    開關電源中的尖峰吸收電路詳細解析
    尖峰吸收電路
    開關電源的主元件大都有寄生電感與電容,寄生電容Cp一般都與開關元件或二極管并聯,而寄生電感L通常與其串聯。由于這些寄生電容與電感的作用,開關元件在通斷工作時,往往會產生較大的電壓浪涌與電流浪涌。
    開關的通斷與二極管反向恢復時都要產生較大電流浪涌與電壓浪涌。而抑制開關接通時電流浪涌的有效方法是采用零電壓開關電路。
    另一方面,開關斷開的電壓浪涌與二極管反向恢復的電壓浪涌可能會損壞半導體元件,同時也是產生噪聲的原因。
    為此,開關斷開時,就需要采用吸收電路。二極管反向恢復時,電壓浪涌產生機理與開關斷開時相同,因此,這種吸收電路也適用于二極管電路。
    本文介紹了RC、RCD、LC等吸收電路,這些吸收電路的基本工作原理就是在開關斷開時為開關提供旁路,以吸收蓄積在寄生電感中的能量,并使開關電壓被鉗位,從而抑制浪涌電流。
    尖峰吸收電路
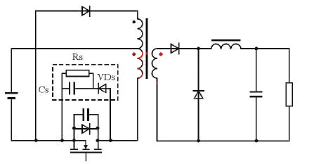
    1.RC吸收電路
    尖峰吸收電路
    圖1所示是一個RC吸收網絡的電路圖。
    它是電阻Rs與電容Cs串聯的一種電路,同時與開關并聯連接的結構。若開關斷開,蓄積在寄生電感中的能量對開關的寄生電容充電的同時,也會通過吸收電阻對吸收電容充電。
    這樣,由于吸收電阻的作用,其阻抗將變大,那么,吸收電容也就等效地增加了開關的并聯電容的容量,從而抑制開關斷開的電壓浪涌。
    而在開關接通時,吸收電容又通過開關放電,此時,其放電電流將被吸收電阻所限制。
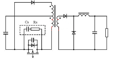
    2.RC吸收電路
    RCD吸收電路如圖2所示,它由電阻Rs、電容Cs和二極管VDs構成,其中電阻Rs也可以與二極管VDs并聯連接。
    若開關斷開,蓄積在寄生電感中的能量將通過開關的寄生電容充電,開關電壓上升。
    其電壓上升到吸收電容的電壓時,吸收二極管導通,從而使開關電壓被吸收二極管所鉗位(約為1 V左右),同時寄生電感中蓄積的能量也對吸收電容充電。開關接通期間,吸收電容則通過電阻放電。
    尖峰吸收電路
    RC吸收網絡電路
    采用RC和RCD吸收電路也可以對變壓器消磁,而不必另設變壓器繞組與二極管組成的去磁電路。
    變壓器的勵磁能量都會在吸收電阻中消耗掉。RC與RCD吸收電路不僅可以消耗變壓器漏感中蓄積的能量,而且也能消耗變壓器勵磁能量,因此,這種方式同時降低了變換器的變換效率。
    由于RCD吸收電路是通過二極管對開關電壓鉗位,效果要比RC好,同時,它也可以采用較大電阻,但能量損耗也比RC小。
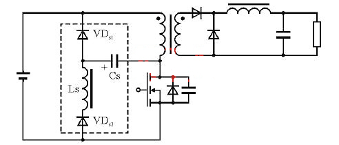
    LC吸收電路
    (LC電路是由電容、電感、電阻等元件和電子器件組成的能夠產生振蕩電流或具有濾波作用的電路,由電感線圈L和電容器C相連而成的LC電路是簡單的一種LC電路)。
    尖峰吸收電路
    LC吸收電路如圖3所示,它由Ls、Cs、VDs1和VDs2構成。
    若開關斷開,蓄積在漏磁或勵磁等電感中的能量可通過VDs1經電容Cs放電,使吸收電容Cs電壓反向,從而使變壓器由電容電壓消磁。
    這期間,輸入電壓與吸收電容的電壓加到開關上的電壓極性再次反向。一般情況下,LC吸收電路不消耗能量。
    要提高開關頻率,同時提高開關電源產品的質量,電壓浪涌與電流浪涌問題必須重點考慮。本文是在分析了干擾產生機理以及經過大量實踐的基礎上,提出了這種行之有效的抑制措施。
    因此,要解決好浪涌問題,還要結合設計的實際,分析浪涌產生的機理,結合實際來設計浪涌吸收電路,以使開關電源的浪涌干擾降到點。
    〈烜芯微/XXW〉專業制造二極管,三極管,MOS管,橋堆等,20年,工廠直銷省20%,上萬家電路電器生產企業選用,專業的工程師幫您穩定好每一批產品,如果您有遇到什么需要幫助解決的,可以直接聯系下方的聯系號碼或加QQ/微信,由我們的銷售經理給您精準的報價以及產品介紹
     
    電話:18923864027(同微信)
    QQ:709211280

    相關閱讀