最好看的2018免费观看在线-最好看的2019中文电影-最好免费观看高清视频免费-最近免费中文字幕大全免费版视频

您好!歡迎光臨烜芯微科技品牌官網!

深圳市烜芯微科技有限公司

ShenZhen XuanXinWei Technoligy Co.,Ltd
二極管、三極管、MOS管、橋堆

全國服務熱線:18923864027

  • 熱門關鍵詞:
  • 橋堆
  • 場效應管
  • 三極管
  • 二極管
  • 場效應管G極電壓可以大于D極電壓嗎,解析
    • 發布時間:2022-06-02 15:50:44
    • 來源:
    • 閱讀次數:
    場效應管G極電壓可以大于D極電壓嗎,解析
    場效應管-電壓
    N溝道場效應管柵極(G極)電壓是否可以大于漏極(D極)電壓?為什么?答案:完全是可以的;場效應管完全導通時其G極電壓就比D極電壓高。
    N溝道場效應管
    場效應管有N溝道和P溝道兩種類型,共有3個極:柵極(G極)、漏極(D極)和源極(S極),其中G極屬于驅動端,G極與S極有相應的壓差,管子才導通。
    場效應管與三極管不同,屬于壓控元件(三極管屬于電流元件),柵極輸入阻抗很大(約10^7Ω~10^12Ω),電流很小幾乎為零。
    以N溝道場效應管為例進行說明,下圖為N溝道場效應管的結構及符號。
    場效應管 電壓
    場效應管也有三個工作區間:截止區(夾斷區)、可變電阻區和恒流區(飽和區)。
    截止區:VGS<VGS(th),VGS(th)為管子的開啟電壓,此期間漏極-源極之間的阻抗很大,ID電流幾乎為零(一般μA級以下),相當于開路。
    可變電阻區:VGS(th)<VGS<VGS(飽和),當VGS兩端的電壓達到管子的開啟電壓時,漏極開始有電流,此時漏極-源極的阻抗比較大,VGS持續增大,阻抗隨之減小,此區間ID與VGS呈線性關系。
    恒流區(飽和區):當VGS繼續增大,漏極電流(ID)不再增大(趨于穩定)時,此區間屬于恒流區,也就是管子完全飽和狀態。
    管子飽和時,漏極-源極的阻抗(內阻)很小,都是mΩ數量級,比如50mΩ、8mΩ等,質量較好的大電流場效應管其飽和內阻可達1mΩ/2mΩ,甚至更小。
    N溝道場效應管應用實例
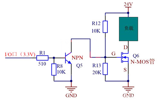
    如下圖為使用3.3V的I/O口控制N溝道場效應管的原理,由于場效應管的飽和控制電壓VGS一般6V~10V,因此不能直接使用3.3V電平的IO口直接控制場效應管。
    該原理通過NPN三極管驅動場效應管,因為三極管屬于電流驅動,一般電壓大于0.6V即可驅動三極管。該原理的具體過程為:
    當I/O口為高電平(3.3V)時,三極管Q1導通,將場效應管Q2的柵極電壓拉低(幾乎為0V),此時VGS≈0V,場效應管Q2截止,負載不工作;
    當IO口輸出低電平時,三極管Q1基極電壓為0,三極管截止,場效應管Q2柵極電壓由24V經10K和20K分壓得到8V電壓,即VGS=8V,場效應管Q2導通(飽和),負載工作。
    場效應管 電壓
    實例是使用場效應管的截止/飽和區將場效應管當電子開關控制負載,在實際應用中,場效應管當開關的場合很多,但場效應管的作用不僅僅只是開關,場效應管的輸入阻抗很高,可作為多級放大電路的輸入級提高輸入阻抗,也可以作為恒流源、可變電阻使用。
    熟悉場效應管的原理及應用之后,答案已經很明了了,N溝道的場效應管的恒流區(飽和區)柵極(G極)和源極(S極)之間施加電壓一般6V~10V(管子飽和驅動電壓),當管子達到飽和時其內阻很小,都是mΩ級別,小的可達幾mΩ。
    如上圖例子,假設該管子內阻為20mΩ,負載電流為5A,管子飽和時VDS=20mΩ×5A=0.1V,而驅動電壓VGS=8V,源極S接地,因此G極的電壓為8V而D極的電壓只有0.1V,可見G極的電壓明顯比D極高。
    總結:在管子各極所能承受的電壓范圍內,柵極(G極)的電壓是可以高于漏極(D極)電壓的,場效應管之所以能夠廣泛應用,是因為其有很多優點,比如輸入阻抗高,穩定性好,輸出端對輸入端影響很小;
    驅動負載能力強,在中小電流場合壓降小;熱穩定性好,噪聲低,失真小。因此中小電流場合場效應管占優勢,但在大電流場合晶體管、IGBT占優勢。
    〈烜芯微/XXW〉專業制造二極管,三極管,MOS管,橋堆等,20年,工廠直銷省20%,上萬家電路電器生產企業選用,專業的工程師幫您穩定好每一批產品,如果您有遇到什么需要幫助解決的,可以直接聯系下方的聯系號碼或加QQ/微信,由我們的銷售經理給您精準的報價以及產品介紹
     
    電話:18923864027(同微信)
    QQ:709211280

    相關閱讀