最好看的2018免费观看在线-最好看的2019中文电影-最好免费观看高清视频免费-最近免费中文字幕大全免费版视频

您好!歡迎光臨烜芯微科技品牌官網!

深圳市烜芯微科技有限公司

ShenZhen XuanXinWei Technoligy Co.,Ltd
二極管、三極管、MOS管、橋堆

全國服務熱線:18923864027

  • 熱門關鍵詞:
  • 橋堆
  • 場效應管
  • 三極管
  • 二極管
  • 四個鋰電池供電電路設計方案詳圖解析
    • 發布時間:2022-04-15 18:44:12
    • 來源:
    • 閱讀次數:
    四個鋰電池供電電路設計方案詳圖解析
    下圖介紹一種基于TP4056的單節鋰電池的充電方案,并通過簡單外圍電路實現過充過放保護,電源自動切換和硬件開關機。
    1、TP4056充電方案
    鋰電池 供電 電路
    圖1中4腳為電源輸入引腳,8腳為使能引腳,高電平有效(因此直接接到電源);
    7腳和6腳,功能分別為充電狀態指示和充電完成指示,這兩個引腳內部結構均為漏極開漏輸出,當它們導通時,對應連接的LED就會通過引腳內部的MOS管形成通路,使LED點亮。
    正常充電情況下,7腳導通,紅燈亮,6腳截止,綠燈滅。充電完成后,7腳和6腳間的邏輯翻轉,綠燈亮,紅燈滅;5腳為電池正極連接端,芯片通過該引腳對電池進行充電;
    1腳為溫度保護信號輸入端,其基本原理為,通過電池內部的NTC(負溫度系數熱敏電阻,隨著溫度升高而阻值降低,溫度降低而阻值升高)與外部的電阻分壓后輸入TEMP引腳,
    當該電壓值低于輸入電壓45%和高于輸入電壓的80%,充電將被暫停,如果不使用溫度檢測功能,則可以將該引腳直接接地。2腳為充電電壓編程引腳。
    其中:
    鋰電池 供電 電路
    BAT為充電電流
    VPROG為編程電壓(在預充階段為0.1V,恒流充階段為1V)
    RPROG為編程電阻,通過Vprog引腳鏈接到地
    例如,如果RPROG = 1200Ω,則預充階段充電電流為:
    0.1/1200*1200=0.1A
    恒流階段充電電流為
    1/1200*1200=1A
    到此TP4056芯片功能介紹完畢,更加詳細的資料可下載其數據手冊進行詳細了解。
    2、過放及過充保護
    過充和過放保護,從字面意思理解即可,就是避免電池過度放電和過度充電。
    一般來說,鋰電池廠家都會有內置保護電路板,對電池進行過充和過放的保護,這種情況下,我們直接使用TP4056即可;下面將要介紹的使用是沒有內置保護板的鋰電池而采用的保護方案。
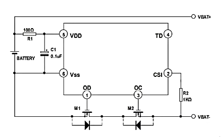
    在眾多保護方案中,DW01加MOS管為最常見的方案,電路如下
    鋰電池 供電 電路
    正常狀態下,M1,M2均導通,
    過充狀態下,M2截止,充電回路切斷,過放狀態下,M1截止,放電回路切斷,兩種狀態實現對電池的過充過放保護;
    基于DW01加兩個MOS的方案,廠商還推出了內部集成MOS的DW06,相比較而言,DW06外部電路更簡單電路圖如下
    鋰電池 供電 電路
    3、自動電源切換
    該電源切換電路選自于TP4056的數據手冊中,下面分析其工作原理
    鋰電池 供電 電路
    鋰電池 供電 電路
    在只有VCC-BAT供電的情況下,由于MOS管Q3的G極被R1拉低到地,則MOS導通,VCC-BAT通過Q3向后級供電;
    當USB電源VCC-USB插入后,Q3的G極變為高電平,使Q3截止,VCC-USB通過D1向后級供電;
    USB拔除后,Q3導通,供電狀態恢復為VCC-BAT供電。
    4、硬件開關機電路
    一般來說,為了實現對系統的硬件電源切斷,會使用直接的機械開關進行控制電源的通斷。
    但是由于機械開關存在著體積較大(不利于小型化設計),且由于磨損導致壽命較短等缺點,按鍵開關越來越多的被使用,下面介紹一種比較簡單的實現電路:
    鋰電池 供電 電路
    如上圖所示
    關機狀態:由于Q1被R1鉗位到高電平,Q1截止,VCC不能向后級供電;
    開機:長按S2,D2導通,使Q1的G極拉低而導通,VCC通過Q1向后級VCC-SYS供電;VCC-SYS連接MCU電源,MCU通電復位后開始工作,通過控制連接到MCU上面I/O的Power-On,使其為高電平,此時Q2導通,使Q1的G極變為低電平,松開按鍵S2,只要Power-On引腳電平保持為高電平,系統供電正常供電;
    關機流程:開機狀態下,長按下S2,MCU通過D2,檢測到低電平,累計一定時間后,判定為關機動作,將Power-ON引腳輸出低電平,Q1截止,系統斷電;
    上面所述的電路,可實現系統的硬關機。
    上面提到的四個電路,可根據實際情況進行組合調整,應用于電路之中。
    〈烜芯微/XXW〉專業制造二極管,三極管,MOS管,橋堆等,20年,工廠直銷省20%,上萬家電路電器生產企業選用,專業的工程師幫您穩定好每一批產品,如果您有遇到什么需要幫助解決的,可以直接聯系下方的聯系號碼或加QQ/微信,由我們的銷售經理給您精準的報價以及產品介紹
     
    電話:18923864027(同微信)
    QQ:709211280

    相關閱讀