最好看的2018免费观看在线-最好看的2019中文电影-最好免费观看高清视频免费-最近免费中文字幕大全免费版视频

您好!歡迎光臨烜芯微科技品牌官網!

深圳市烜芯微科技有限公司

ShenZhen XuanXinWei Technoligy Co.,Ltd
二極管、三極管、MOS管、橋堆

全國服務熱線:18923864027

  • 熱門關鍵詞:
  • 橋堆
  • 場效應管
  • 三極管
  • 二極管
  • 激光二極管保護電路的設計原理詳解
    • 發布時間:2022-03-10 15:24:07
    • 來源:
    • 閱讀次數:
    激光二極管保護電路的設計原理詳解
    激光二極管本質上是一個半導體二極管,按照PN結材料是否相同,可以把激光二極管分為同質結、單異質結(SH)、雙異質結(DH)和量子阱(QW)激光二極管。量子阱激光二極管具有閾值電流低,輸出功率高的優點,是目前市場應用的主流產品。同激光器相比,激光二極管具有效率高、體積小、壽命長的優點。
    激光二極管的特性
    激光二極管(LD—Laser diode)是一個電流器件,只在它通過的正向電流超過閾值電流Ith (Threhold current) 時它發出激光。
    為了使LD高速開關工作,必須對它加上略大于閾值電流的直流偏置電流IBIAS
    LD的兩個主要參數:閾值電流Ith和斜效率S (Slope efficiency)是溫度的函數,且具有離散性。
    保護電路
    圖:激光二極管的特性
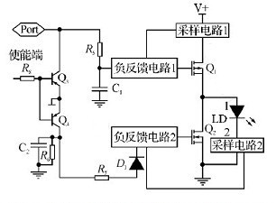
    限流電路的設計
    這是個雙限流電路,兩個限流電路確保通過激光二極管(LD)電流不會超過設定值。具體工作原理。
    保護電路
    圖:限流控制電路原理
    Q1為P型MOS管,Q2為N型MOS管。流過Q1的電流通過采樣電路1變為電壓信號與基準電壓相比較,通過負反饋電路1控制,可使得流過Q1的電流恒定。通過半導體激光器LD的電流經過采樣電路2變為電壓信號與電流調節端電壓相比較,如果流過半導體激光器的電流超過設定值,經過負反饋電路2調節使得通過Q2的電流增加,導致通過LD電流減小;流過LD的電流太小,經過采樣電路2、負反饋電路2調節可使得流過Q2的電流變小,導致流過LD的電流變大,如此反復,通過負反饋電路的控制可使得流過半導體激光器的電流恒定,這種負反饋過程建立的時間很快。
    浪涌吸收電路及慢啟動電路的設計                        
    浪涌多發生在功率器件開通和關斷的瞬間,因為這個瞬間電路會有很大電流流過或者電路中某個器件兩端會有很大的電壓。
    保護電路
    圖:浪涌吸收電路及慢啟動電路原理
    這種電路是利用功率器件的開通或關斷來強制吸收或隔離浪涌對器件的沖擊。這個電路作用分三個階段:
    1)在使能端電壓為低電平階段。使能端電壓為低電平,Q3導通,通過負反饋電路1的控制,Q1斷開,強制隔離電源V+對半導體激光器LD的沖擊;使能端為低電平,Q4導通,通過負反饋電路2控制,使Q2導通,這樣即使有浪涌沖擊,也會被Q2強制吸收,不會影響半導體激光器LD。
    2)使能端從低電平到高電平階段。Q3、Q4斷開。設C1上的電壓從V+降到基準電壓值所要的時間為t1,C2從V+降到電流調節端設定電壓值的時間為t2。
    調節R5、C1和R6、C2參數可以使得t2mt1。這樣在t1階段,通過負反饋電路1的控制使得Q1慢慢導通,流過Q1電流從零直到恒定,這時由于t2mt1,C2上還有電壓,通過負反饋電路2的控制使得Q2處于導通狀態,這樣流過Q1的電流,以及由于Q1開通產生的浪涌電流全部由Q2吸收,然后隨著時間的增加C2電壓慢慢降為零,流過Q2的電流慢慢減小,LD上電流慢慢增加直到達到設定值。
    3)使能端從高電平到低電平階段。使能端為低電平Q3,Q4導通。C1由于R5存在,電壓從基準電壓慢慢升至V+,通過負反饋電路1的控制使得Q1慢慢關斷;Q4導通,V+直接給C2充電,電壓迅速升為V+,通過負反饋電路2的控制使得Q2迅速導通,這樣由于Q1關斷產生的浪涌將會被Q2強制吸收。
    〈烜芯微/XXW〉專業制造二極管,三極管,MOS管,橋堆等,20年,工廠直銷省20%,上萬家電路電器生產企業選用,專業的工程師幫您穩定好每一批產品,如果您有遇到什么需要幫助解決的,可以直接聯系下方的聯系號碼或加QQ/微信,由我們的銷售經理給您精準的報價以及產品介紹
     
    電話:18923864027(同微信)
    QQ:709211280

    相關閱讀