最好看的2018免费观看在线-最好看的2019中文电影-最好免费观看高清视频免费-最近免费中文字幕大全免费版视频

您好!歡迎光臨烜芯微科技品牌官網!

深圳市烜芯微科技有限公司

ShenZhen XuanXinWei Technoligy Co.,Ltd
二極管、三極管、MOS管、橋堆

全國服務熱線:18923864027

  • 熱門關鍵詞:
  • 橋堆
  • 場效應管
  • 三極管
  • 二極管
  • B5819WS肖特基二極管參數,B5819WS正負極,B5819WS規格書資料
    • 發布時間:2021-12-17 15:43:16
    • 來源:
    • 閱讀次數:
    B5819WS肖特基二極管參數,B5819WS正負極,B5819WS規格書資料
    B5819WS肖特基二極管,B5819WS二極管封裝為SOD-323,B5819WS參數規格書,B5819WS的作用
    B5819WS
    B5819WS肖特基二極管參數規格書: 點擊查看B5819WS
    B5819WS肖特基二極管,SOD-323封裝參數如下:
    B5819WS
    Non-Repetitive Peak Reverse Voltage VRM 非重復峰值反向電壓:40V
    Peak Repetitive Reverse Voltage VRRM 峰值重復反向電壓:40V
    Working Peak Reverse Voltage VRWM 工作峰值反向電壓:40V
    DC Blocking Voltage VR 直流阻斷電壓:40V
    RMS Reverse Voltage VR(RMS) 均方根反向電壓:28V
    Forward Continuous Current IFM 正向連續電流:1A
    Power Dissipation PD 功耗:250mW
    Maximum Forward Voltage VFM IF=1A時,最大正向電壓:0.6V
    Operating junction and storage temperature range TJ,TSTG 工作溫度和存儲溫度范圍:-65to +150℃
    B5819WS肖特基二極管,SOD-123封裝尺寸:
    B5819WS
    B5819WS肖特基二極管,SOD-323封裝尺寸:
    B5819WS
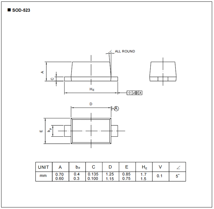
    B5819WS肖特基二極管,SOD-523封裝尺寸:
    B5819WS
    〈烜芯微/XXW〉專業制造二極管,三極管,MOS管,橋堆等,20年,工廠直銷省20%,上萬家電路電器生產企業選用,專業的工程師幫您穩定好每一批產品,如果您有遇到什么需要幫助解決的,可以直接聯系下方的聯系號碼或加QQ/微信,由我們的銷售經理給您精準的報價以及產品介紹
     
    聯系號碼:18923864027(同微信)
    QQ:709211280
     
    相關閱讀