最好看的2018免费观看在线-最好看的2019中文电影-最好免费观看高清视频免费-最近免费中文字幕大全免费版视频

您好!歡迎光臨烜芯微科技品牌官網!

深圳市烜芯微科技有限公司

ShenZhen XuanXinWei Technoligy Co.,Ltd
二極管、三極管、MOS管、橋堆

全國服務熱線:18923864027

  • 熱門關鍵詞:
  • 橋堆
  • 場效應管
  • 三極管
  • 二極管
  • KBPC1510W整流橋,KBPC1510W整流橋參數規格書
    • 發布時間:2021-10-26 18:14:27
    • 來源:
    • 閱讀次數:
    KBPC1510W整流橋,KBPC1510W整流橋參數規格書
    KBPC1510W整流橋,KBPC1510W封裝為KBPCW,KBPC1510W整流橋參數,KBPC1510W規格書
    KBPC1510W
    KBPC1510W整流橋參數規格書:點擊查看KBPC1510W
    KBPC1510W整流橋參數具體如下:
    KBPC1510W
    Maximum repetitive peak reverse voltage VRRM最大重復峰值反向電壓:1000V
    Maximum average forward rectified current IF(AV) 最大平均正向整流電流:15A
    Maximum instantaneous forward voltage drop per diode IFM=7.5A VF 每個二極管的最大瞬時正向壓降:1.1V
    Maximum DC reverse current at rated DC blocking voltage per diode VRM=VRRM 每個二極管在額定直流阻斷電壓下的最大直流反向電流:10uA
    Operating temperature range TJ 工作溫度范圍:-65 to +150°C
    storage temperature range TSTG 儲存溫度范圍:-65 to +150°C
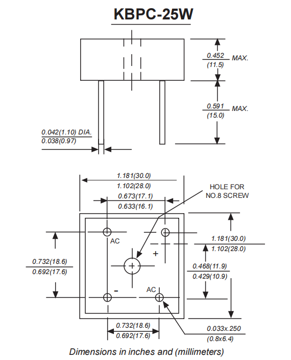
    KBPC1510W整流橋堆封裝,KBPCW封裝尺寸:
    KBPC1510W
    〈烜芯微/XXW〉專業制造二極管,晶體三極管,MOS管,整流橋堆等,20年,工廠直銷省20%,上萬家電路電器生產企業選用,專業的工程師幫您穩定好每一批產品,如果您有遇到什么需要幫助解決的,可以直接聯系下方的聯系號碼或加QQ/微信,由我們的銷售經理給您精準的報價以及產品介紹
     
    聯系號碼:18923864027(同微信)
    QQ:709211280
    相關閱讀