最好看的2018免费观看在线-最好看的2019中文电影-最好免费观看高清视频免费-最近免费中文字幕大全免费版视频

您好!歡迎光臨烜芯微科技品牌官網!

深圳市烜芯微科技有限公司

ShenZhen XuanXinWei Technoligy Co.,Ltd
二極管、三極管、MOS管、橋堆

全國服務熱線:18923864027

  • 熱門關鍵詞:
  • 橋堆
  • 場效應管
  • 三極管
  • 二極管
  • KBP310整流橋,KBP310整流橋參數
    • 發布時間:2021-08-10 16:21:30
    • 來源:
    • 閱讀次數:
    KBP310整流橋,KBP310整流橋參數
    KBP310整流橋3A 1000V,KBP310封裝為KBP,DIP-4,KBP310整流橋參數規格書
    KBP310
    KBP310整流橋參數規格書:點擊下載
    KBP310整流橋參數具體如下:
    KBP310
    Maximum repetitive peak reverse voltage VRRM最大重復峰值反向電壓:1000.0V
    Maximum DC blocking voltage VDC最大直流阻斷電壓:1000.0V
    Maximum average forward rectified current IF(AV) 最大平均正向整流電流:3.0A
    Maximum instantaneous forward voltage drop per birdge element at 3.0A VF 3.0A時最大瞬間正向壓降:1.0V
    Maximum DC reverse current TA=25* IR 最大直流反向電流TA=25*:10.0uA
    at rated DC blocking voltage TA=125* IR 額定直流反向電流TA=125*:0.5mA
    Operating temperature range TJ 工作溫度范圍:-55 to +150°C
    storage temperature range TSTG 儲存溫度范圍:-55 to +150°C
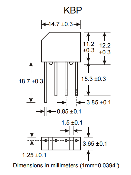
    KBP310整流橋堆封裝,KBP封裝尺寸:
    KBP310
    聯系號碼:18923864027(同微信)
    QQ:709211280
    〈烜芯微〉專業制造二極管,晶體三極管,MOS管,整流橋堆等,20年,工廠直銷省20%,1500家電路電器生產企業選用,專業的工程師幫您穩定好每一批產品,如果您有遇到什么需要幫助解決的,可以直接聯系上方的聯系號碼或加QQ,由我們的銷售經理給您精準的報價以及產品介紹
    相關閱讀