最好看的2018免费观看在线-最好看的2019中文电影-最好免费观看高清视频免费-最近免费中文字幕大全免费版视频

您好!歡迎光臨烜芯微科技品牌官網!

深圳市烜芯微科技有限公司

ShenZhen XuanXinWei Technoligy Co.,Ltd
二極管、三極管、MOS管、橋堆

全國服務熱線:18923864027

  • 熱門關鍵詞:
  • 橋堆
  • 場效應管
  • 三極管
  • 二極管
  • M7整流二極管,1A,1000V,SMA/SMAF/SOD-123封裝,M7參數規格書
    • 發布時間:2021-07-19 18:22:04
    • 來源:
    • 閱讀次數:
    M7整流二極管,1A,1000V,SMA/SMAF/SOD-123封裝,M7參數規格書
    M7是貼片整流二極管,1A,1000V,M7封裝有SMA/SMAF/SOD-123多種封裝,其參數一致,封裝尺寸不同
    M7/SMA封裝: 點擊下載
    M7/SMAF封裝: 點擊下載
    M7/SOD-123封裝: 點擊下載
    M7
    M7二極管參數具體如下:
    M7
    Maximum repetitive peak reverse voltage VRRM 最大重復峰值反向電壓:1000V
    Maximum DC blocking voltage VDC 最大直流閉鎖電壓:1000V
    Maximum average forward rectified current I(AV) 最大正向平均整流電流:1A
    Maximum instantaneous forward voltage at 1A VF 1A時的最大瞬時正向電壓:1.0V
    Maximum DC reverse current at rated DC blocking voltage TA=25℃ IR 額定直流阻斷電壓下的最大直流反向電流:5.0uA
    Maximum DC reverse current at rated DC blocking voltage TA=125℃ IR 額定直流阻斷電壓下的最大直流反向電流:50uA
    Operating junction and storage temperature range TJ,TSTG 工作溫度和存儲溫度范圍:-55to +150℃
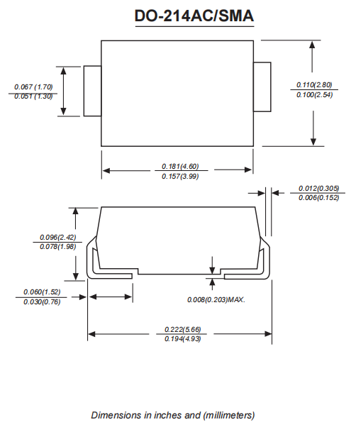
    M7整流二極管,SMA封裝尺寸:
    M7
    M7整流二極管,SMAF封裝尺寸:
    M7
    M7整流二極管,SOD-123封裝尺寸:
    M7
    聯系號碼:18923864027
    QQ:709211280
    烜芯微專業制造二極管,三極管,MOS管,橋堆等,20年,工廠直銷省20%,上萬家電路電器生產企業選用,專業的工程師幫您穩定好每一批產品,如果您有遇到什么需要幫助解決的,可以直接聯系上方的聯系號碼或加QQ,由我們的銷售經理給您精準的報價以及產品介紹
    相關閱讀